
| Appraised Value | Assessed Value | |
| Building Value | $ 385,100 | $ 385,100 |
| Extra Features | $ 31,000 | $ 31,000 |
| Outbuildings | $ 13,200 | $ 13,200 |
| Land Value | $ 1,173,600 | $ 1,173,600 |
| Totals | $ 1,602,900 | $ 1,602,900 |
| 2026
Barnstable FD Tax (Residential) $ 4,504.15 Community Preservation Act Tax $ 326.99 Town Tax (Residential) $ 10,899.72 Total: $ 15,730.86 |
2025
Barnstable FD Tax (Residential) $ 3,655.85 Community Preservation Act Tax $ 330.93 Town Tax (Residential) $ 11,031.13 Total: $ 15,017.91 |
| Owner: | Sale Date | Book/Page: | Sale Price: |
| MILANO, ANTHONY F & ELIZABETH S TRS | 2023-09-11 | 35979/38 | $10 |
| MILANO, ANTHONY F & ELIZABETH S | 2004-02-23 | 18241/0051 | $1 |
| MILANO, KRISTEN M TR | 1997-06-12 | 10796/0063 | $1 |
| MILANO, ANTHONY F & ELIZABETH S | 1997-06-12 | 10796/0056 | $1 |
| MILANO, KRISTEN M TR | 1996-10-28 | 10454/0046 | $100 |
| MILANO, ANTHONY F | 1979-09-24 | 2987/0245 | $0 |
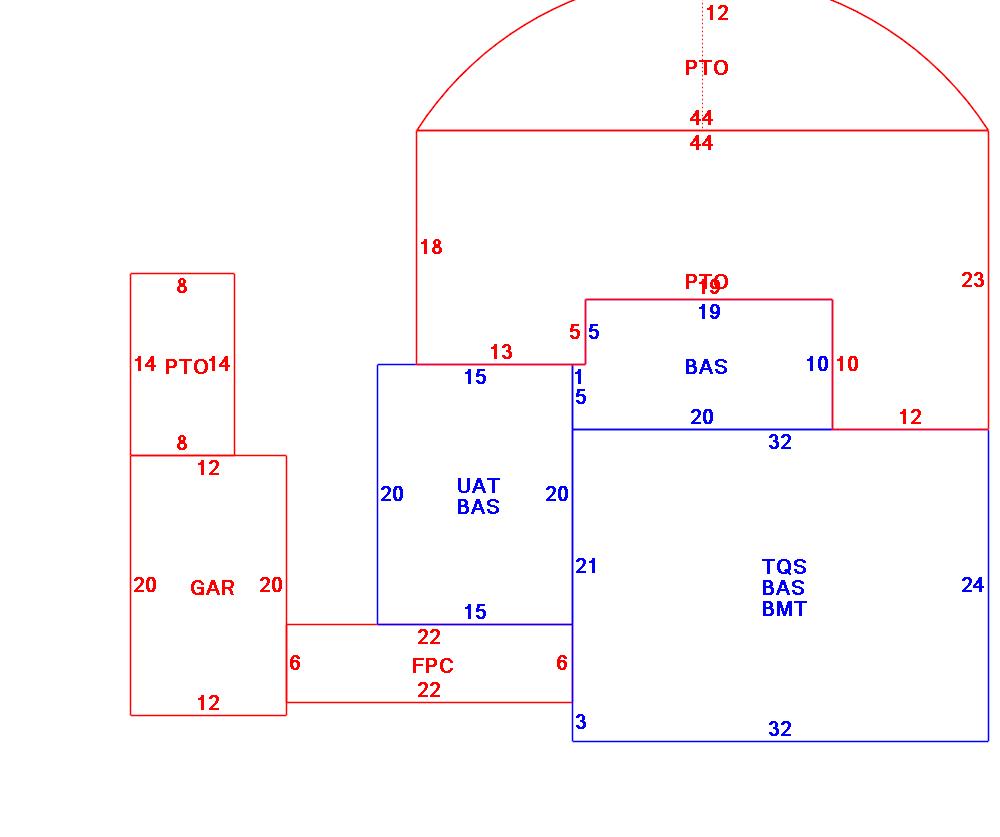
| As Built Cards:Click card # to view: | Card #1 | | Card #2 | |

| B2N | Barn-any 2nd story area | FPC | Open Porch Concrete Floor | REF | Reference Only |
| BAS | First Floor, Living Area | FTS | Third Story Living Area (Finished) | SOL | Solarium |
| BMT | Basement Area (Unfinished) | FUS | Second Story Living Area (Finished) | SPE | Pool Enclosure |
| BRN | Barn | GAR | Garage | TQS | Three Quarters Story (Finished) |
| CAN | Canopy | GAZ | Gazebo | UAT | Attic Area (Unfinished) |
| CLP | Loading Platform | GRN | Greenhouse | UHS | Half Story (Unfinished) |
| FAT | Attic Area (Finished) | GXT | Garage Extension Front | UST | Utility Area (Unfinished) |
| FCP | Carport | KEN | Kennel | UTQ | Three Quarters Story (Unfinished) |
| FEP | Enclosed Porch | MZ1 | Mezzanine, Unfinished | UUA | Unfinished Utility Attic |
| FHS | Half Story (Finished) | PRG | Pergola | UUS | Full Upper 2nd Story (Unfinished) |
| FOP | Open or Screened in Porch | PRT | Portico | WDK | Wood Deck |
| PTO | Patio | ||||
Building |
Details |
Land |
|||
| Building value | $ 385,100 | Bedrooms | 3 Bedrooms | USE CODE | 1010 |
| Replacement Cost | $558,185 | Bathrooms | 2 Full-0 Half | Lot Size (Acres) | 2.9 |
| Model | Residential | Total Rooms | 6 Rooms | Appraised Value | $ 1,173,600 |
| Style | Cape Cod | Heat Fuel | Gas | Assessed Value | $ 1,173,600 |
| Grade | Average Plus | Heat Type | Hot Water | ||
| Year Built | 1948 | AC Type | Central | ||
| Effective depreciation | 31 | Interior Floors | Hardwood | ||
| Stories | 1 1/2 Stories | Interior Walls | Plastered | ||
| Living Area sq/ft | 1,762 | Exterior Walls | Wood Shingle | ||
| Gross Area sq/ft | 4,712 | Roof Structure | Gable/Hip | ||
| Roof Cover | Asph/F Gls/Cmp | ||||
| Code | Description | Units/SQ ft | Appraised Value | Assessed Value |
| FPL2 | Fireplace 1.5 stories | 1 | $ 4,100 | $ 4,100 |
| PAT2 | Patio-Good | 1129 | $ 6,600 | $ 6,600 |
| FOPC | Open Prch-roof, ceiling | 132 | $ 3,800 | $ 3,800 |
| GAR | Attached Garage | 240 | $ 7,800 | $ 7,800 |
| BMT | Basement-Unfinished | 768 | $ 15,300 | $ 15,300 |
| PATC | Conc Pavers W/Conc | 294 | $ 3,100 | $ 3,100 |
| PAT2 | Patio-Good | 112 | $ 900 | $ 900 |
| SHED | Shed | 96 | $ 1,300 | $ 1,300 |
| SHED | Shed | 96 | $ 1,300 | $ 1,300 |