
| Appraised Value | Assessed Value | |
| Building Value | $ 950,700 | $ 950,700 |
| Extra Features | $ 43,400 | $ 43,400 |
| Outbuildings | $ 18,200 | $ 18,200 |
| Land Value | $ 1,898,000 | $ 1,898,000 |
| Totals | $ 2,910,300 | $ 2,910,300 |
| 2026
Community Preservation Act Tax $ 593.70 Hyannis FD Tax (Residential) $ 6,984.72 Town Tax (Residential) $ 19,790.04 Total: $ 27,368.46 |
2025
Community Preservation Act Tax $ 598.37 Hyannis FD Tax (Commercial) $ 0 Hyannis FD Tax (Residential) $ 6,696.42 Town Tax (Commercial) $ 0 Town Tax (Residential) $ 19,945.56 Total: $ 27,240.35 |
| Owner: | Sale Date | Book/Page: | Sale Price: |
| BLANK, PATRICIA T & MICHAEL TRS | 2012-12-21 | C199106/0 | $1 |
| BLANK, PATRICIA T & MICHAEL | 2012-12-21 | C199105/0 | $1 |
| BLANK, PATRICIA T | 2012-12-21 | C199104/0 | $1 |
| BLANK, PATRICIA T TR | 2011-01-14 | C193397/0 | $1625000 |
| DESIMONE, CATHERINE A | 2004-04-07 | C172607/0 | $1800000 |
| BRADLEY, ROBERT M | 2001-10-19 | C163141/0 | $880000 |
| FEDELE, RICHARD S TR | 2001-01-08 | C160322/0 | $750000 |
| GREENE, JEFFREY D TR | 1999-12-13 | C155851/0 | $100 |
| GREENE, JANET F | 1992-03-15 | C126000/0 | $330000 |
| CAVALIERI, ANTHONY F & ESTHER H | 1988-12-15 | C116258/0 | $664000 |
| SAVINA, FREDERICK J & LEBLANC, HAROLD E | 1980-10-02 | C83058/0 | $0 |
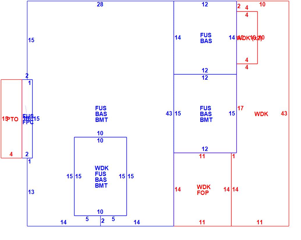
AsBuilt Card N/A

| B2N | Barn-any 2nd story area | FPC | Open Porch Concrete Floor | REF | Reference Only |
| BAS | First Floor, Living Area | FTS | Third Story Living Area (Finished) | SOL | Solarium |
| BMT | Basement Area (Unfinished) | FUS | Second Story Living Area (Finished) | SPE | Pool Enclosure |
| BRN | Barn | GAR | Garage | TQS | Three Quarters Story (Finished) |
| CAN | Canopy | GAZ | Gazebo | UAT | Attic Area (Unfinished) |
| CLP | Loading Platform | GRN | Greenhouse | UHS | Half Story (Unfinished) |
| FAT | Attic Area (Finished) | GXT | Garage Extension Front | UST | Utility Area (Unfinished) |
| FCP | Carport | KEN | Kennel | UTQ | Three Quarters Story (Unfinished) |
| FEP | Enclosed Porch | MZ1 | Mezzanine, Unfinished | UUA | Unfinished Utility Attic |
| FHS | Half Story (Finished) | PRG | Pergola | UUS | Full Upper 2nd Story (Unfinished) |
| FOP | Open or Screened in Porch | PRT | Portico | WDK | Wood Deck |
| PTO | Patio | ||||
Building |
Details |
Land |
|||
| Building value | $ 950,700 | Bedrooms | 3 Bedrooms | USE CODE | 1010 |
| Replacement Cost | $1,092,717 | Bathrooms | 3 Full-0 Half | Lot Size (Acres) | 0.24 |
| Model | Residential | Total Rooms | 8 Rooms | Appraised Value | $ 1,898,000 |
| Style | Colonial | Heat Fuel | Gas | Assessed Value | $ 1,898,000 |
| Grade | Custom Plus | Heat Type | Hot Air | ||
| Year Built | 1976 | AC Type | Central | ||
| Effective depreciation | 13 | Interior Floors | HardwoodCarpet | ||
| Stories | 2 Stories | Interior Walls | Plastered | ||
| Living Area sq/ft | 3,104 | Exterior Walls | Wood Shingle | ||
| Gross Area sq/ft | 5,505 | Roof Structure | Gable/Hip | ||
| Roof Cover | Asph/F Gls/Cmp | ||||
| Code | Description | Units/SQ ft | Appraised Value | Assessed Value |
| FPLG | Gas Fireplace-Direct Vent | 2 | $ 4,400 | $ 4,400 |
| BGAR | Bsmt Garage | 1 | $ 2,000 | $ 2,000 |
| WDCK | Wood Decking w/railings | 788 | $ 9,700 | $ 9,700 |
| FOPC | Open Prch-roof, ceiling | 30 | $ 1,700 | $ 1,700 |
| BMT | Basement-Unfinished | 1369 | $ 28,800 | $ 28,800 |
| FOP | Open Porch-roof-ceiling | 154 | $ 6,500 | $ 6,500 |
| STRS | Stairs to Water | 14 | $ 1,700 | $ 1,700 |
| PATC | Conc Pavers W/Conc | 60 | $ 1,200 | $ 1,200 |
| GEN | Emergency Generator | 1 | $ 5,600 | $ 5,600 |