
| Appraised Value | Assessed Value | |
| Building Value | $ 372,000 | $ 372,000 |
| Extra Features | $ 56,900 | $ 56,900 |
| Outbuildings | $ 9,100 | $ 9,100 |
| Land Value | $ 323,100 | $ 323,100 |
| Totals | $ 761,100 | $ 761,100 |
| 2026
Community Preservation Act Tax $ 155.26 Hyannis FD Tax (Residential) $ 1,826.64 Town Tax (Residential) $ 5,175.48 Total: $ 7,157.38 |
2025
Community Preservation Act Tax $ 151.99 Hyannis FD Tax (Commercial) $ 0 Hyannis FD Tax (Residential) $ 1,700.90 Town Tax (Commercial) $ 0 Town Tax (Residential) $ 5,066.20 Total: $ 6,919.09 |
| Owner: | Sale Date | Book/Page: | Sale Price: |
| ADAMS, DONALD W JR & KATHLEEN M | 2022-08-18 | C230831/0 | $1 |
| ADAMS, KATHLEEN TR | 2018-01-16 | C215182/0 | $503650 |
| WILKINS, PAMELA J | 2011-04-01 | C193948/0 | $1 |
| HOROWITZ ENTERPRISES LLC | 2005-01-05 | C175571/0 | $1 |
| HOROWITZ, I RICHARD | 2004-05-14 | C173005/0 | $385000 |
| NORRIS, SALLY A | 1975-08-15 | C65184/0 | $0 |
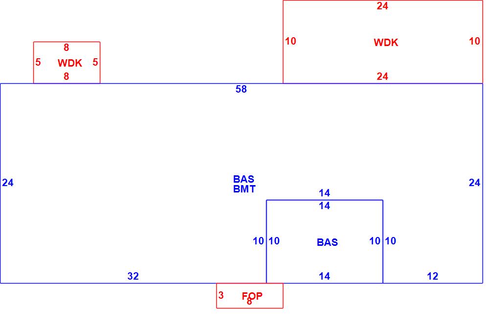
AsBuilt Card N/A

| B2N | Barn-any 2nd story area | FPC | Open Porch Concrete Floor | REF | Reference Only |
| BAS | First Floor, Living Area | FTS | Third Story Living Area (Finished) | SOL | Solarium |
| BMT | Basement Area (Unfinished) | FUS | Second Story Living Area (Finished) | SPE | Pool Enclosure |
| BRN | Barn | GAR | Garage | TQS | Three Quarters Story (Finished) |
| CAN | Canopy | GAZ | Gazebo | UAT | Attic Area (Unfinished) |
| CLP | Loading Platform | GRN | Greenhouse | UHS | Half Story (Unfinished) |
| FAT | Attic Area (Finished) | GXT | Garage Extension Front | UST | Utility Area (Unfinished) |
| FCP | Carport | KEN | Kennel | UTQ | Three Quarters Story (Unfinished) |
| FEP | Enclosed Porch | MZ1 | Mezzanine, Unfinished | UUA | Unfinished Utility Attic |
| FHS | Half Story (Finished) | PRG | Pergola | UUS | Full Upper 2nd Story (Unfinished) |
| FOP | Open or Screened in Porch | PRT | Portico | WDK | Wood Deck |
| PTO | Patio | ||||
Building |
Details |
Land |
|||
| Building value | $ 372,000 | Bedrooms | 3 Bedrooms | USE CODE | 1010 |
| Replacement Cost | $427,553 | Bathrooms | 2 Full-0 Half | Lot Size (Acres) | 0.29 |
| Model | Residential | Total Rooms | 5 | Appraised Value | $ 323,100 |
| Style | Ranch | Heat Fuel | Gas | Assessed Value | $ 323,100 |
| Grade | Average | Heat Type | Hot Air | ||
| Year Built | 1975 | AC Type | Central | ||
| Effective depreciation | 13 | Interior Floors | Hardwood | ||
| Stories | 1 Story | Interior Walls | Drywall | ||
| Living Area sq/ft | 1,392 | Exterior Walls | Wood Shingle | ||
| Gross Area sq/ft | 2,948 | Roof Structure | Gable/Hip | ||
| Roof Cover | Asph/F Gls/Cmp | ||||
| Code | Description | Units/SQ ft | Appraised Value | Assessed Value |
| FPL1 | Fireplace 1 story | 1 | $ 4,400 | $ 4,400 |
| BGAR | Bsmt Garage | 1 | $ 2,000 | $ 2,000 |
| BFA1 | Bsmt Fin-Good-Partitioned | 768 | $ 21,800 | $ 21,800 |
| WDCV | Deck comp w vinyl railings | 280 | $ 7,400 | $ 7,400 |
| BMT | Basement-Unfinished | 1252 | $ 26,900 | $ 26,900 |
| SHED | Shed | 96 | $ 1,700 | $ 1,700 |
| FOP | Open Porch-roof-ceiling | 24 | $ 1,800 | $ 1,800 |