
| Appraised Value | Assessed Value | |
| Building Value | $ 523,900 | $ 523,900 |
| Extra Features | $ 44,000 | $ 44,000 |
| Outbuildings | $ 14,000 | $ 14,000 |
| Land Value | $ 317,400 | $ 317,400 |
| Totals | $ 899,300 | $ 899,300 |
| 2026
Community Preservation Act Tax $ 127.40 Hyannis FD Tax (Residential) $ 2,158.32 Town Tax (Residential) $ 4,246.69 Total: $ 6,532.41 |
2025
Community Preservation Act Tax $ 135.10 Hyannis FD Tax (Commercial) $ 0 Hyannis FD Tax (Residential) $ 2,056.69 Town Tax (Commercial) $ 0 Town Tax (Residential) $ 4,503.42 Total: $ 6,695.21 |
| Residential Exemption Received= $274,787 |
Residential Exemption Received= $233,792 |
| Owner: | Sale Date | Book/Page: | Sale Price: |
| COOK, W BRIAR | 2015-05-14 | D1269115/0 | $0 |
| COOK, W BRIAR & SHIRLEY A | 1998-01-23 | C147280/0 | $175000 |
| CHAMBERS, JAN R | 1991-04-15 | C123071/0 | $100 |
| CHAMBERS, ROGER A & JAN R | 1977-12-05 | C72624/0 | $0 |
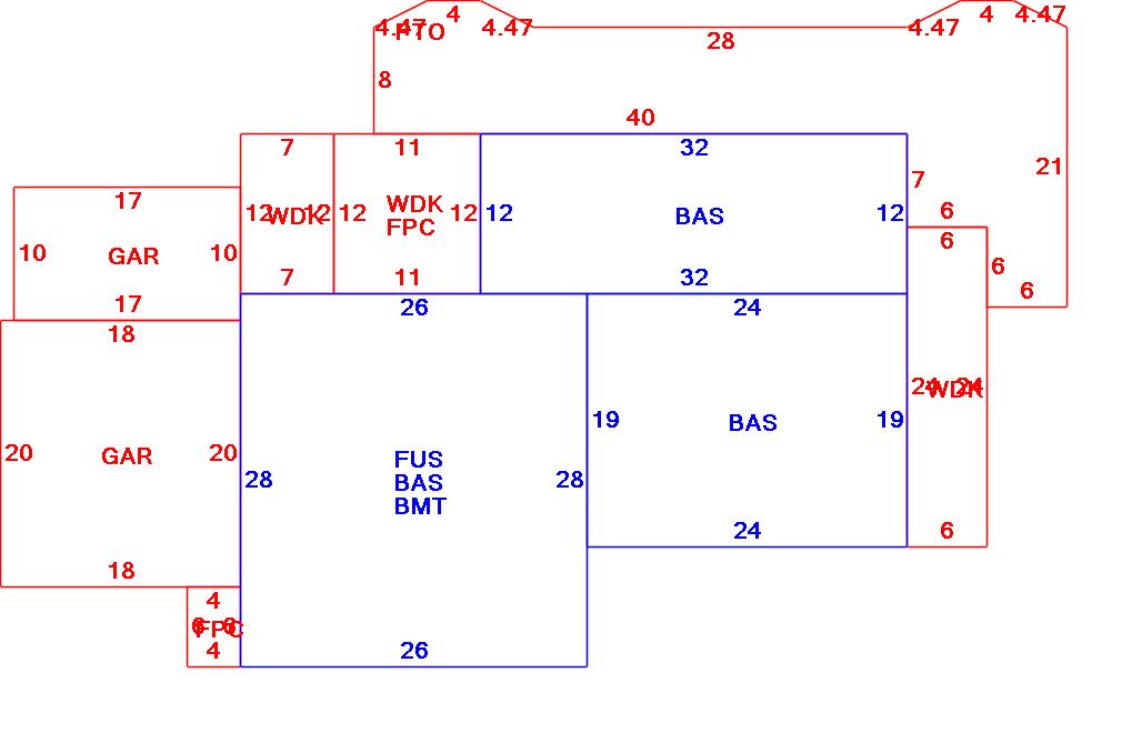
AsBuilt Card N/A

| B2N | Barn-any 2nd story area | FPC | Open Porch Concrete Floor | REF | Reference Only |
| BAS | First Floor, Living Area | FTS | Third Story Living Area (Finished) | SOL | Solarium |
| BMT | Basement Area (Unfinished) | FUS | Second Story Living Area (Finished) | SPE | Pool Enclosure |
| BRN | Barn | GAR | Garage | TQS | Three Quarters Story (Finished) |
| CAN | Canopy | GAZ | Gazebo | UAT | Attic Area (Unfinished) |
| CLP | Loading Platform | GRN | Greenhouse | UHS | Half Story (Unfinished) |
| FAT | Attic Area (Finished) | GXT | Garage Extension Front | UST | Utility Area (Unfinished) |
| FCP | Carport | KEN | Kennel | UTQ | Three Quarters Story (Unfinished) |
| FEP | Enclosed Porch | MZ1 | Mezzanine, Unfinished | UUA | Unfinished Utility Attic |
| FHS | Half Story (Finished) | PRG | Pergola | UUS | Full Upper 2nd Story (Unfinished) |
| FOP | Open or Screened in Porch | PRT | Portico | WDK | Wood Deck |
| PTO | Patio | ||||
Building |
Details |
Land |
|||
| Building value | $ 523,900 | Bedrooms | 4 Bedrooms | USE CODE | 1010 |
| Replacement Cost | $680,371 | Bathrooms | 2 Full-0 Half | Lot Size (Acres) | 2.37 |
| Model | Residential | Total Rooms | 6 Rooms | Appraised Value | $ 317,400 |
| Style | Conventional | Heat Fuel | Gas | Assessed Value | $ 317,400 |
| Grade | Average Plus | Heat Type | Hot Water | ||
| Year Built | 1939 | AC Type | Central | ||
| Effective depreciation | 23 | Interior Floors | HardwoodCarpet | ||
| Stories | 2 Stories | Interior Walls | Drywall | ||
| Living Area sq/ft | 2,296 | Exterior Walls | Wood Shingle | ||
| Gross Area sq/ft | 4,638 | Roof Structure | Gable/Hip | ||
| Roof Cover | Asph/F Gls/Cmp | ||||
| Code | Description | Units/SQ ft | Appraised Value | Assessed Value |
| FPL2 | Fireplace 1.5 stories | 1 | $ 4,600 | $ 4,600 |
| FPO | Ext FP Opening | 2 | $ 3,100 | $ 3,100 |
| WDCK | Wood Decking w/railings | 360 | $ 4,500 | $ 4,500 |
| PAT1 | Patio- Average | 568 | $ 2,600 | $ 2,600 |
| FOPC | Open Prch-roof, ceiling | 156 | $ 4,800 | $ 4,800 |
| GAR | Attached Garage | 530 | $ 14,900 | $ 14,900 |
| BMT | Basement-Unfinished | 728 | $ 16,600 | $ 16,600 |
| SOL1 | Solar PV Panels 12 - 24 | 8 | $ 0 | $ 0 |
| GEN | Emergency Generator | 1 | $ 5,000 | $ 5,000 |
| SHED | Shed | 120 | $ 1,900 | $ 1,900 |