
| Appraised Value | Assessed Value | |
| Building Value | $ 1,192,000 | $ 1,192,000 |
| Extra Features | $ 13,100 | $ 13,100 |
| Outbuildings | $ 81,400 | $ 81,400 |
| Land Value | $ 592,100 | $ 592,100 |
| Totals | $ 1,878,600 | $ 1,878,600 |
| 2026
Barnstable FD Tax (Commercial) $ 0 Barnstable FD Tax (Residential) $ 5,278.87 Community Preservation Act Tax $ 327.18 Town Tax (Commercial) $ 0 Town Tax (Residential) $ 10,905.93 Total: $ 16,511.98 |
2025
Barnstable FD Tax (Commercial) $ 0 Barnstable FD Tax (Residential) $ 4,171.05 Community Preservation Act Tax $ 328.90 Town Tax (Commercial) $ 0 Town Tax (Residential) $ 10,963.17 Total: $ 15,463.12 |
| Residential Exemption Received= $274,787 |
Residential Exemption Received= $233,792 |
| Owner: | Sale Date | Book/Page: | Sale Price: |
| LYONS, GERALD J & NANCY J TRS | 2024-03-11 | C235370/0 | $100 |
| LYONS, GERALD J & NANCY T | 2011-06-17 | C194526/0 | $834000 |
| KLUG, STEPHEN & MARY MARGARET | 2004-05-24 | C173102/0 | $410000 |
| MCRAE, WINIFRED | 1995-05-17 | #D639596/0 | $0 |
| MCRAE, CHARLES & WINIFRED | 1964-09-24 | C33609/0 | $0 |
AsBuilt Card N/A

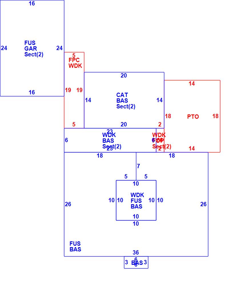
| B2N | Barn-any 2nd story area | FPC | Open Porch Concrete Floor | REF | Reference Only |
| BAS | First Floor, Living Area | FTS | Third Story Living Area (Finished) | SOL | Solarium |
| BMT | Basement Area (Unfinished) | FUS | Second Story Living Area (Finished) | SPE | Pool Enclosure |
| BRN | Barn | GAR | Garage | TQS | Three Quarters Story (Finished) |
| CAN | Canopy | GAZ | Gazebo | UAT | Attic Area (Unfinished) |
| CLP | Loading Platform | GRN | Greenhouse | UHS | Half Story (Unfinished) |
| FAT | Attic Area (Finished) | GXT | Garage Extension Front | UST | Utility Area (Unfinished) |
| FCP | Carport | KEN | Kennel | UTQ | Three Quarters Story (Unfinished) |
| FEP | Enclosed Porch | MZ1 | Mezzanine, Unfinished | UUA | Unfinished Utility Attic |
| FHS | Half Story (Finished) | PRG | Pergola | UUS | Full Upper 2nd Story (Unfinished) |
| FOP | Open or Screened in Porch | PRT | Portico | WDK | Wood Deck |
| PTO | Patio | ||||
Building |
Details |
Land |
|||
| Building value | $ 1,192,000 | Bedrooms | 3 Bedrooms | USE CODE | 1010 |
| Replacement Cost | $1,309,880 | Bathrooms | 3 Full-1 Half | Lot Size (Acres) | 0.16 |
| Model | Residential | Total Rooms | 8 Rooms | Appraised Value | $ 592,100 |
| Style | Cape Cod | Heat Fuel | Gas | Assessed Value | $ 592,100 |
| Grade | Luxury | Heat Type | Hot Air | ||
| Year Built | 1966 | AC Type | Central | ||
| Effective depreciation | 9 | Interior Floors | Hardwood | ||
| Stories | 1 3/4 Stories | Interior Walls | Drywall | ||
| Living Area sq/ft | 2,692 | Exterior Walls | Wood Shingle | ||
| Gross Area sq/ft | 4,060 | Roof Structure | Gable/Hip | ||
| Roof Cover | Wood Shingle | ||||
| Code | Description | Units/SQ ft | Appraised Value | Assessed Value |
| FPL3 | Fireplace 2 story | 1 | $ 6,400 | $ 6,400 |
| WDCK | Wood Decking w/railings | 245 | $ 4,700 | $ 4,700 |
| FOPC | Open Prch-roof, ceiling | 107 | $ 4,400 | $ 4,400 |
| WDCK | Wood Decking w/railings | 100 | $ 2,600 | $ 2,600 |
| FPLG | Gas Fireplace-Direct Vent | 1 | $ 2,300 | $ 2,300 |
| PAT2 | Patio-Good | 252 | $ 2,500 | $ 2,500 |
| GEN | Emergency Generator | 1 | $ 4,900 | $ 4,900 |
| GAR4 | Det Gar-w/FUS | 384 | $ 64,800 | $ 64,800 |
| SHD2 | Shed w/Elec | 96 | $ 1,900 | $ 1,900 |