
| Appraised Value | Assessed Value | |
| Building Value | $ 411,500 | $ 411,500 |
| Extra Features | $ 42,000 | $ 42,000 |
| Outbuildings | $ 6,000 | $ 6,000 |
| Land Value | $ 213,200 | $ 213,200 |
| Totals | $ 672,700 | $ 672,700 |
| 2026
Barnstable FD Tax (Commercial) $ 0 Barnstable FD Tax (Residential) $ 1,890.29 Community Preservation Act Tax $ 81.17 Town Tax (Commercial) $ 0 Town Tax (Residential) $ 2,705.81 Total: $ 4,677.27 |
2025
Barnstable FD Tax (Commercial) $ 0 Barnstable FD Tax (Residential) $ 1,506.96 Community Preservation Act Tax $ 87.74 Town Tax (Commercial) $ 0 Town Tax (Residential) $ 2,924.57 Total: $ 4,519.27 |
| Residential Exemption Received= $274,787 |
Residential Exemption Received= $233,792 |
| Owner: | Sale Date | Book/Page: | Sale Price: |
| DOHERTY, HEATHER | 2013-08-20 | 27633/0115 | $1 |
| DOHERTY, JOSEPH A & HEATHER | 2009-09-28 | 24060/0021 | $10 |
| MACROBBIE, HEATHER | 1996-09-15 | 10372/0074 | $112800 |
| COBB, MATHEW TR | 1996-09-15 | 10372/0072 | $1 |
| COBB, MATHEW TR | 1990-03-15 | 7114/0121 | $1 |
| COBB, MATHEW | 1978-03-17 | 2675/0120 | $0 |
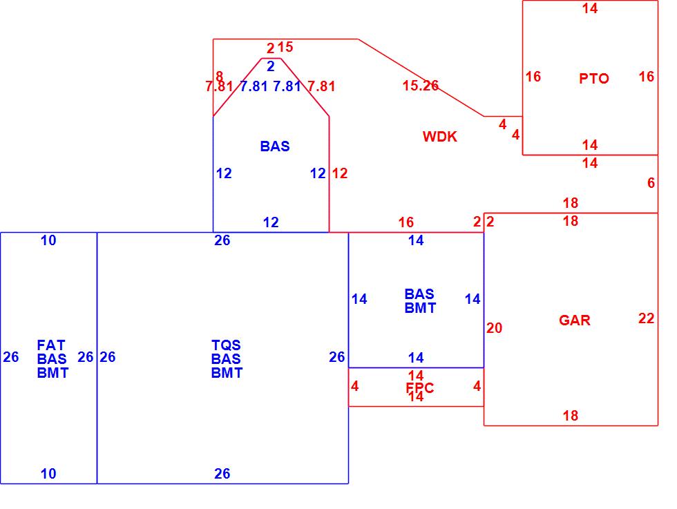
| As Built Cards:Click card # to view: | Card #1 | | Card #2 | |

| B2N | Barn-any 2nd story area | FPC | Open Porch Concrete Floor | REF | Reference Only |
| BAS | First Floor, Living Area | FTS | Third Story Living Area (Finished) | SOL | Solarium |
| BMT | Basement Area (Unfinished) | FUS | Second Story Living Area (Finished) | SPE | Pool Enclosure |
| BRN | Barn | GAR | Garage | TQS | Three Quarters Story (Finished) |
| CAN | Canopy | GAZ | Gazebo | UAT | Attic Area (Unfinished) |
| CLP | Loading Platform | GRN | Greenhouse | UHS | Half Story (Unfinished) |
| FAT | Attic Area (Finished) | GXT | Garage Extension Front | UST | Utility Area (Unfinished) |
| FCP | Carport | KEN | Kennel | UTQ | Three Quarters Story (Unfinished) |
| FEP | Enclosed Porch | MZ1 | Mezzanine, Unfinished | UUA | Unfinished Utility Attic |
| FHS | Half Story (Finished) | PRG | Pergola | UUS | Full Upper 2nd Story (Unfinished) |
| FOP | Open or Screened in Porch | PRT | Portico | WDK | Wood Deck |
| PTO | Patio | ||||
Building |
Details |
Land |
|||
| Building value | $ 411,500 | Bedrooms | 4 Bedrooms | USE CODE | 1010 |
| Replacement Cost | $527,525 | Bathrooms | 2 Full-0 Half | Lot Size (Acres) | 0.81 |
| Model | Residential | Total Rooms | 7 Rooms | Appraised Value | $ 213,200 |
| Style | Cape Cod | Heat Fuel | Gas | Assessed Value | $ 213,200 |
| Grade | Average Plus | Heat Type | Hot Water | ||
| Year Built | 1974 | AC Type | None | ||
| Effective depreciation | 22 | Interior Floors | CarpetLaminate | ||
| Stories | 1 3/4 Stories | Interior Walls | Drywall | ||
| Living Area sq/ft | 1,796 | Exterior Walls | Wood Shingle | ||
| Gross Area sq/ft | 4,508 | Roof Structure | Gable/Hip | ||
| Roof Cover | Asph/F Gls/Cmp | ||||
| Code | Description | Units/SQ ft | Appraised Value | Assessed Value |
| FPL2 | Fireplace 1.5 stories | 1 | $ 4,700 | $ 4,700 |
| WDC | Wood Deck w/o railings | 446 | $ 4,100 | $ 4,100 |
| FOPC | Open Prch-roof, ceiling | 56 | $ 2,400 | $ 2,400 |
| GAR | Attached Garage | 396 | $ 12,400 | $ 12,400 |
| BMT | Basement-Unfinished | 1132 | $ 22,500 | $ 22,500 |
| PAT2 | Patio-Good | 224 | $ 1,900 | $ 1,900 |