
| Appraised Value | Assessed Value | |
| Building Value | $ 336,600 | $ 336,600 |
| Extra Features | $ 43,900 | $ 43,900 |
| Outbuildings | $ 8,600 | $ 8,600 |
| Land Value | $ 149,100 | $ 149,100 |
| Totals | $ 538,200 | $ 538,200 |
| 2026
Community Preservation Act Tax $ 53.74 Hyannis FD Tax (Commercial) $ 0 Hyannis FD Tax (Residential) $ 1,291.68 Town Tax (Commercial) $ 0 Town Tax (Residential) $ 1,791.21 Total: $ 3,136.63 |
2025
Community Preservation Act Tax $ 58.98 Hyannis FD Tax (Commercial) $ 0 Hyannis FD Tax (Residential) $ 1,204.84 Town Tax (Commercial) $ 0 Town Tax (Residential) $ 1,966.16 Total: $ 3,229.98 |
| Residential Exemption Received= $274,787 |
Residential Exemption Received= $233,792 |
| Owner: | Sale Date | Book/Page: | Sale Price: |
| MAZHULA, NATALYIA | 2015-07-28 | 29040/0330 | $225000 |
| OLIVEIRA, ELIZABETH MARIA | 2015-06-22 | 28958/0242 | $1 |
| OLIVEIRA, ELIZABETH MARIA & MARCIO | 2003-03-03 | 16499/0131 | $1 |
| OLIVEIRA, ELIZABETH MARIA | 2002-02-15 | 14827/0127 | $217500 |
| FONTAINE, ROBERT H & JOAN B | 1997-08-08 | 10891/0069 | $75000 |
| MCCARTHY, MARGARET C | 1970-06-16 | 1475/0746 | $0 |
AsBuilt Card N/A

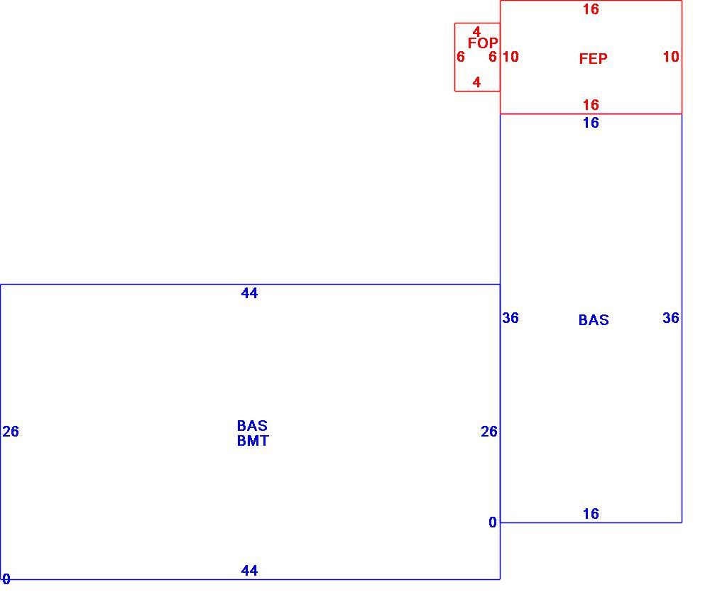
| B2N | Barn-any 2nd story area | FPC | Open Porch Concrete Floor | REF | Reference Only |
| BAS | First Floor, Living Area | FTS | Third Story Living Area (Finished) | SOL | Solarium |
| BMT | Basement Area (Unfinished) | FUS | Second Story Living Area (Finished) | SPE | Pool Enclosure |
| BRN | Barn | GAR | Garage | TQS | Three Quarters Story (Finished) |
| CAN | Canopy | GAZ | Gazebo | UAT | Attic Area (Unfinished) |
| CLP | Loading Platform | GRN | Greenhouse | UHS | Half Story (Unfinished) |
| FAT | Attic Area (Finished) | GXT | Garage Extension Front | UST | Utility Area (Unfinished) |
| FCP | Carport | KEN | Kennel | UTQ | Three Quarters Story (Unfinished) |
| FEP | Enclosed Porch | MZ1 | Mezzanine, Unfinished | UUA | Unfinished Utility Attic |
| FHS | Half Story (Finished) | PRG | Pergola | UUS | Full Upper 2nd Story (Unfinished) |
| FOP | Open or Screened in Porch | PRT | Portico | WDK | Wood Deck |
| PTO | Patio | ||||
Building |
Details |
Land |
|||
| Building value | $ 336,600 | Bedrooms | 3 Bedrooms | USE CODE | 1040 |
| Replacement Cost | $454,889 | Bathrooms | 2 Full-1 Half | Lot Size (Acres) | 0.23 |
| Model | Residential | Total Rooms | 6 Rooms | Appraised Value | $ 149,100 |
| Style | Ranch | Heat Fuel | Gas | Assessed Value | $ 149,100 |
| Grade | Average Minus | Heat Type | Hot Water | ||
| Year Built | 1964 | AC Type | None | ||
| Effective depreciation | 26 | Interior Floors | Carpet | ||
| Stories | 1 Story | Interior Walls | Drywall | ||
| Living Area sq/ft | 1,720 | Exterior Walls | Wood Shingle | ||
| Gross Area sq/ft | 3,048 | Roof Structure | Gable/Hip | ||
| Roof Cover | Asph/F Gls/Cmp | ||||
| Code | Description | Units/SQ ft | Appraised Value | Assessed Value |
| FPL1 | Fireplace 1 story | 1 | $ 3,700 | $ 3,700 |
| FGR2 | Garage- Avg-Wd Shingle | 336 | $ 8,600 | $ 8,600 |
| FEP | Enclosed porch-roof,ceiling | 160 | $ 8,100 | $ 8,100 |
| BMT | Basement-Unfinished | 1144 | $ 21,500 | $ 21,500 |
| FOP | Open Porch-roof-ceiling | 24 | $ 1,500 | $ 1,500 |
| FEP | Enclosed porch-roof,ceiling | 192 | $ 9,100 | $ 9,100 |