
| Appraised Value | Assessed Value | |
| Building Value | $ 235,900 | $ 235,900 |
| Extra Features | $ 19,400 | $ 19,400 |
| Outbuildings | $ 1,800 | $ 1,800 |
| Land Value | $ 159,700 | $ 159,700 |
| Totals | $ 416,800 | $ 416,800 |
| 2026
Community Preservation Act Tax $ 85.03 Hyannis FD Tax (Commercial) $ 0 Hyannis FD Tax (Residential) $ 1,000.32 Town Tax (Commercial) $ 0 Town Tax (Residential) $ 2,834.24 Total: $ 3,919.59 |
2025
Community Preservation Act Tax $ 83.53 Hyannis FD Tax (Commercial) $ 0 Hyannis FD Tax (Residential) $ 934.80 Town Tax (Commercial) $ 0 Town Tax (Residential) $ 2,784.33 Total: $ 3,802.66 |
| Owner: | Sale Date | Book/Page: | Sale Price: |
| KAHLER, HEATHER J | 2008-08-29 | 23127/0299 | $ 260,000 |
| JANOVSKY, JUNE M | 2000-02-09 | 12823/0138 | $ 0 |
| JANOVSKY, ROBERT L & JUNE M | 1986-01-15 | 4896/0015 | $ 35,000 |
| MURPHY, WM E | 1977-06-30 | 2537/0190 | $ 20,000 |
AsBuilt Card N/A

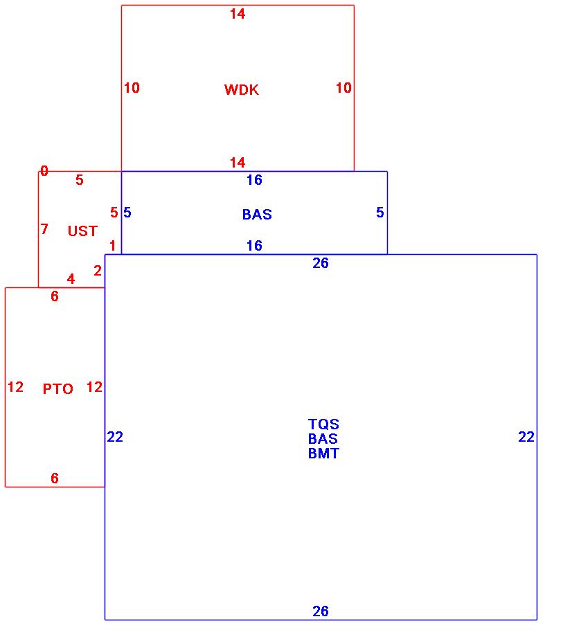
| B2N | Barn-any 2nd story area | FPC | Open Porch Concrete Floor | REF | Reference Only |
| BAS | First Floor, Living Area | FTS | Third Story Living Area (Finished) | SOL | Solarium |
| BMT | Basement Area (Unfinished) | FUS | Second Story Living Area (Finished) | SPE | Pool Enclosure |
| BRN | Barn | GAR | Garage | TQS | Three Quarters Story (Finished) |
| CAN | Canopy | GAZ | Gazebo | UAT | Attic Area (Unfinished) |
| CLP | Loading Platform | GRN | Greenhouse | UHS | Half Story (Unfinished) |
| FAT | Attic Area (Finished) | GXT | Garage Extension Front | UST | Utility Area (Unfinished) |
| FCP | Carport | KEN | Kennel | UTQ | Three Quarters Story (Unfinished) |
| FEP | Enclosed Porch | MZ1 | Mezzanine, Unfinished | UUA | Unfinished Utility Attic |
| FHS | Half Story (Finished) | PRG | Pergola | UUS | Full Upper 2nd Story (Unfinished) |
| FOP | Open or Screened in Porch | PRT | Portico | WDK | Wood Deck |
| PTO | Patio | ||||
Building |
Details |
Land |
|||
| Building value | $ 235,900 | Bedrooms | 3 Bedrooms | USE CODE | 1010 |
| Replacement Cost | $306,412 | Bathrooms | 1 Full-0 Half | Lot Size (Acres) | 0.1 |
| Model | Residential | Total Rooms | 6 Rooms | Appraised Value | $ 159,700 |
| Style | Cape Cod | Heat Fuel | Gas | Assessed Value | $ 159,700 |
| Grade | Average | Heat Type | Hot Water | ||
| Year Built | 1927 | AC Type | None | ||
| Effective depreciation | 23 | Interior Floors | CarpetPine/Soft Wood | ||
| Stories | 1 3/4 Stories | Interior Walls | Plastered | ||
| Living Area sq/ft | 1,024 | Exterior Walls | Wood Shingle | ||
| Gross Area sq/ft | 2,041 | Roof Structure | Gable/Hip | ||
| Roof Cover | Asph/F Gls/Cmp | ||||
| Code | Description | Units/SQ ft | Appraised Value | Assessed Value |
| FPL2 | Fireplace 1.5 stories | 1 | $ 4,600 | $ 4,600 |
| WDCK | Wood Decking w/railings | 140 | $ 1,400 | $ 1,400 |
| UST | Utility Storage-attached | 33 | $ 500 | $ 500 |
| BMT | Basement-Unfinished | 572 | $ 14,300 | $ 14,300 |
| PAT1 | Patio- Average | 72 | $ 400 | $ 400 |