
| Appraised Value | Assessed Value | |
| Building Value | $ 116,100 | $ 116,100 |
| Extra Features | $ 6,600 | $ 6,600 |
| Outbuildings | $ 2,300 | $ 2,300 |
| Land Value | $ 140,400 | $ 140,400 |
| Totals | $ 265,400 | $ 265,400 |
| 2026
Community Preservation Act Tax $ 54.14 Hyannis FD Tax (Commercial) $ 0 Hyannis FD Tax (Residential) $ 636.96 Town Tax (Commercial) $ 0 Town Tax (Residential) $ 1,804.72 Total: $ 2,495.82 |
2025
Community Preservation Act Tax $ 53.97 Hyannis FD Tax (Commercial) $ 0 Hyannis FD Tax (Residential) $ 603.94 Town Tax (Commercial) $ 0 Town Tax (Residential) $ 1,798.85 Total: $ 2,456.76 |
| Owner: | Sale Date | Book/Page: | Sale Price: |
| DEQUESADA, MICHELE-RENE | 2015-04-21 | C206018/0 | $185000 |
| FISHER, BEAR | 2006-09-29 | C181218/0 | $265000 |
| MORSE, SUSAN M | 2004-08-03 | C173961/0 | $1 |
| MORSE, SUSAN | 2000-11-08 | C159685/0 | $97000 |
| GRAHAM, DAVID S & JENNIFER S | 1999-02-26 | C152139/0 | $89000 |
| MUNSELL, DAVID P & NOELLAN | 1973-08-20 | C59689/0 | $22000 |
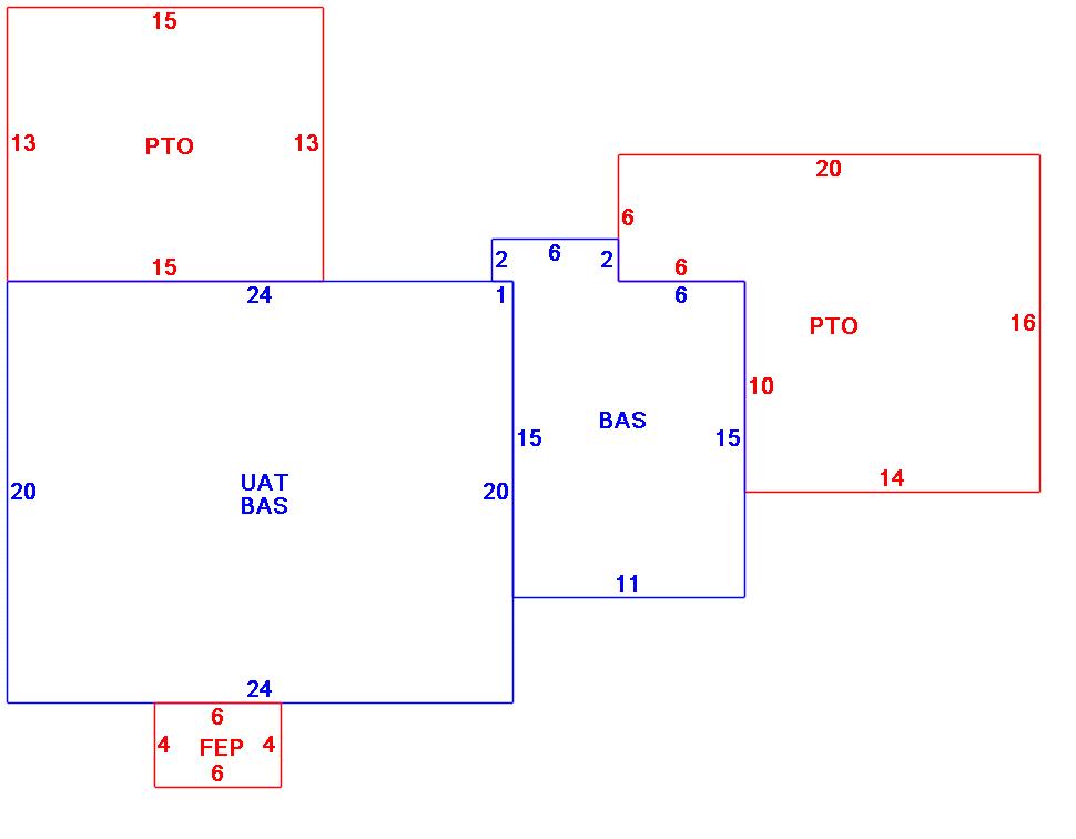
AsBuilt Card N/A

| B2N | Barn-any 2nd story area | FPC | Open Porch Concrete Floor | REF | Reference Only |
| BAS | First Floor, Living Area | FTS | Third Story Living Area (Finished) | SOL | Solarium |
| BMT | Basement Area (Unfinished) | FUS | Second Story Living Area (Finished) | SPE | Pool Enclosure |
| BRN | Barn | GAR | Garage | TQS | Three Quarters Story (Finished) |
| CAN | Canopy | GAZ | Gazebo | UAT | Attic Area (Unfinished) |
| CLP | Loading Platform | GRN | Greenhouse | UHS | Half Story (Unfinished) |
| FAT | Attic Area (Finished) | GXT | Garage Extension Front | UST | Utility Area (Unfinished) |
| FCP | Carport | KEN | Kennel | UTQ | Three Quarters Story (Unfinished) |
| FEP | Enclosed Porch | MZ1 | Mezzanine, Unfinished | UUA | Unfinished Utility Attic |
| FHS | Half Story (Finished) | PRG | Pergola | UUS | Full Upper 2nd Story (Unfinished) |
| FOP | Open or Screened in Porch | PRT | Portico | WDK | Wood Deck |
| PTO | Patio | ||||
Building |
Details |
Land |
|||
| Building value | $ 116,100 | Bedrooms | 2 Bedrooms | USE CODE | 1010 |
| Replacement Cost | $150,780 | Bathrooms | 2 Full-0 Half | Lot Size (Acres) | 0.11 |
| Model | Residential | Total Rooms | 4 Rooms | Appraised Value | $ 140,400 |
| Style | Cottage | Heat Fuel | Gas | Assessed Value | $ 140,400 |
| Grade | Average Plus | Heat Type | Hot Water | ||
| Year Built | 1939 | AC Type | None | ||
| Effective depreciation | 23 | Interior Floors | Carpet | ||
| Stories | 1 Story | Interior Walls | Drywall | ||
| Living Area sq/ft | 657 | Exterior Walls | Wood Shingle | ||
| Gross Area sq/ft | 1,616 | Roof Structure | Gambrel | ||
| Roof Cover | Asph/F Gls/Cmp | ||||
| Code | Description | Units/SQ ft | Appraised Value | Assessed Value |
| FPL1 | Fireplace 1 story | 1 | $ 3,900 | $ 3,900 |
| FEP | Enclosed porch-roof,ceiling | 24 | $ 2,700 | $ 2,700 |
| PAT1 | Patio- Average | 195 | $ 1,000 | $ 1,000 |
| PAT1 | Patio- Average | 260 | $ 1,300 | $ 1,300 |