
| Appraised Value | Assessed Value | |
| Building Value | $ 240,100 | $ 240,100 |
| Extra Features | $ 19,200 | $ 19,200 |
| Outbuildings | $ 1,300 | $ 1,300 |
| Land Value | $ 187,500 | $ 187,500 |
| Totals | $ 448,100 | $ 448,100 |
| 2026
Community Preservation Act Tax $ 91.41 Hyannis FD Tax (Commercial) $ 0 Hyannis FD Tax (Residential) $ 1,075.44 Town Tax (Commercial) $ 0 Town Tax (Residential) $ 3,047.08 Total: $ 4,213.93 |
2025
Community Preservation Act Tax $ 90.09 Hyannis FD Tax (Commercial) $ 0 Hyannis FD Tax (Residential) $ 1,008.19 Town Tax (Commercial) $ 0 Town Tax (Residential) $ 3,002.94 Total: $ 4,101.22 |
| Owner: | Sale Date | Book/Page: | Sale Price: |
| STEVENS, CHRISTINE | 2006-09-20 | 21364/0065 | $295000 |
| BEARSE, CHARLES H & JEANNE M | 1955-03-29 | 0903/0420 | $9000 |
AsBuilt Card N/A

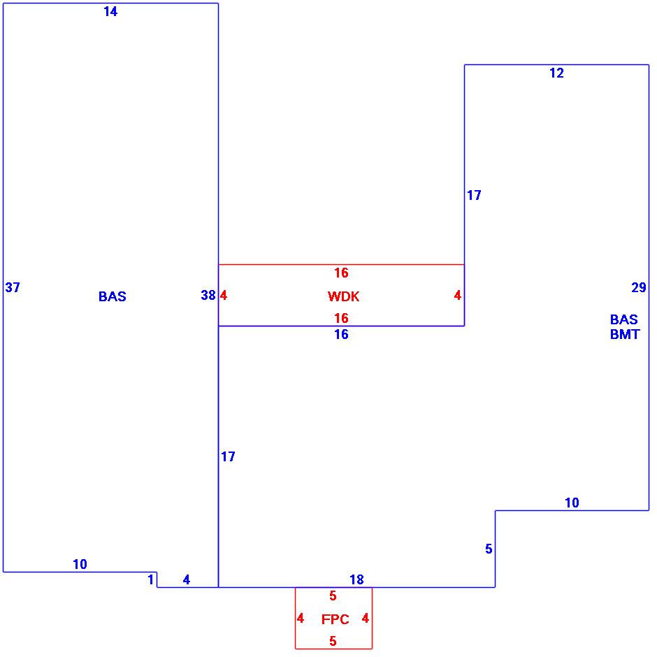
| B2N | Barn-any 2nd story area | FPC | Open Porch Concrete Floor | REF | Reference Only |
| BAS | First Floor, Living Area | FTS | Third Story Living Area (Finished) | SOL | Solarium |
| BMT | Basement Area (Unfinished) | FUS | Second Story Living Area (Finished) | SPE | Pool Enclosure |
| BRN | Barn | GAR | Garage | TQS | Three Quarters Story (Finished) |
| CAN | Canopy | GAZ | Gazebo | UAT | Attic Area (Unfinished) |
| CLP | Loading Platform | GRN | Greenhouse | UHS | Half Story (Unfinished) |
| FAT | Attic Area (Finished) | GXT | Garage Extension Front | UST | Utility Area (Unfinished) |
| FCP | Carport | KEN | Kennel | UTQ | Three Quarters Story (Unfinished) |
| FEP | Enclosed Porch | MZ1 | Mezzanine, Unfinished | UUA | Unfinished Utility Attic |
| FHS | Half Story (Finished) | PRG | Pergola | UUS | Full Upper 2nd Story (Unfinished) |
| FOP | Open or Screened in Porch | PRT | Portico | WDK | Wood Deck |
| PTO | Patio | ||||
Building |
Details |
Land |
|||
| Building value | $ 240,100 | Bedrooms | 2 Bedrooms | USE CODE | 1010 |
| Replacement Cost | $328,878 | Bathrooms | 1 Full-0 Half | Lot Size (Acres) | 0.93 |
| Model | Residential | Total Rooms | 4 Rooms | Appraised Value | $ 187,500 |
| Style | Ranch | Heat Fuel | Oil | Assessed Value | $ 187,500 |
| Grade | Average Minus | Heat Type | Hot Water | ||
| Year Built | 1950 | AC Type | None | ||
| Effective depreciation | 27 | Interior Floors | Pine/Soft Wood | ||
| Stories | 1 Story | Interior Walls | Drywall | ||
| Living Area sq/ft | 1,152 | Exterior Walls | Wood Shingle | ||
| Gross Area sq/ft | 1,866 | Roof Structure | Gable/Hip | ||
| Roof Cover | Asph/F Gls/Cmp | ||||
| Code | Description | Units/SQ ft | Appraised Value | Assessed Value |
| FPL1 | Fireplace 1 story | 1 | $ 3,700 | $ 3,700 |
| FOPC | Open Prch-roof, ceiling | 20 | $ 1,100 | $ 1,100 |
| BMT | Basement-Unfinished | 630 | $ 14,400 | $ 14,400 |
| WDC | Wood Deck w/o railings | 64 | $ 1,300 | $ 1,300 |