
| Appraised Value | Assessed Value | |
| Building Value | $ 898,100 | $ 898,100 |
| Extra Features | $ 15,300 | $ 15,300 |
| Outbuildings | $ 21,000 | $ 21,000 |
| Land Value | $ 1,868,300 | $ 1,868,300 |
| Totals | $ 2,802,700 | $ 2,802,700 |
| 2026
Barnstable FD Tax (Commercial) $ 0 Barnstable FD Tax (Residential) $ 7,875.59 Community Preservation Act Tax $ 571.75 Town Tax (Commercial) $ 0 Town Tax (Residential) $ 19,058.36 Total: $ 27,505.70 |
2025
Barnstable FD Tax (Commercial) $ 0 Barnstable FD Tax (Residential) $ 6,180.56 Community Preservation Act Tax $ 559.48 Town Tax (Commercial) $ 0 Town Tax (Residential) $ 18,649.17 Total: $ 25,389.21 |
| Owner: | Sale Date | Book/Page: | Sale Price: |
| IL-TEMPO-SE-NE-VAS LLC | 2021-10-20 | C227956/0 | $2625000 |
| MSSI 105 SUNSET LN PROPERTY GROUP LLC | 2017-11-13 | C214647/0 | $2310000 |
| CARRUTH, GABRIELLE K | 2015-12-21 | C208318/0 | $2200000 |
| VISCOMI, SALVATORE G | 2011-05-06 | C194192/0 | $1364500 |
| 105 SUNSET LANE LLC | 2007-12-06 | C184746/0 | $2044000 |
| SPRINO, THERESA TR | 2006-04-14 | C179791/0 | $1200000 |
| BAKER, CATHERINE P | 1983-06-15 | C92235/0 | $0 |
| BAKER, EVERETT B & CATHERINE P | 1982-10-15 | C89920/0 | $215000 |
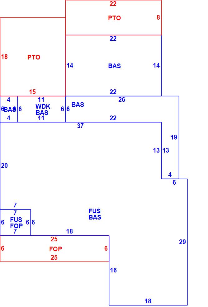
AsBuilt Card N/A

| B2N | Barn-any 2nd story area | FPC | Open Porch Concrete Floor | REF | Reference Only |
| BAS | First Floor, Living Area | FTS | Third Story Living Area (Finished) | SOL | Solarium |
| BMT | Basement Area (Unfinished) | FUS | Second Story Living Area (Finished) | SPE | Pool Enclosure |
| BRN | Barn | GAR | Garage | TQS | Three Quarters Story (Finished) |
| CAN | Canopy | GAZ | Gazebo | UAT | Attic Area (Unfinished) |
| CLP | Loading Platform | GRN | Greenhouse | UHS | Half Story (Unfinished) |
| FAT | Attic Area (Finished) | GXT | Garage Extension Front | UST | Utility Area (Unfinished) |
| FCP | Carport | KEN | Kennel | UTQ | Three Quarters Story (Unfinished) |
| FEP | Enclosed Porch | MZ1 | Mezzanine, Unfinished | UUA | Unfinished Utility Attic |
| FHS | Half Story (Finished) | PRG | Pergola | UUS | Full Upper 2nd Story (Unfinished) |
| FOP | Open or Screened in Porch | PRT | Portico | WDK | Wood Deck |
| PTO | Patio | ||||
Building |
Details |
Land |
|||
| Building value | $ 898,100 | Bedrooms | 3 Bedrooms | USE CODE | 1010 |
| Replacement Cost | $1,069,188 | Bathrooms | 3 Full-1 Half | Lot Size (Acres) | 0.22 |
| Model | Residential | Total Rooms | 8 Rooms | Appraised Value | $ 1,868,300 |
| Style | Conventional | Heat Fuel | Gas | Assessed Value | $ 1,868,300 |
| Grade | Custom Minus | Heat Type | Hot Air | ||
| Year Built | 1978 | AC Type | Central | ||
| Effective depreciation | 16 | Interior Floors | Hardwood | ||
| Stories | 2 Stories | Interior Walls | Plastered | ||
| Living Area sq/ft | 3,220 | Exterior Walls | Wood Shingle | ||
| Gross Area sq/ft | 3,924 | Roof Structure | Gable/Hip | ||
| Roof Cover | Asph/F Gls/Cmp | ||||
| Code | Description | Units/SQ ft | Appraised Value | Assessed Value |
| FPL3 | Fireplace 2 story | 1 | $ 5,900 | $ 5,900 |
| WDCK | Wood Decking w/railings | 66 | $ 2,100 | $ 2,100 |
| FOP | Open Porch-roof-ceiling | 192 | $ 7,300 | $ 7,300 |
| PATF | Flagstone Pavers on conc | 446 | $ 12,800 | $ 12,800 |
| FPLG | Gas Fireplace-Direct Vent | 1 | $ 2,100 | $ 2,100 |
| SHED | Shed | 80 | $ 1,100 | $ 1,100 |
| WDC | Wood Deck w/o railings | 280 | $ 5,000 | $ 5,000 |