
| Appraised Value | Assessed Value | |
| Building Value | $ 399,500 | $ 399,500 |
| Extra Features | $ 38,700 | $ 38,700 |
| Outbuildings | $ 27,000 | $ 27,000 |
| Land Value | $ 159,100 | $ 159,100 |
| Totals | $ 624,300 | $ 624,300 |
| 2026
Community Preservation Act Tax $ 127.36 Hyannis FD Tax (Commercial) $ 0 Hyannis FD Tax (Residential) $ 1,498.32 Town Tax (Commercial) $ 0 Town Tax (Residential) $ 4,245.24 Total: $ 5,870.92 |
2025
Community Preservation Act Tax $ 126.77 Hyannis FD Tax (Commercial) $ 0 Hyannis FD Tax (Residential) $ 1,418.74 Town Tax (Commercial) $ 0 Town Tax (Residential) $ 4,225.77 Total: $ 5,771.28 |
| Owner: | Sale Date | Book/Page: | Sale Price: |
| RONFIM, MATHEUS | 2021-12-10 | 34735/221 | $600000 |
| RONFIM, DONIZETE & BARELLA, SIMONE A | 2018-01-26 | 31046/0137 | $1 |
| RONFIM, DONIZETE | 2016-10-12 | 29999/0282 | $287000 |
| PIMENTAL, JEFFREY L & EASTMAN, SUSAN E | 2004-10-07 | 19113/0238 | $1 |
| PIMENTAL, JEFFREY L | 2002-07-02 | 15331/0123 | $0 |
| PIMENTAL, JEFFREY L & LEANNE | 1995-04-28 | 9648/0121 | $92000 |
| HOUSING FOR ALL CORPORATION | 1994-07-12 | 9277/0275 | $75000 |
| BEACH, ETHEL G | 1994-07-12 | 9277/0272 | $1 |
| GUDMUNDSSON, EVELYN L & BEACH, ETHEL G | 1971-09-22 | 1531/0286 | $0 |
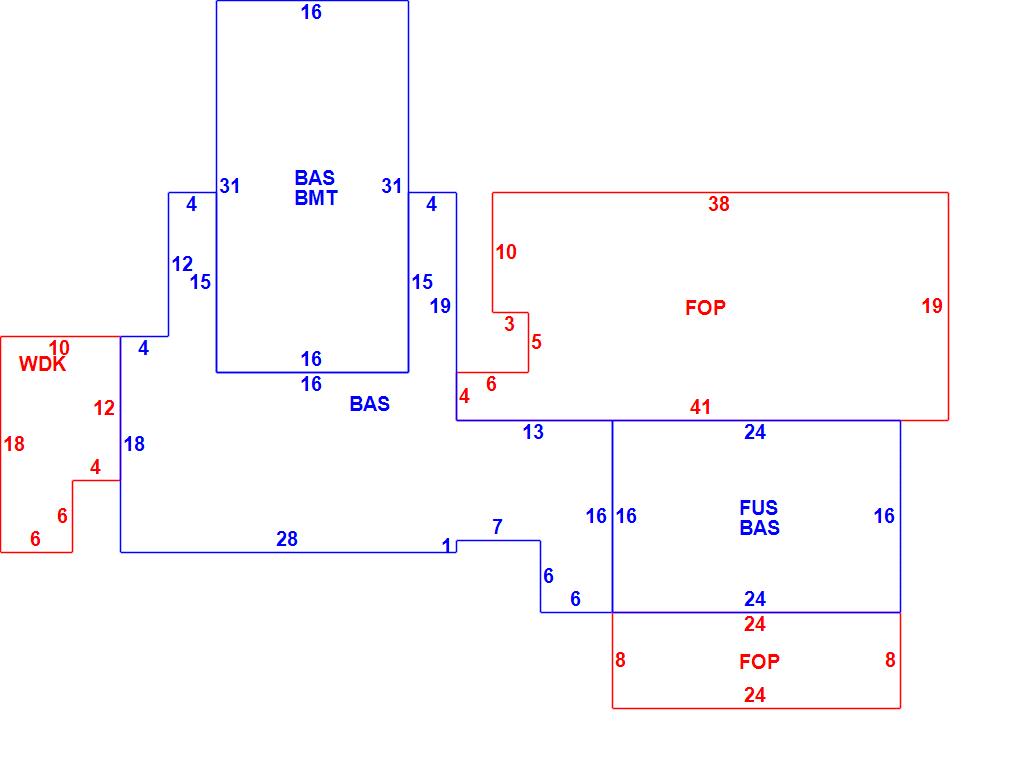
| As Built Cards:Click card # to view: | Card #1 | |

| B2N | Barn-any 2nd story area | FPC | Open Porch Concrete Floor | REF | Reference Only |
| BAS | First Floor, Living Area | FTS | Third Story Living Area (Finished) | SOL | Solarium |
| BMT | Basement Area (Unfinished) | FUS | Second Story Living Area (Finished) | SPE | Pool Enclosure |
| BRN | Barn | GAR | Garage | TQS | Three Quarters Story (Finished) |
| CAN | Canopy | GAZ | Gazebo | UAT | Attic Area (Unfinished) |
| CLP | Loading Platform | GRN | Greenhouse | UHS | Half Story (Unfinished) |
| FAT | Attic Area (Finished) | GXT | Garage Extension Front | UST | Utility Area (Unfinished) |
| FCP | Carport | KEN | Kennel | UTQ | Three Quarters Story (Unfinished) |
| FEP | Enclosed Porch | MZ1 | Mezzanine, Unfinished | UUA | Unfinished Utility Attic |
| FHS | Half Story (Finished) | PRG | Pergola | UUS | Full Upper 2nd Story (Unfinished) |
| FOP | Open or Screened in Porch | PRT | Portico | WDK | Wood Deck |
| PTO | Patio | ||||
Building |
Details |
Land |
|||
| Building value | $ 399,500 | Bedrooms | 4 Bedrooms | USE CODE | 1010 |
| Replacement Cost | $518,769 | Bathrooms | 3 Full-0 Half | Lot Size (Acres) | 0.48 |
| Model | Residential | Total Rooms | 8 Rooms | Appraised Value | $ 159,100 |
| Style | Conventional | Heat Fuel | Gas | Assessed Value | $ 159,100 |
| Grade | Average | Heat Type | Hot Water | ||
| Year Built | 1930 | AC Type | None | ||
| Effective depreciation | 23 | Interior Floors | Hardwood | ||
| Stories | 1 Story | Interior Walls | Knotty Pine | ||
| Living Area sq/ft | 1,982 | Exterior Walls | Wood Shingle | ||
| Gross Area sq/ft | 3,545 | Roof Structure | Gable/Hip | ||
| Roof Cover | Asph/F Gls/Cmp | ||||
| Code | Description | Units/SQ ft | Appraised Value | Assessed Value |
| FGR2 | Garage- Avg-Wd Shingle | 308 | $ 10,800 | $ 10,800 |
| SPL2 | Pool Vinyl | 288 | $ 11,000 | $ 11,000 |
| WDC | Wood Deck w/o railings | 156 | $ 2,300 | $ 2,300 |
| FOP | Open Porch-roof-ceiling | 911 | $ 25,800 | $ 25,800 |
| BMT | Basement-Unfinished | 496 | $ 12,900 | $ 12,900 |
| SHED | Shed | 140 | $ 2,400 | $ 2,400 |
| PAT1 | Patio- Average | 72 | $ 500 | $ 500 |
| SOL1 | Solar PV Panels 12 - 24 | 23 | $ 0 | $ 0 |
| SOL1 | Solar PV Panels 12 - 24 | 20 | $ 0 | $ 0 |