
| Appraised Value | Assessed Value | |
| Building Value | $ 364,100 | $ 364,100 |
| Extra Features | $ 39,900 | $ 39,900 |
| Outbuildings | $ 1,000 | $ 1,000 |
| Land Value | $ 154,800 | $ 154,800 |
| Totals | $ 559,800 | $ 559,800 |
| 2026
Community Preservation Act Tax $ 114.20 Hyannis FD Tax (Commercial) $ 0 Hyannis FD Tax (Residential) $ 1,343.52 Town Tax (Commercial) $ 0 Town Tax (Residential) $ 3,806.64 Total: $ 5,264.36 |
2025
Community Preservation Act Tax $ 64.84 Hyannis FD Tax (Commercial) $ 0 Hyannis FD Tax (Residential) $ 1,270.32 Town Tax (Commercial) $ 0 Town Tax (Residential) $ 2,161.17 Total: $ 3,496.33 |
| Residential Exemption Received= $233,792 |
| Owner: | Sale Date | Book/Page: | Sale Price: |
| FERREIRA, RONALDO | 2005-06-07 | C176948/0 | $365000 |
| MASS, DIANE C | 2003-04-28 | C169001/0 | $100 |
| MASS, ANDREW J & INGA B | 2003-03-11 | C168510/0 | $100 |
| MASS, INGA B | 2003-03-11 | C168509/0 | $100 |
| MASS, DIANE C | 1981-04-15 | C85127/0 | $0 |
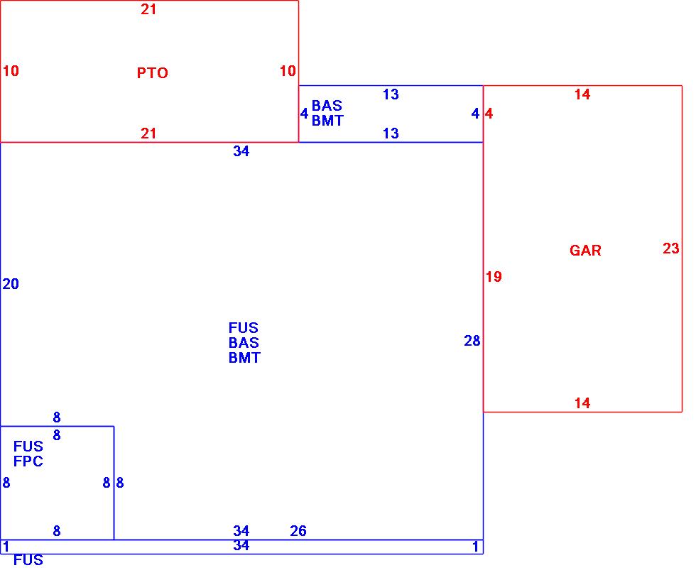
| As Built Cards:Click card # to view: | Card #1 | |

| B2N | Barn-any 2nd story area | FPC | Open Porch Concrete Floor | REF | Reference Only |
| BAS | First Floor, Living Area | FTS | Third Story Living Area (Finished) | SOL | Solarium |
| BMT | Basement Area (Unfinished) | FUS | Second Story Living Area (Finished) | SPE | Pool Enclosure |
| BRN | Barn | GAR | Garage | TQS | Three Quarters Story (Finished) |
| CAN | Canopy | GAZ | Gazebo | UAT | Attic Area (Unfinished) |
| CLP | Loading Platform | GRN | Greenhouse | UHS | Half Story (Unfinished) |
| FAT | Attic Area (Finished) | GXT | Garage Extension Front | UST | Utility Area (Unfinished) |
| FCP | Carport | KEN | Kennel | UTQ | Three Quarters Story (Unfinished) |
| FEP | Enclosed Porch | MZ1 | Mezzanine, Unfinished | UUA | Unfinished Utility Attic |
| FHS | Half Story (Finished) | PRG | Pergola | UUS | Full Upper 2nd Story (Unfinished) |
| FOP | Open or Screened in Porch | PRT | Portico | WDK | Wood Deck |
| PTO | Patio | ||||
Building |
Details |
Land |
|||
| Building value | $ 364,100 | Bedrooms | 4 Bedrooms | USE CODE | 1010 |
| Replacement Cost | $472,794 | Bathrooms | 2 Full-1 Half | Lot Size (Acres) | 0.35 |
| Model | Residential | Total Rooms | 10 Rooms | Appraised Value | $ 154,800 |
| Style | Colonial | Heat Fuel | Oil | Assessed Value | $ 154,800 |
| Grade | Average | Heat Type | Hot Water | ||
| Year Built | 1970 | AC Type | None | ||
| Effective depreciation | 23 | Interior Floors | Carpet | ||
| Stories | 2 Stories | Interior Walls | Drywall | ||
| Living Area sq/ft | 1,926 | Exterior Walls | Wood Shingle | ||
| Gross Area sq/ft | 3,462 | Roof Structure | Gable/Hip | ||
| Roof Cover | Asph/F Gls/Cmp | ||||
| Code | Description | Units/SQ ft | Appraised Value | Assessed Value |
| FPL3 | Fireplace 2 story | 1 | $ 5,400 | $ 5,400 |
| FPO | Ext FP Opening | 1 | $ 1,500 | $ 1,500 |
| PAT1 | Patio- Average | 210 | $ 1,000 | $ 1,000 |
| FOPC | Open Prch-roof, ceiling | 64 | $ 2,600 | $ 2,600 |
| GAR | Attached Garage | 322 | $ 10,800 | $ 10,800 |
| BMT | Basement-Unfinished | 940 | $ 19,600 | $ 19,600 |