
| Appraised Value | Assessed Value | |
| Building Value | $ 342,300 | $ 342,300 |
| Extra Features | $ 47,400 | $ 47,400 |
| Outbuildings | $ 0 | $ 0 |
| Land Value | $ 184,100 | $ 184,100 |
| Totals | $ 573,800 | $ 573,800 |
| 2026
Community Preservation Act Tax $ 61 Hyannis FD Tax (Commercial) $ 0 Hyannis FD Tax (Residential) $ 1,377.12 Town Tax (Commercial) $ 0 Town Tax (Residential) $ 2,033.29 Total: $ 3,471.41 |
2025
Community Preservation Act Tax $ 66.38 Hyannis FD Tax (Commercial) $ 0 Hyannis FD Tax (Residential) $ 1,287.56 Town Tax (Commercial) $ 0 Town Tax (Residential) $ 2,212.53 Total: $ 3,566.47 |
| Residential Exemption Received= $274,787 |
Residential Exemption Received= $233,792 |
| Owner: | Sale Date | Book/Page: | Sale Price: |
| RUMBERGER, TIMOTHY M & KIMBERLY | 2000-11-28 | 13391/0034 | $175000 |
| OEHME, RUTH E | 1998-10-19 | 11768/0307 | $1 |
| OEHME, WILLY K & RUTH E | 1946-04-11 | 0644/0319 | $0 |
| As Built Cards:Click card # to view: | Card #1 | |

| B2N | Barn-any 2nd story area | FPC | Open Porch Concrete Floor | REF | Reference Only |
| BAS | First Floor, Living Area | FTS | Third Story Living Area (Finished) | SOL | Solarium |
| BMT | Basement Area (Unfinished) | FUS | Second Story Living Area (Finished) | SPE | Pool Enclosure |
| BRN | Barn | GAR | Garage | TQS | Three Quarters Story (Finished) |
| CAN | Canopy | GAZ | Gazebo | UAT | Attic Area (Unfinished) |
| CLP | Loading Platform | GRN | Greenhouse | UHS | Half Story (Unfinished) |
| FAT | Attic Area (Finished) | GXT | Garage Extension Front | UST | Utility Area (Unfinished) |
| FCP | Carport | KEN | Kennel | UTQ | Three Quarters Story (Unfinished) |
| FEP | Enclosed Porch | MZ1 | Mezzanine, Unfinished | UUA | Unfinished Utility Attic |
| FHS | Half Story (Finished) | PRG | Pergola | UUS | Full Upper 2nd Story (Unfinished) |
| FOP | Open or Screened in Porch | PRT | Portico | WDK | Wood Deck |
| PTO | Patio | ||||
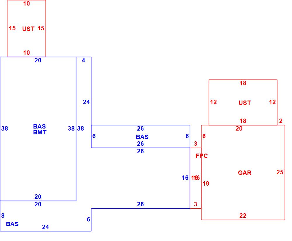
Building |
Details |
Land |
|||
| Building value | $ 342,300 | Bedrooms | 2 Bedrooms | USE CODE | 1010 |
| Replacement Cost | $468,861 | Bathrooms | 2 Full-0 Half | Lot Size (Acres) | 0.27 |
| Model | Residential | Total Rooms | 5 Rooms | Appraised Value | $ 184,100 |
| Style | Ranch | Heat Fuel | Gas | Assessed Value | $ 184,100 |
| Grade | Average | Heat Type | Hot Water | ||
| Year Built | 1947 | AC Type | None | ||
| Effective depreciation | 27 | Interior Floors | Pine/Soft Wood | ||
| Stories | 1 Story | Interior Walls | Plastered | ||
| Living Area sq/ft | 1,676 | Exterior Walls | Wood Shingle | ||
| Gross Area sq/ft | 3,400 | Roof Structure | Gable/Hip | ||
| Roof Cover | Asph/F Gls/Cmp | ||||
| Code | Description | Units/SQ ft | Appraised Value | Assessed Value |
| FPL1 | Fireplace 1 story | 1 | $ 3,700 | $ 3,700 |
| BFA | Bsmt Fin-Avg | 380 | $ 4,800 | $ 4,800 |
| FOPC | Open Prch-roof, ceiling | 48 | $ 2,000 | $ 2,000 |
| GAR | Attached Garage | 550 | $ 14,500 | $ 14,500 |
| UST | Utility Storage-attached | 366 | $ 6,300 | $ 6,300 |
| BMT | Basement-Unfinished | 760 | $ 16,100 | $ 16,100 |
| SOL1 | Solar PV Panels 12 - 24 | 26 | $ 0 | $ 0 |