
| Appraised Value | Assessed Value | |
| Building Value | $ 206,500 | $ 206,500 |
| Extra Features | $ 31,800 | $ 31,800 |
| Outbuildings | $ 1,300 | $ 1,300 |
| Land Value | $ 176,200 | $ 176,200 |
| Totals | $ 415,800 | $ 415,800 |
| 2026
Community Preservation Act Tax $ 84.82 Hyannis FD Tax (Commercial) $ 0 Hyannis FD Tax (Residential) $ 997.92 Town Tax (Commercial) $ 0 Town Tax (Residential) $ 2,827.44 Total: $ 3,910.18 |
2025
Community Preservation Act Tax $ 83.01 Hyannis FD Tax (Commercial) $ 0 Hyannis FD Tax (Residential) $ 928.97 Town Tax (Commercial) $ 0 Town Tax (Residential) $ 2,766.98 Total: $ 3,778.96 |
| Owner: | Sale Date | Book/Page: | Sale Price: |
| ARIEL, WILLIAM S & LISA J | 2018-01-12 | 31023/0289 | $212000 |
| TAYLOR, NATALIE MARIE | 2014-05-31 | 30293/0278 | $0 |
| TAYLOR, RICHARD M & NATALIE MARIE | 1991-05-15 | 7517/0235 | $1 |
| TAYLOR, RICHARD M | 1987-03-15 | 5620/0275 | $1 |
| TAYLOR, WILLIAM P | 1984-04-15 | 4079/0167 | $0 |
| TAYLOR, WILLIAM P & LILLIAN | 1978-09-22 | 2787/0351 | $0 |
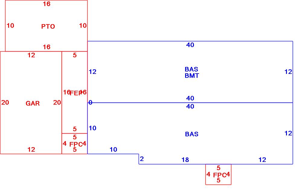
| As Built Cards:Click card # to view: | Card #1 | |

| B2N | Barn-any 2nd story area | FPC | Open Porch Concrete Floor | REF | Reference Only |
| BAS | First Floor, Living Area | FTS | Third Story Living Area (Finished) | SOL | Solarium |
| BMT | Basement Area (Unfinished) | FUS | Second Story Living Area (Finished) | SPE | Pool Enclosure |
| BRN | Barn | GAR | Garage | TQS | Three Quarters Story (Finished) |
| CAN | Canopy | GAZ | Gazebo | UAT | Attic Area (Unfinished) |
| CLP | Loading Platform | GRN | Greenhouse | UHS | Half Story (Unfinished) |
| FAT | Attic Area (Finished) | GXT | Garage Extension Front | UST | Utility Area (Unfinished) |
| FCP | Carport | KEN | Kennel | UTQ | Three Quarters Story (Unfinished) |
| FEP | Enclosed Porch | MZ1 | Mezzanine, Unfinished | UUA | Unfinished Utility Attic |
| FHS | Half Story (Finished) | PRG | Pergola | UUS | Full Upper 2nd Story (Unfinished) |
| FOP | Open or Screened in Porch | PRT | Portico | WDK | Wood Deck |
| PTO | Patio | ||||
Building |
Details |
Land |
|||
| Building value | $ 206,500 | Bedrooms | 2 Bedrooms | USE CODE | 1010 |
| Replacement Cost | $279,027 | Bathrooms | 1 Full-0 Half | Lot Size (Acres) | 0.2 |
| Model | Residential | Total Rooms | 6 | Appraised Value | $ 176,200 |
| Style | Ranch | Heat Fuel | Gas | Assessed Value | $ 176,200 |
| Grade | Average Minus | Heat Type | Hot Air | ||
| Year Built | 1962 | AC Type | None | ||
| Effective depreciation | 26 | Interior Floors | Hardwood | ||
| Stories | 1 Story | Interior Walls | Drywall | ||
| Living Area sq/ft | 940 | Exterior Walls | Wood Shingle | ||
| Gross Area sq/ft | 1,940 | Roof Structure | Gable/Hip | ||
| Roof Cover | Asph/F Gls/Cmp | ||||
| Code | Description | Units/SQ ft | Appraised Value | Assessed Value |
| FPL1 | Fireplace 1 story | 1 | $ 3,700 | $ 3,700 |
| PAT2 | Patio-Good | 160 | $ 1,300 | $ 1,300 |
| FOPC | Open Prch-roof, ceiling | 20 | $ 1,100 | $ 1,100 |
| FEP | Enclosed porch-roof,ceiling | 80 | $ 5,400 | $ 5,400 |
| GAR | Attached Garage | 240 | $ 8,400 | $ 8,400 |
| FOPC | Open Prch-roof, ceiling | 20 | $ 1,100 | $ 1,100 |
| BMT | Basement-Unfinished | 480 | $ 12,100 | $ 12,100 |