
| Appraised Value | Assessed Value | |
| Building Value | $ 969,400 | $ 969,400 |
| Extra Features | $ 57,800 | $ 57,800 |
| Outbuildings | $ 28,800 | $ 28,800 |
| Land Value | $ 1,988,100 | $ 1,988,100 |
| Totals | $ 3,044,100 | $ 3,044,100 |
| 2026
Community Preservation Act Tax $ 621 Hyannis FD Tax (Commercial) $ 0 Hyannis FD Tax (Residential) $ 7,305.84 Town Tax (Commercial) $ 0 Town Tax (Residential) $ 20,699.88 Total: $ 28,626.72 |
2025
Community Preservation Act Tax $ 600.64 Hyannis FD Tax (Commercial) $ 0 Hyannis FD Tax (Residential) $ 6,721.82 Town Tax (Commercial) $ 0 Town Tax (Residential) $ 20,021.21 Total: $ 27,343.67 |
| Owner: | Sale Date | Book/Page: | Sale Price: |
| MEEKER, MARGARET TR | 2011-02-25 | 25281/0069 | $1815500 |
| ONEILL, HUGH G & KATHARINE F | 1979-11-20 | 3017/0332 | $0 |
| As Built Cards:Click card # to view: | Card #1 | | Card #2 | | Card #3 | |
This property contains multiple sketches.

| B2N | Barn-any 2nd story area | FPC | Open Porch Concrete Floor | REF | Reference Only |
| BAS | First Floor, Living Area | FTS | Third Story Living Area (Finished) | SOL | Solarium |
| BMT | Basement Area (Unfinished) | FUS | Second Story Living Area (Finished) | SPE | Pool Enclosure |
| BRN | Barn | GAR | Garage | TQS | Three Quarters Story (Finished) |
| CAN | Canopy | GAZ | Gazebo | UAT | Attic Area (Unfinished) |
| CLP | Loading Platform | GRN | Greenhouse | UHS | Half Story (Unfinished) |
| FAT | Attic Area (Finished) | GXT | Garage Extension Front | UST | Utility Area (Unfinished) |
| FCP | Carport | KEN | Kennel | UTQ | Three Quarters Story (Unfinished) |
| FEP | Enclosed Porch | MZ1 | Mezzanine, Unfinished | UUA | Unfinished Utility Attic |
| FHS | Half Story (Finished) | PRG | Pergola | UUS | Full Upper 2nd Story (Unfinished) |
| FOP | Open or Screened in Porch | PRT | Portico | WDK | Wood Deck |
| PTO | Patio | ||||
Building |
Details |
Land |
|||
| Building value | $ 969,400 | Bedrooms | 7 Bedrooms | USE CODE | 1090 |
| Replacement Cost | $1,031,361 | Bathrooms | 4 Full-1 Half | Lot Size (Acres) | 1.49 |
| Model | Residential | Total Rooms | 12 Rooms | Appraised Value | $ 1,988,100 |
| Style | Colonial | Heat Fuel | Gas | Assessed Value | $ 1,988,100 |
| Grade | Custom | Heat Type | Hot Air | ||
| Year Built | 1938 | AC Type | Central | ||
| Effective depreciation | 23 | Interior Floors | Hardwood | ||
| Stories | 2 Stories w/FA | Interior Walls | Drywall | ||
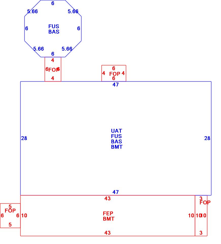
| Living Area sq/ft | 2,960 | Exterior Walls | Wood Shingle | ||
| Gross Area sq/ft | 6,560 | Roof Structure | Gable/Hip | ||
| Roof Cover | Asph/F Gls/Cmp | ||||
| Code | Description | Units/SQ ft | Appraised Value | Assessed Value |
| FPO | Ext FP Opening | 1 | $ 1,500 | $ 1,500 |
| FGR3 | Garage-Good-Wd Shingle | 645 | $ 24,000 | $ 24,000 |
| FOP | Open Porch-roof-ceiling | 108 | $ 4,500 | $ 4,500 |
| FEP | Enclosed porch-roof,ceiling | 430 | $ 17,700 | $ 17,700 |
| GEN | Emergency Generator | 1 | $ 4,200 | $ 4,200 |
| BMT | Basement-Unfinished | 1746 | $ 30,700 | $ 30,700 |
| PAT2 | Patio-Good | 72 | $ 600 | $ 600 |
| FOP | Open Porch-roof-ceiling | 84 | $ 3,400 | $ 3,400 |