
| Appraised Value | Assessed Value | |
| Building Value | $ 720,600 | $ 720,600 |
| Extra Features | $ 50,200 | $ 50,200 |
| Outbuildings | $ 28,400 | $ 28,400 |
| Land Value | $ 1,234,900 | $ 1,234,900 |
| Totals | $ 2,034,100 | $ 2,034,100 |
| 2026
Barnstable FD Tax (Commercial) $ 0 Barnstable FD Tax (Residential) $ 5,715.82 Community Preservation Act Tax $ 358.90 Town Tax (Commercial) $ 0 Town Tax (Residential) $ 11,963.33 Total: $ 18,038.05 |
2025
Barnstable FD Tax (Commercial) $ 0 Barnstable FD Tax (Residential) $ 4,375.52 Community Preservation Act Tax $ 347.40 Town Tax (Commercial) $ 0 Town Tax (Residential) $ 11,580.14 Total: $ 16,303.06 |
| Residential Exemption Received= $274,787 |
Residential Exemption Received= $233,792 |
| Owner: | Sale Date | Book/Page: | Sale Price: |
| HEATH, CHARLES E JR | 1975-07-25 | 2213/0164 | $0 |
| As Built Cards:Click card # to view: | Card #1 | |

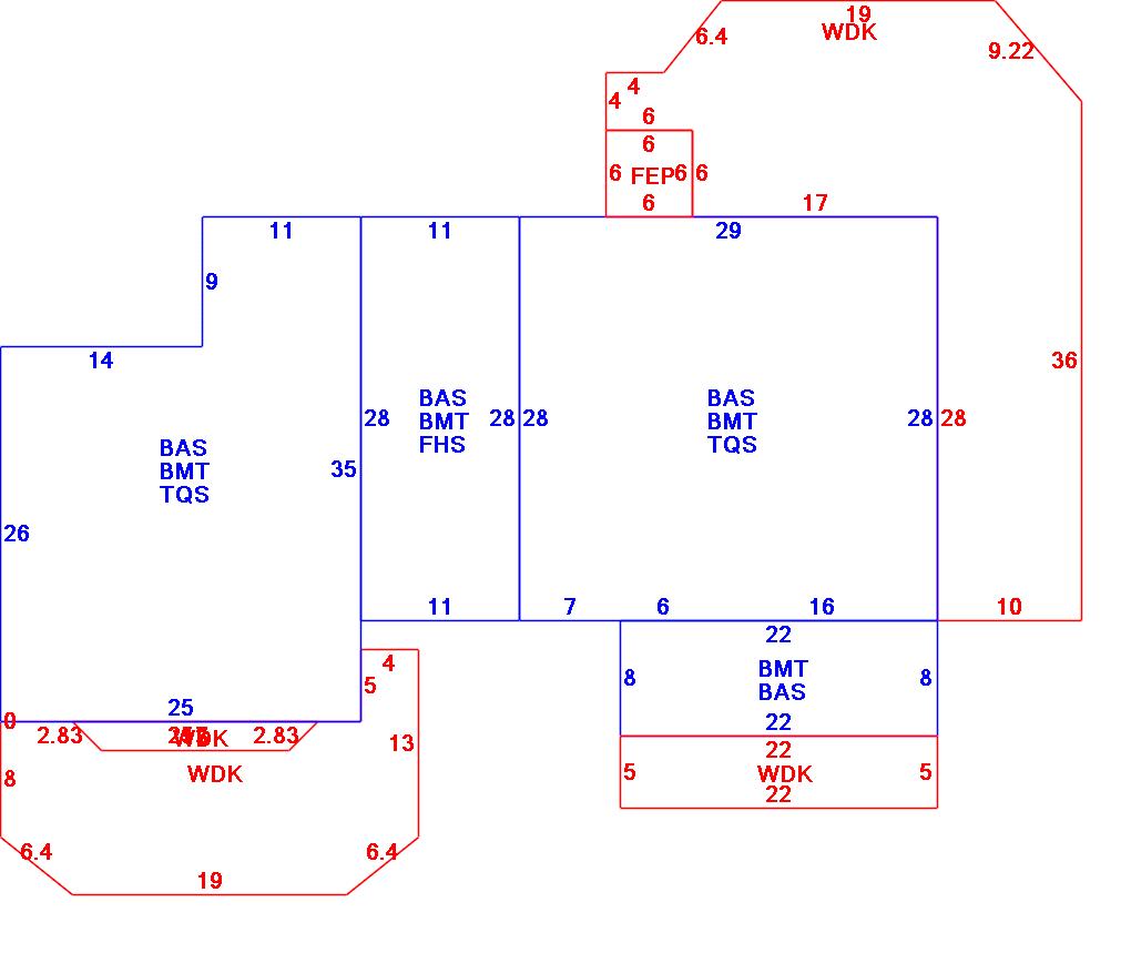
| B2N | Barn-any 2nd story area | FPC | Open Porch Concrete Floor | REF | Reference Only |
| BAS | First Floor, Living Area | FTS | Third Story Living Area (Finished) | SOL | Solarium |
| BMT | Basement Area (Unfinished) | FUS | Second Story Living Area (Finished) | SPE | Pool Enclosure |
| BRN | Barn | GAR | Garage | TQS | Three Quarters Story (Finished) |
| CAN | Canopy | GAZ | Gazebo | UAT | Attic Area (Unfinished) |
| CLP | Loading Platform | GRN | Greenhouse | UHS | Half Story (Unfinished) |
| FAT | Attic Area (Finished) | GXT | Garage Extension Front | UST | Utility Area (Unfinished) |
| FCP | Carport | KEN | Kennel | UTQ | Three Quarters Story (Unfinished) |
| FEP | Enclosed Porch | MZ1 | Mezzanine, Unfinished | UUA | Unfinished Utility Attic |
| FHS | Half Story (Finished) | PRG | Pergola | UUS | Full Upper 2nd Story (Unfinished) |
| FOP | Open or Screened in Porch | PRT | Portico | WDK | Wood Deck |
| PTO | Patio | ||||
Building |
Details |
Land |
|||
| Building value | $ 720,600 | Bedrooms | 2 Bedrooms | USE CODE | 1010 |
| Replacement Cost | $889,648 | Bathrooms | 4 Full-0 Half | Lot Size (Acres) | 0.91 |
| Model | Residential | Total Rooms | 7 Rooms | Appraised Value | $ 1,234,900 |
| Style | Cape Cod | Heat Fuel | Gas | Assessed Value | $ 1,234,900 |
| Grade | Average Plus | Heat Type | Hot Water | ||
| Year Built | 1979 | AC Type | Central | ||
| Effective depreciation | 19 | Interior Floors | Carpet | ||
| Stories | 1 1/2 Stories | Interior Walls | Plastered | ||
| Living Area sq/ft | 3,214 | Exterior Walls | Wood Shingle | ||
| Gross Area sq/ft | 7,171 | Roof Structure | Gable/Hip | ||
| Roof Cover | Wood Shingle | ||||
| Code | Description | Units/SQ ft | Appraised Value | Assessed Value |
| FPL2 | Fireplace 1.5 stories | 2 | $ 9,700 | $ 9,700 |
| FGR2 | Garage- Avg-Wd Shingle | 440 | $ 16,300 | $ 16,300 |
| WDCK | Wood Decking w/railings | 1176 | $ 12,100 | $ 12,100 |
| FEP | Enclosed porch-roof,ceiling | 36 | $ 3,600 | $ 3,600 |
| BMT | Basement-Unfinished | 2045 | $ 36,900 | $ 36,900 |