
| Appraised Value | Assessed Value | |
| Building Value | $ 9,369,600 | $ 9,369,600 |
| Extra Features | $ 335,400 | $ 335,400 |
| Outbuildings | $ 184,500 | $ 184,500 |
| Land Value | $ 6,366,300 | $ 6,366,300 |
| Totals | $ 16,255,800 | $ 16,255,800 |
| 2026
Hyannis FD Tax (Commercial) $ 0 Hyannis FD Tax (Residential) $ 0 Town Tax (Commercial) $ 0 Town Tax (Residential) $ 0 Total: $ 0 |
2025
Hyannis FD Tax (Commercial) $ 0 Hyannis FD Tax (Residential) $ 0 Town Tax (Commercial) $ 0 Town Tax (Residential) $ 0 Total: $ 0 |
| Owner: | Sale Date | Book/Page: | Sale Price: |
| BARNSTABLE, TOWN OF (MUN) | 2002-09-19 | 15617/0340 | $0 |
| BARNSTABLE, TOWN OF (MUN) | 1977-03-08 | 2580/0106 | $0 |
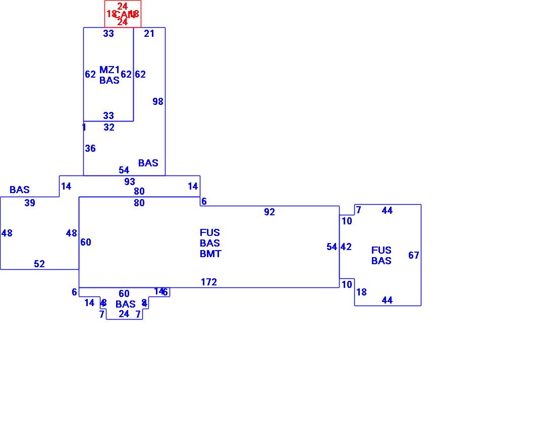
| As Built Cards:Click card # to view: | Card #1 | |

| B2N | Barn-any 2nd story area | FPC | Open Porch Concrete Floor | REF | Reference Only |
| BAS | First Floor, Living Area | FTS | Third Story Living Area (Finished) | SOL | Solarium |
| BMT | Basement Area (Unfinished) | FUS | Second Story Living Area (Finished) | SPE | Pool Enclosure |
| BRN | Barn | GAR | Garage | TQS | Three Quarters Story (Finished) |
| CAN | Canopy | GAZ | Gazebo | UAT | Attic Area (Unfinished) |
| CLP | Loading Platform | GRN | Greenhouse | UHS | Half Story (Unfinished) |
| FAT | Attic Area (Finished) | GXT | Garage Extension Front | UST | Utility Area (Unfinished) |
| FCP | Carport | KEN | Kennel | UTQ | Three Quarters Story (Unfinished) |
| FEP | Enclosed Porch | MZ1 | Mezzanine, Unfinished | UUA | Unfinished Utility Attic |
| FHS | Half Story (Finished) | PRG | Pergola | UUS | Full Upper 2nd Story (Unfinished) |
| FOP | Open or Screened in Porch | PRT | Portico | WDK | Wood Deck |
| PTO | Patio | ||||
Building |
Details |
Land |
|||
| Building value | $ 9,369,600 | Bedrooms | 00 | USE CODE | 931I |
| Replacement Cost | $11,154,312 | Bathrooms | 0 Full-0 Half | Lot Size (Acres) | 8.71 |
| Model | Ind/Comm | Total Rooms | Appraised Value | $ 6,366,300 | |
| Style | Police Station | Heat Fuel | Gas | Assessed Value | $ 6,366,300 |
| Grade | Average | Heat Type | Hot Air | ||
| Year Built | 1981 | AC Type | Central | ||
| Effective depreciation | 16 | Interior Floors | Carpet | ||
| Stories | 2 | Interior Walls | Drywall | ||
| Living Area sq/ft | 37,169 | Exterior Walls | Brick/Masonry | ||
| Gross Area sq/ft | 48,392 | Roof Structure | Gable/Hip | ||
| Roof Cover | Asph/F Gls/Cmp | ||||
| Code | Description | Units/SQ ft | Appraised Value | Assessed Value |
| OFLC | Office Finish-Low Cost | 8964 | $ 335,400 | $ 335,400 |
| GEN1 | Large Generator | 1 | $ 24,000 | $ 24,000 |
| PAV1 | PAVING-ASPHALT | 50000 | $ 90,000 | $ 90,000 |
| FGPL | Flagpole-25' | 1 | $ 2,200 | $ 2,200 |
| TWR3 | Tower - 3 Sty | 36 | $ 23,600 | $ 23,600 |
| LTHL | Halide Light FIxture | 3 | $ 4,400 | $ 4,400 |
| FNC5 | FENCE-10'CHAIN | 1104 | $ 36,400 | $ 36,400 |
| FNC9 | Fence Gate 10' | 5 | $ 3,900 | $ 3,900 |