
| Appraised Value | Assessed Value | |
| Building Value | $ 286,900 | $ 286,900 |
| Extra Features | $ 4,200 | $ 4,200 |
| Outbuildings | $ 4,100 | $ 4,100 |
| Land Value | $ 179,000 | $ 179,000 |
| Totals | $ 474,200 | $ 474,200 |
| 2026
Community Preservation Act Tax $ 96.74 Hyannis FD Tax (Commercial) $ 0 Hyannis FD Tax (Residential) $ 1,138.08 Town Tax (Commercial) $ 0 Town Tax (Residential) $ 3,224.56 Total: $ 4,459.38 |
2025
Community Preservation Act Tax $ 94.69 Hyannis FD Tax (Commercial) $ 0 Hyannis FD Tax (Residential) $ 1,059.68 Town Tax (Commercial) $ 0 Town Tax (Residential) $ 3,156.31 Total: $ 4,310.68 |
| Owner: | Sale Date | Book/Page: | Sale Price: |
| ALIOTTA, ARMAND A & GAETANA M | 2007-10-26 | 22428/0306 | $275000 |
| PARKER, DEBORAH L | 2000-12-08 | 13415/0288 | $145000 |
| RZASA, KENNETH A & MARY M | 1989-09-15 | 6895/0057 | $119000 |
| SHRANK, MADELEINE | 1988-10-15 | 6477/0156 | $1 |
| SHRANK, LEON | 1980-09-02 | 3147/0115 | $40900 |
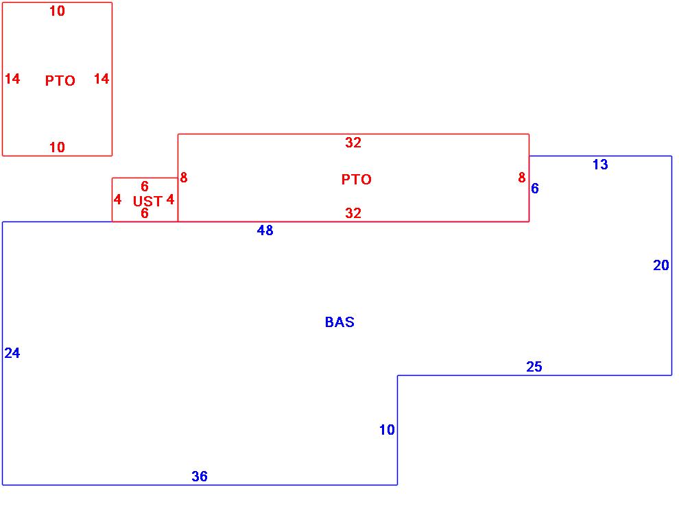
| As Built Cards:Click card # to view: | Card #1 | |

| B2N | Barn-any 2nd story area | FPC | Open Porch Concrete Floor | REF | Reference Only |
| BAS | First Floor, Living Area | FTS | Third Story Living Area (Finished) | SOL | Solarium |
| BMT | Basement Area (Unfinished) | FUS | Second Story Living Area (Finished) | SPE | Pool Enclosure |
| BRN | Barn | GAR | Garage | TQS | Three Quarters Story (Finished) |
| CAN | Canopy | GAZ | Gazebo | UAT | Attic Area (Unfinished) |
| CLP | Loading Platform | GRN | Greenhouse | UHS | Half Story (Unfinished) |
| FAT | Attic Area (Finished) | GXT | Garage Extension Front | UST | Utility Area (Unfinished) |
| FCP | Carport | KEN | Kennel | UTQ | Three Quarters Story (Unfinished) |
| FEP | Enclosed Porch | MZ1 | Mezzanine, Unfinished | UUA | Unfinished Utility Attic |
| FHS | Half Story (Finished) | PRG | Pergola | UUS | Full Upper 2nd Story (Unfinished) |
| FOP | Open or Screened in Porch | PRT | Portico | WDK | Wood Deck |
| PTO | Patio | ||||
Building |
Details |
Land |
|||
| Building value | $ 286,900 | Bedrooms | 3 Bedrooms | USE CODE | 1010 |
| Replacement Cost | $382,568 | Bathrooms | 1 Full-1 Half | Lot Size (Acres) | 0.22 |
| Model | Residential | Total Rooms | 6 | Appraised Value | $ 179,000 |
| Style | Ranch | Heat Fuel | Gas | Assessed Value | $ 179,000 |
| Grade | Average Minus | Heat Type | Hot Water | ||
| Year Built | 1965 | AC Type | Central | ||
| Effective depreciation | 25 | Interior Floors | Carpet | ||
| Stories | 1 Story | Interior Walls | Drywall | ||
| Living Area sq/ft | 1,292 | Exterior Walls | Wood Shingle | ||
| Gross Area sq/ft | 1,712 | Roof Structure | Gable/Hip | ||
| Roof Cover | Asph/F Gls/Cmp | ||||
| Code | Description | Units/SQ ft | Appraised Value | Assessed Value |
| FPL1 | Fireplace 1 story | 1 | $ 3,800 | $ 3,800 |
| PAT1 | Patio- Average | 256 | $ 1,200 | $ 1,200 |
| UST | Utility Storage-attached | 24 | $ 400 | $ 400 |
| PAT2 | Patio-Good | 140 | $ 1,200 | $ 1,200 |
| SHED | Shed | 96 | $ 1,700 | $ 1,700 |