
| Appraised Value | Assessed Value | |
| Building Value | $ 458,900 | $ 458,900 |
| Extra Features | $ 53,700 | $ 53,700 |
| Outbuildings | $ 19,100 | $ 19,100 |
| Land Value | $ 180,500 | $ 180,500 |
| Totals | $ 712,200 | $ 712,200 |
| 2026
Community Preservation Act Tax $ 145.29 Hyannis FD Tax (Commercial) $ 0 Hyannis FD Tax (Residential) $ 1,709.28 Town Tax (Commercial) $ 0 Town Tax (Residential) $ 4,842.96 Total: $ 6,697.53 |
2025
Community Preservation Act Tax $ 143.26 Hyannis FD Tax (Commercial) $ 0 Hyannis FD Tax (Residential) $ 1,603.27 Town Tax (Commercial) $ 0 Town Tax (Residential) $ 4,775.41 Total: $ 6,521.94 |
| Owner: | Sale Date | Book/Page: | Sale Price: |
| VENTRIGLIA, SALVATORE A | 2008-04-30 | 22872/0166 | $367000 |
| COTE, MARION E | 1996-10-18 | 10441/0099 | $145000 |
| KIERSTEAD, ELEANOR V | 1995-10-15 | 9891/0085 | $33000 |
| SHERMONT, ROGER & IRENE | 1970-11-06 | 1489/0108 | $7200 |
| As Built Cards:Click card # to view: | Card #1 | |

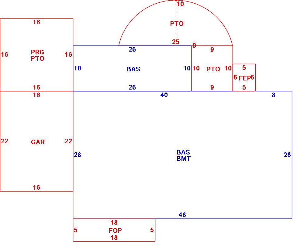
| B2N | Barn-any 2nd story area | FPC | Open Porch Concrete Floor | REF | Reference Only |
| BAS | First Floor, Living Area | FTS | Third Story Living Area (Finished) | SOL | Solarium |
| BMT | Basement Area (Unfinished) | FUS | Second Story Living Area (Finished) | SPE | Pool Enclosure |
| BRN | Barn | GAR | Garage | TQS | Three Quarters Story (Finished) |
| CAN | Canopy | GAZ | Gazebo | UAT | Attic Area (Unfinished) |
| CLP | Loading Platform | GRN | Greenhouse | UHS | Half Story (Unfinished) |
| FAT | Attic Area (Finished) | GXT | Garage Extension Front | UST | Utility Area (Unfinished) |
| FCP | Carport | KEN | Kennel | UTQ | Three Quarters Story (Unfinished) |
| FEP | Enclosed Porch | MZ1 | Mezzanine, Unfinished | UUA | Unfinished Utility Attic |
| FHS | Half Story (Finished) | PRG | Pergola | UUS | Full Upper 2nd Story (Unfinished) |
| FOP | Open or Screened in Porch | PRT | Portico | WDK | Wood Deck |
| PTO | Patio | ||||
Building |
Details |
Land |
|||
| Building value | $ 458,900 | Bedrooms | 3 Bedrooms | USE CODE | 1010 |
| Replacement Cost | $527,503 | Bathrooms | 1 Full-1 Half | Lot Size (Acres) | 0.23 |
| Model | Residential | Total Rooms | 5 Rooms | Appraised Value | $ 180,500 |
| Style | Ranch | Heat Fuel | Gas | Assessed Value | $ 180,500 |
| Grade | Average Plus | Heat Type | Hot Water | ||
| Year Built | 1995 | AC Type | Central | ||
| Effective depreciation | 13 | Interior Floors | Hardwood | ||
| Stories | 1 Story | Interior Walls | Drywall | ||
| Living Area sq/ft | 1,604 | Exterior Walls | Wood Shingle | ||
| Gross Area sq/ft | 4,208 | Roof Structure | Gable/Hip | ||
| Roof Cover | Asph/F Gls/Cmp | ||||
| Code | Description | Units/SQ ft | Appraised Value | Assessed Value |
| FPL1 | Fireplace 1 story | 1 | $ 4,400 | $ 4,400 |
| PAT1 | Patio- Average | 532 | $ 2,700 | $ 2,700 |
| FOP | Open Porch-roof-ceiling | 90 | $ 4,500 | $ 4,500 |
| FEP | Enclosed porch-roof,ceiling | 30 | $ 3,500 | $ 3,500 |
| GAR | Attached Garage | 352 | $ 12,900 | $ 12,900 |
| BMT | Basement-Unfinished | 1344 | $ 28,400 | $ 28,400 |
| FPLO | Outdoor firepl - custom | 1 | $ 12,600 | $ 12,600 |
| PRG1 | Pergola-Avg | 256 | $ 3,800 | $ 3,800 |