
| Appraised Value | Assessed Value | |
| Building Value | $ 534,600 | $ 534,600 |
| Extra Features | $ 44,400 | $ 44,400 |
| Outbuildings | $ 10,100 | $ 10,100 |
| Land Value | $ 180,400 | $ 180,400 |
| Totals | $ 769,500 | $ 769,500 |
| 2026
Community Preservation Act Tax $ 100.92 Hyannis FD Tax (Commercial) $ 0 Hyannis FD Tax (Residential) $ 1,846.80 Town Tax (Commercial) $ 0 Town Tax (Residential) $ 3,364.05 Total: $ 5,311.77 |
2025
Community Preservation Act Tax $ 108.08 Hyannis FD Tax (Commercial) $ 0 Hyannis FD Tax (Residential) $ 1,754.26 Town Tax (Commercial) $ 0 Town Tax (Residential) $ 3,602.61 Total: $ 5,464.95 |
| Residential Exemption Received= $274,787 |
Residential Exemption Received= $233,792 |
| Owner: | Sale Date | Book/Page: | Sale Price: |
| Resident | 2002-12-23 | 16129/0088 | $1 |
| Resident | 1999-07-20 | 12419/0222 | $1 |
| Resident | 1989-04-05 | 6688/0289 | $1 |
| Resident | 1988-12-02 | 6539/0304 | $1 |
| Resident | 1986-11-20 | 5414/0140 | $132000 |
| Resident | 1986-09-15 | 5316/0312 | $1 |
| Resident | 1984-04-13 | 4067/0014 | $75900 |
| Resident | 1983-10-03 | 3885/0229 | $69000 |
| Resident | 1983-05-04 | 3732/0002 | $33000 |
| As Built Cards:Click card # to view: | Card #1 | | Card #2 | |

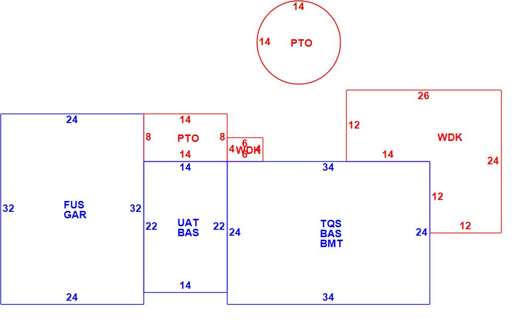
| B2N | Barn-any 2nd story area | FPC | Open Porch Concrete Floor | REF | Reference Only |
| BAS | First Floor, Living Area | FTS | Third Story Living Area (Finished) | SOL | Solarium |
| BMT | Basement Area (Unfinished) | FUS | Second Story Living Area (Finished) | SPE | Pool Enclosure |
| BRN | Barn | GAR | Garage | TQS | Three Quarters Story (Finished) |
| CAN | Canopy | GAZ | Gazebo | UAT | Attic Area (Unfinished) |
| CLP | Loading Platform | GRN | Greenhouse | UHS | Half Story (Unfinished) |
| FAT | Attic Area (Finished) | GXT | Garage Extension Front | UST | Utility Area (Unfinished) |
| FCP | Carport | KEN | Kennel | UTQ | Three Quarters Story (Unfinished) |
| FEP | Enclosed Porch | MZ1 | Mezzanine, Unfinished | UUA | Unfinished Utility Attic |
| FHS | Half Story (Finished) | PRG | Pergola | UUS | Full Upper 2nd Story (Unfinished) |
| FOP | Open or Screened in Porch | PRT | Portico | WDK | Wood Deck |
| PTO | Patio | ||||
Building |
Details |
Land |
|||
| Building value | $ 534,600 | Bedrooms | 4 Bedrooms | USE CODE | 1010 |
| Replacement Cost | $652,007 | Bathrooms | 3 Full-0 Half | Lot Size (Acres) | 0.67 |
| Model | Residential | Total Rooms | 9 Rooms | Appraised Value | $ 180,400 |
| Style | Cape Cod | Heat Fuel | Gas | Assessed Value | $ 180,400 |
| Grade | Average | Heat Type | Hot Air | ||
| Year Built | 1984 | AC Type | Central | ||
| Effective depreciation | 18 | Interior Floors | Carpet | ||
| Stories | 1 3/4 Stories | Interior Walls | Drywall | ||
| Living Area sq/ft | 2,422 | Exterior Walls | Wood Shingle | ||
| Gross Area sq/ft | 5,346 | Roof Structure | Gable/Hip | ||
| Roof Cover | Asph/F Gls/Cmp | ||||
| Code | Description | Units/SQ ft | Appraised Value | Assessed Value |
| FPL2 | Fireplace 1.5 stories | 1 | $ 4,900 | $ 4,900 |
| WDC | Wood Deck w/o railings | 480 | $ 4,900 | $ 4,900 |
| PAT1 | Patio- Average | 112 | $ 600 | $ 600 |
| GAR | Attached Garage | 768 | $ 20,700 | $ 20,700 |
| BMT | Basement-Unfinished | 816 | $ 18,800 | $ 18,800 |
| PAT2 | Patio-Good | 154 | $ 1,700 | $ 1,700 |
| FPIT | Fire Pit | 1 | $ 2,900 | $ 2,900 |