
| Appraised Value | Assessed Value | |
| Building Value | $ 624,500 | $ 624,500 |
| Extra Features | $ 47,100 | $ 47,100 |
| Outbuildings | $ 25,700 | $ 25,700 |
| Land Value | $ 212,000 | $ 212,000 |
| Totals | $ 909,300 | $ 909,300 |
| 2026
C.O.M.M. FD Tax (Commercial) $ 0 C.O.M.M. FD Tax (Residential) $ 1,045.70 Community Preservation Act Tax $ 129.44 Town Tax (Commercial) $ 0 Town Tax (Residential) $ 4,314.69 Total: $ 5,489.83 |
2025
C.O.M.M. FD Tax (Commercial) $ 0 C.O.M.M. FD Tax (Residential) $ 979 Community Preservation Act Tax $ 128.57 Town Tax (Commercial) $ 0 Town Tax (Residential) $ 4,285.51 Total: $ 5,393.08 |
| Residential Exemption Received= $274,787 |
Residential Exemption Received= $233,792 |
| Owner: | Sale Date | Book/Page: | Sale Price: |
| CHIN, PHILLIP & SHERIDA | 2021-05-27 | 34154/185 | $750000 |
| FRANK, SCOTT M & MARILDA D | 1999-05-13 | 12265/0213 | $300000 |
| HESLINGA, STEVEN GERALD & LYNN | 1985-06-15 | 4580/0286 | $75000 |
| OBRIEN, MARY K | 1974-09-12 | 2095/0135 | $0 |
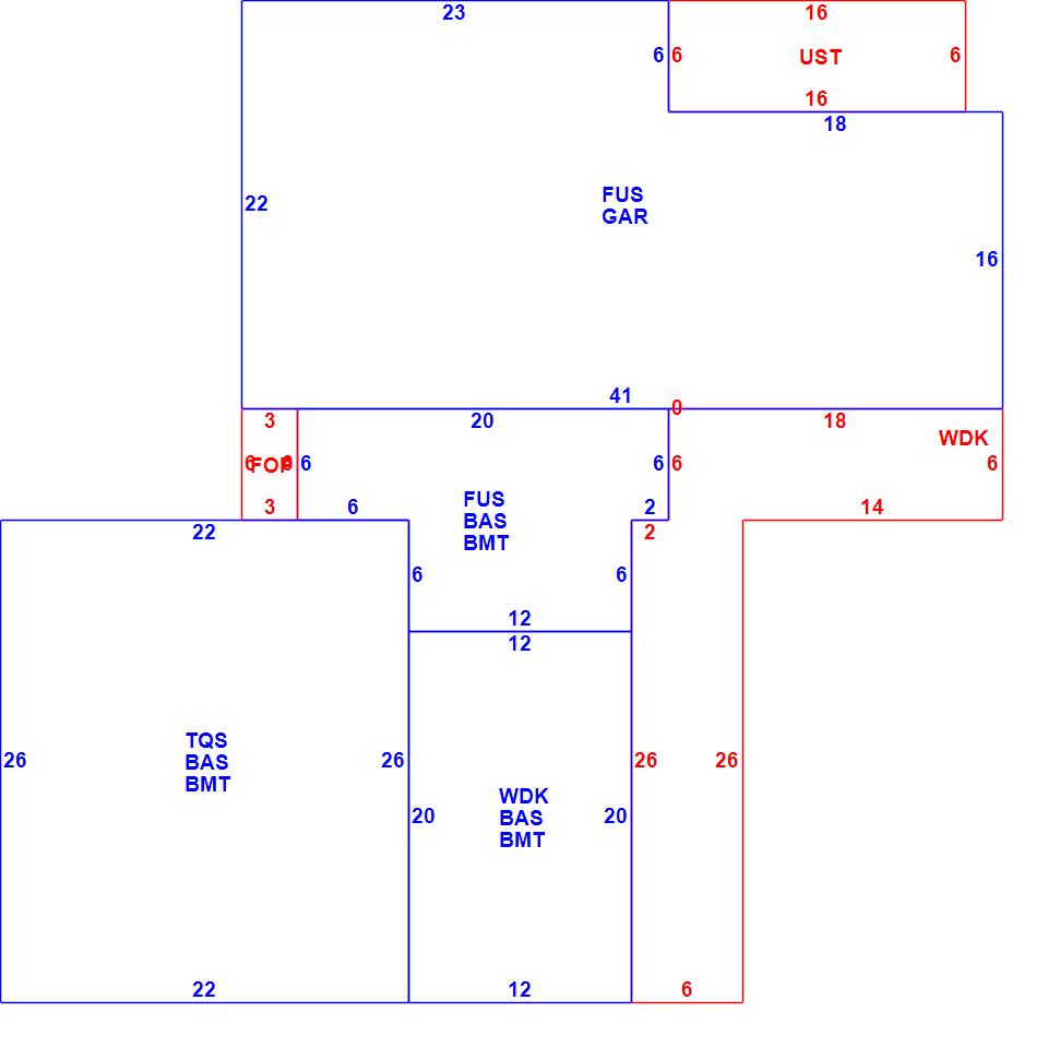
| As Built Cards:Click card # to view: | Card #1 | | Card #2 | | Card #3 | | Card #4 | | Card #5 | |
This property contains multiple sketches.

| B2N | Barn-any 2nd story area | FPC | Open Porch Concrete Floor | REF | Reference Only |
| BAS | First Floor, Living Area | FTS | Third Story Living Area (Finished) | SOL | Solarium |
| BMT | Basement Area (Unfinished) | FUS | Second Story Living Area (Finished) | SPE | Pool Enclosure |
| BRN | Barn | GAR | Garage | TQS | Three Quarters Story (Finished) |
| CAN | Canopy | GAZ | Gazebo | UAT | Attic Area (Unfinished) |
| CLP | Loading Platform | GRN | Greenhouse | UHS | Half Story (Unfinished) |
| FAT | Attic Area (Finished) | GXT | Garage Extension Front | UST | Utility Area (Unfinished) |
| FCP | Carport | KEN | Kennel | UTQ | Three Quarters Story (Unfinished) |
| FEP | Enclosed Porch | MZ1 | Mezzanine, Unfinished | UUA | Unfinished Utility Attic |
| FHS | Half Story (Finished) | PRG | Pergola | UUS | Full Upper 2nd Story (Unfinished) |
| FOP | Open or Screened in Porch | PRT | Portico | WDK | Wood Deck |
| PTO | Patio | ||||
Building |
Details |
Land |
|||
| Building value | $ 624,500 | Bedrooms | 4 Bedrooms | USE CODE | 1090 |
| Replacement Cost | $625,828 | Bathrooms | 3 Full-1 Half | Lot Size (Acres) | 0.75 |
| Model | Residential | Total Rooms | 6 Rooms | Appraised Value | $ 212,000 |
| Style | Modern/Contemp | Heat Fuel | Gas | Assessed Value | $ 212,000 |
| Grade | Average Plus | Heat Type | Hot Water | ||
| Year Built | 1960 | AC Type | None | ||
| Effective depreciation | 23 | Interior Floors | HardwoodCarpet | ||
| Stories | 2 Stories | Interior Walls | Drywall | ||
| Living Area sq/ft | 2,362 | Exterior Walls | Wood Shingle | ||
| Gross Area sq/ft | 4,978 | Roof Structure | Gable/Hip | ||
| Roof Cover | Asph/F Gls/Cmp | ||||
| Code | Description | Units/SQ ft | Appraised Value | Assessed Value |
| BFA | Bsmt Fin-Avg | 418 | $ 5,600 | $ 5,600 |
| SPL2 | Pool Vinyl | 512 | $ 18,000 | $ 18,000 |
| WDCC | Deck composite no railings | 504 | $ 6,400 | $ 6,400 |
| UST | Utility Storage-attached | 114 | $ 1,100 | $ 1,100 |
| GAR | Attached Garage | 794 | $ 19,900 | $ 19,900 |
| BMT | Basement-Unfinished | 1004 | $ 20,500 | $ 20,500 |
| GRN2 | COMM GLASS - GOOD | 550 | $ 800 | $ 800 |
| PAT1 | Patio- Average | 144 | $ 500 | $ 500 |