
| Appraised Value | Assessed Value | |
| Building Value | $ 356,500 | $ 356,500 |
| Extra Features | $ 76,200 | $ 76,200 |
| Outbuildings | $ 9,300 | $ 9,300 |
| Land Value | $ 407,400 | $ 407,400 |
| Totals | $ 849,400 | $ 849,400 |
| 2026
C.O.M.M. FD Tax (Commercial) $ 0 C.O.M.M. FD Tax (Residential) $ 976.81 Community Preservation Act Tax $ 173.28 Town Tax (Commercial) $ 0 Town Tax (Residential) $ 5,775.92 Total: $ 6,926.01 |
2025
C.O.M.M. FD Tax (Commercial) $ 0 C.O.M.M. FD Tax (Residential) $ 917.36 Community Preservation Act Tax $ 166.08 Town Tax (Commercial) $ 0 Town Tax (Residential) $ 5,536.04 Total: $ 6,619.48 |
| Owner: | Sale Date | Book/Page: | Sale Price: |
| CHANDRA, SHAILESH & SHUBHRA TRS | 2021-01-14 | C225083/0 | $765000 |
| ONEIL, CARMEL E ESTATE OF | 2020-05-20 | BA20P1062EA/0 | $0 |
| ONEIL, CARMEL E | 1998-08-03 | C149596/0 | $354000 |
| MESSNER, CHARLOTTE ROBERTS | 1995-10-15 | C138795/0 | $100 |
| MESSNER, CHARLOTTE ROBERTS | 1993-10-15 | C131752/0 | $1 |
| MESSNER, WARREN A & CHARLOTTE ROBERTS | 1990-05-23 | C120567/0 | $270000 |
| CAPE COD BANK & TRUST CO | 1989-10-15 | C118857/0 | $265000 |
| GABLE, JAMES E | 1985-12-15 | C104421/0 | $65000 |
| POLLENZ, KENNETH A TR | 1981-10-29 | C87212/0 | $0 |
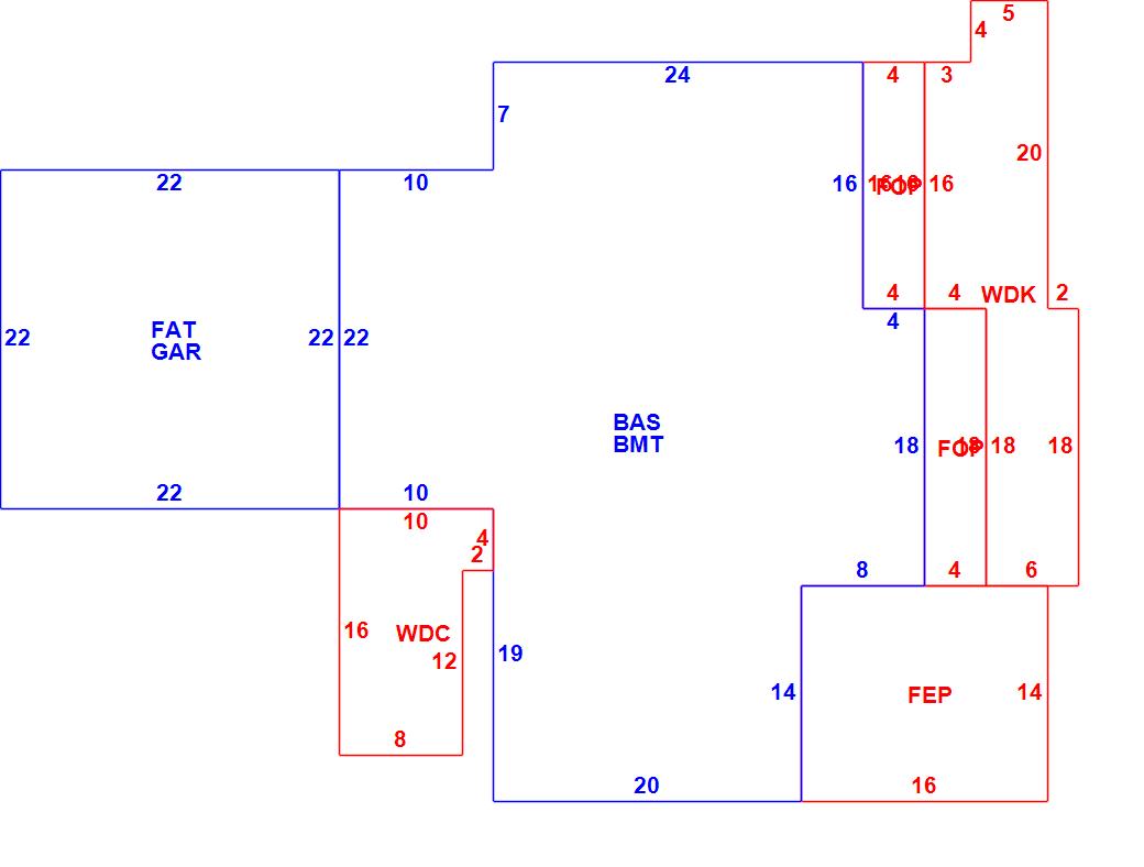
| As Built Cards:Click card # to view: | Card #1 | |

| B2N | Barn-any 2nd story area | FPC | Open Porch Concrete Floor | REF | Reference Only |
| BAS | First Floor, Living Area | FTS | Third Story Living Area (Finished) | SOL | Solarium |
| BMT | Basement Area (Unfinished) | FUS | Second Story Living Area (Finished) | SPE | Pool Enclosure |
| BRN | Barn | GAR | Garage | TQS | Three Quarters Story (Finished) |
| CAN | Canopy | GAZ | Gazebo | UAT | Attic Area (Unfinished) |
| CLP | Loading Platform | GRN | Greenhouse | UHS | Half Story (Unfinished) |
| FAT | Attic Area (Finished) | GXT | Garage Extension Front | UST | Utility Area (Unfinished) |
| FCP | Carport | KEN | Kennel | UTQ | Three Quarters Story (Unfinished) |
| FEP | Enclosed Porch | MZ1 | Mezzanine, Unfinished | UUA | Unfinished Utility Attic |
| FHS | Half Story (Finished) | PRG | Pergola | UUS | Full Upper 2nd Story (Unfinished) |
| FOP | Open or Screened in Porch | PRT | Portico | WDK | Wood Deck |
| PTO | Patio | ||||
Building |
Details |
Land |
|||
| Building value | $ 356,500 | Bedrooms | 3 Bedrooms | USE CODE | 1010 |
| Replacement Cost | $429,481 | Bathrooms | 2 Full-1 Half | Lot Size (Acres) | 0.8 |
| Model | Residential | Total Rooms | 7 Rooms | Appraised Value | $ 407,400 |
| Style | Modern/Contemp | Heat Fuel | Gas | Assessed Value | $ 407,400 |
| Grade | Average Plus | Heat Type | Hot Water | ||
| Year Built | 1986 | AC Type | None | ||
| Effective depreciation | 17 | Interior Floors | Ceram Clay TilHardwood | ||
| Stories | 1 1/2 Stories | Interior Walls | Plastered | ||
| Living Area sq/ft | 1,461 | Exterior Walls | Clapboard | ||
| Gross Area sq/ft | 4,496 | Roof Structure | Gable/Hip | ||
| Roof Cover | Asph/F Gls/Cmp | ||||
| Code | Description | Units/SQ ft | Appraised Value | Assessed Value |
| FPL2 | Fireplace 1.5 stories | 1 | $ 5,000 | $ 5,000 |
| FPO | Ext FP Opening | 1 | $ 1,700 | $ 1,700 |
| BFA1 | Bsmt Fin-Good-Partitioned | 360 | $ 9,700 | $ 9,700 |
| WDCV | Deck comp w vinyl railings | 256 | $ 7,500 | $ 7,500 |
| WDC | Wood Deck w/o railings | 136 | $ 1,800 | $ 1,800 |
| FOP | Open Porch-roof-ceiling | 136 | $ 5,700 | $ 5,700 |
| GAR | Attached Garage | 484 | $ 15,100 | $ 15,100 |
| BMT | Basement-Unfinished | 1388 | $ 27,800 | $ 27,800 |
| FEP | Enclosed porch-roof,ceiling | 224 | $ 11,200 | $ 11,200 |