
| Appraised Value | Assessed Value | |
| Building Value | $ 820,000 | $ 820,000 |
| Extra Features | $ 70,600 | $ 70,600 |
| Outbuildings | $ 3,900 | $ 3,900 |
| Land Value | $ 275,200 | $ 275,200 |
| Totals | $ 1,169,700 | $ 1,169,700 |
| 2026
C.O.M.M. FD Tax (Commercial) $ 0 C.O.M.M. FD Tax (Residential) $ 1,345.16 Community Preservation Act Tax $ 238.62 Town Tax (Commercial) $ 0 Town Tax (Residential) $ 7,953.96 Total: $ 9,537.74 |
2025
C.O.M.M. FD Tax (Commercial) $ 0 C.O.M.M. FD Tax (Residential) $ 1,332.97 Community Preservation Act Tax $ 241.32 Town Tax (Commercial) $ 0 Town Tax (Residential) $ 8,044.15 Total: $ 9,618.44 |
| Owner: | Sale Date | Book/Page: | Sale Price: |
| KENYON, TERRY C & BREDA R TRS | 2025-10-17 | C240526/0 | $100 |
| KENYON, TERRY C & BREDA | 2014-09-26 | C204523/0 | $1 |
| KENYON, TERRY & BREDA | 1986-11-15 | C108649/0 | $76500 |
| DOMANSKI, TADEUSZ | 1986-10-15 | C103824/0 | $1 |
| KONTRIMAS, SIMONAS | 1957-09-16 | C20965/0 | $0 |
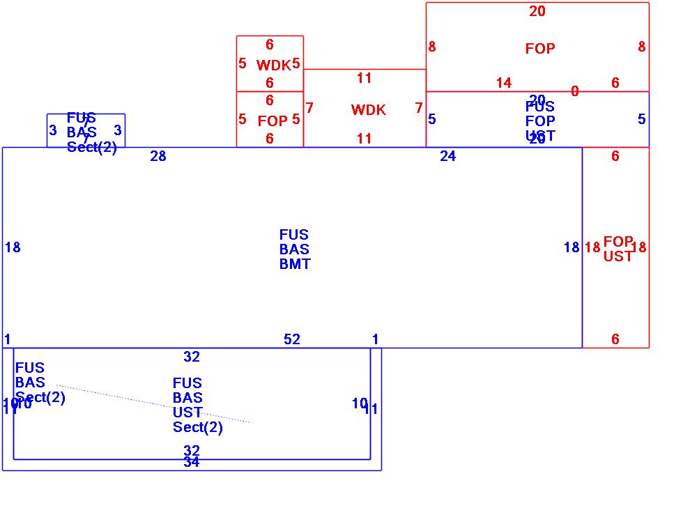
| As Built Cards:Click card # to view: | Card #1 | | Card #2 | | Card #3 | |

| B2N | Barn-any 2nd story area | FPC | Open Porch Concrete Floor | REF | Reference Only |
| BAS | First Floor, Living Area | FTS | Third Story Living Area (Finished) | SOL | Solarium |
| BMT | Basement Area (Unfinished) | FUS | Second Story Living Area (Finished) | SPE | Pool Enclosure |
| BRN | Barn | GAR | Garage | TQS | Three Quarters Story (Finished) |
| CAN | Canopy | GAZ | Gazebo | UAT | Attic Area (Unfinished) |
| CLP | Loading Platform | GRN | Greenhouse | UHS | Half Story (Unfinished) |
| FAT | Attic Area (Finished) | GXT | Garage Extension Front | UST | Utility Area (Unfinished) |
| FCP | Carport | KEN | Kennel | UTQ | Three Quarters Story (Unfinished) |
| FEP | Enclosed Porch | MZ1 | Mezzanine, Unfinished | UUA | Unfinished Utility Attic |
| FHS | Half Story (Finished) | PRG | Pergola | UUS | Full Upper 2nd Story (Unfinished) |
| FOP | Open or Screened in Porch | PRT | Portico | WDK | Wood Deck |
| PTO | Patio | ||||
Building |
Details |
Land |
|||
| Building value | $ 820,000 | Bedrooms | 3 Bedrooms | USE CODE | 1010 |
| Replacement Cost | $944,153 | Bathrooms | 2 Full-1 Half | Lot Size (Acres) | 0.32 |
| Model | Residential | Total Rooms | 6 Rooms | Appraised Value | $ 275,200 |
| Style | Colonial | Heat Fuel | Gas | Assessed Value | $ 275,200 |
| Grade | Custom | Heat Type | Hot Air | ||
| Year Built | 1988 | AC Type | Central | ||
| Effective depreciation | 16 | Interior Floors | HardwoodCarpet | ||
| Stories | 2 Stories | Interior Walls | Drywall | ||
| Living Area sq/ft | 2,762 | Exterior Walls | Wood Shingle | ||
| Gross Area sq/ft | 4,731 | Roof Structure | Gable/Hip | ||
| Roof Cover | Wood Shingle | ||||
| Code | Description | Units/SQ ft | Appraised Value | Assessed Value |
| SHED | Shed | 192 | $ 1,500 | $ 1,500 |
| WDC | Wood Deck w/o railings | 107 | $ 2,400 | $ 2,400 |
| FOP | Open Porch-roof-ceiling | 398 | $ 13,000 | $ 13,000 |
| UST | Utility Storage-attached | 208 | $ 2,000 | $ 2,000 |
| BMT | Basement-Unfinished | 936 | $ 21,300 | $ 21,300 |
| BFA1 | Bsmt Fin-Good-Partitioned | 930 | $ 25,400 | $ 25,400 |
| UST | Utility Storage-attached | 288 | $ 3,000 | $ 3,000 |
| FPL3 | Fireplace 2 story | 1 | $ 5,900 | $ 5,900 |