
| Appraised Value | Assessed Value | |
| Building Value | $ 327,200 | $ 327,200 |
| Extra Features | $ 1,200 | $ 1,200 |
| Outbuildings | $ 1,000 | $ 1,000 |
| Land Value | $ 271,000 | $ 271,000 |
| Totals | $ 600,400 | $ 600,400 |
| 2026
C.O.M.M. FD Tax (Commercial) $ 0 C.O.M.M. FD Tax (Residential) $ 690.46 Community Preservation Act Tax $ 122.48 Town Tax (Commercial) $ 0 Town Tax (Residential) $ 4,082.72 Total: $ 4,895.66 |
2025
C.O.M.M. FD Tax (Commercial) $ 0 C.O.M.M. FD Tax (Residential) $ 668.96 Community Preservation Act Tax $ 121.11 Town Tax (Commercial) $ 0 Town Tax (Residential) $ 4,037 Total: $ 4,827.07 |
| Owner: | Sale Date | Book/Page: | Sale Price: |
| CASSIDY, PATRICK TR | 2019-06-04 | 32066/0220 | $100 |
| CASSIDY, PATRICK | 1999-12-28 | 12748/0068 | $1 |
| SHOCKROO, ELIZABETH TR | 1994-11-14 | 9442/0218 | $22500 |
| DEMAMBRO, ELLEN P | 1994-11-14 | 7383/0044 | $1 |
| PHALAN, KATHERINE | 1984-01-15 | 4002/0072 | $0 |
| PHALAN, J LAURENCE & KATHERINE D | 1960-05-11 | 1077/0005 | $0 |
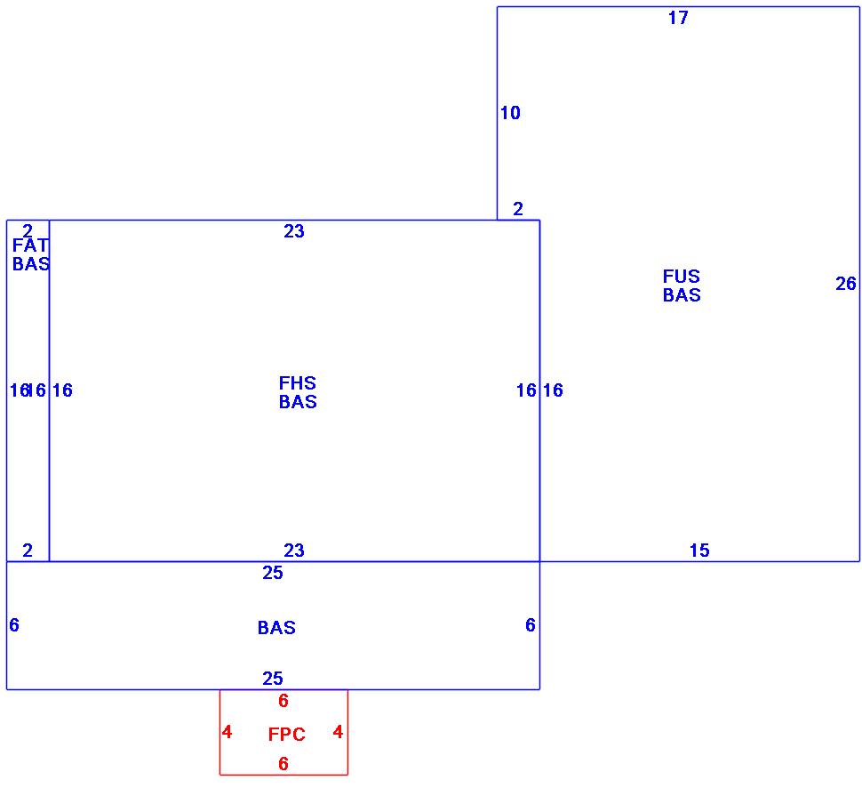
| As Built Cards:Click card # to view: | Card #1 | |
This property contains multiple sketches.

| B2N | Barn-any 2nd story area | FPC | Open Porch Concrete Floor | REF | Reference Only |
| BAS | First Floor, Living Area | FTS | Third Story Living Area (Finished) | SOL | Solarium |
| BMT | Basement Area (Unfinished) | FUS | Second Story Living Area (Finished) | SPE | Pool Enclosure |
| BRN | Barn | GAR | Garage | TQS | Three Quarters Story (Finished) |
| CAN | Canopy | GAZ | Gazebo | UAT | Attic Area (Unfinished) |
| CLP | Loading Platform | GRN | Greenhouse | UHS | Half Story (Unfinished) |
| FAT | Attic Area (Finished) | GXT | Garage Extension Front | UST | Utility Area (Unfinished) |
| FCP | Carport | KEN | Kennel | UTQ | Three Quarters Story (Unfinished) |
| FEP | Enclosed Porch | MZ1 | Mezzanine, Unfinished | UUA | Unfinished Utility Attic |
| FHS | Half Story (Finished) | PRG | Pergola | UUS | Full Upper 2nd Story (Unfinished) |
| FOP | Open or Screened in Porch | PRT | Portico | WDK | Wood Deck |
| PTO | Patio | ||||
Building |
Details |
Land |
|||
| Building value | $ 327,200 | Bedrooms | 3 Bedrooms | USE CODE | 1090 |
| Replacement Cost | $406,993 | Bathrooms | 2 Full-0 Half | Lot Size (Acres) | 0.25 |
| Model | Residential | Total Rooms | 6 Rooms | Appraised Value | $ 271,000 |
| Style | Cape Cod | Heat Fuel | Gas | Assessed Value | $ 271,000 |
| Grade | Average Minus | Heat Type | Hot Water | ||
| Year Built | 1950 | AC Type | None | ||
| Effective depreciation | 31 | Interior Floors | Carpet | ||
| Stories | 1 1/2 Stories | Interior Walls | Drywall | ||
| Living Area sq/ft | 1,559 | Exterior Walls | Wood Shingle | ||
| Gross Area sq/ft | 1,794 | Roof Structure | Gable/Hip | ||
| Roof Cover | Asph/F Gls/Cmp | ||||
| Code | Description | Units/SQ ft | Appraised Value | Assessed Value |
| FOPC | Open Prch-roof, ceiling | 24 | $ 1,200 | $ 1,200 |
| SHED | Shed | 120 | $ 1,000 | $ 1,000 |