
| Appraised Value | Assessed Value | |
| Building Value | $ 447,600 | $ 447,600 |
| Extra Features | $ 25,500 | $ 25,500 |
| Outbuildings | $ 14,000 | $ 14,000 |
| Land Value | $ 773,800 | $ 773,800 |
| Totals | $ 1,260,900 | $ 1,260,900 |
| 2026
C.O.M.M. FD Tax (Commercial) $ 0 C.O.M.M. FD Tax (Residential) $ 1,450.04 Community Preservation Act Tax $ 257.22 Town Tax (Commercial) $ 0 Town Tax (Residential) $ 8,574.12 Total: $ 10,281.38 |
2025
C.O.M.M. FD Tax (Commercial) $ 0 C.O.M.M. FD Tax (Residential) $ 1,702.69 Community Preservation Act Tax $ 308.26 Town Tax (Commercial) $ 0 Town Tax (Residential) $ 10,275.36 Total: $ 12,286.31 |
| Owner: | Sale Date | Book/Page: | Sale Price: |
| 88 HAYES ROAD LLC | 2024-10-25 | 36635/315 | $1 |
| GOLDING, MATTHEW B | 2024-05-08 | 36353/238 | $845833 |
| GOLDING, LAURENCE R & MATTHEW B | 2023-09-27 | 36004/237 | $563888 |
| ROSENBLATT, ELLEN G & GOLDING, LAURENCE R & MATTHEW B | 2023-02-07 | 35628/269 | $100 |
| ROSENBLATT, DAVID P & COHEN, CLIFFORD R TRS | 2022-08-01 | 35628/266 | $0 |
| GOLDING, SANDRA H TR | 2021-08-08 | NO21P2434EA/0 | $0 |
| GOLDING, JORDAN L & SANDRA H TRS | 2018-05-04 | 31246/0201 | $100 |
| GOLDING, JORDAN L | 2018-05-04 | 31246/0196 | $100 |
| GOLDING, JORDAN L & SANDRA H TRS | 1994-04-13 | 9143/0298 | $1 |
| GOLDING, SANDRA H | 1973-01-10 | 1787/0112 | $63000 |
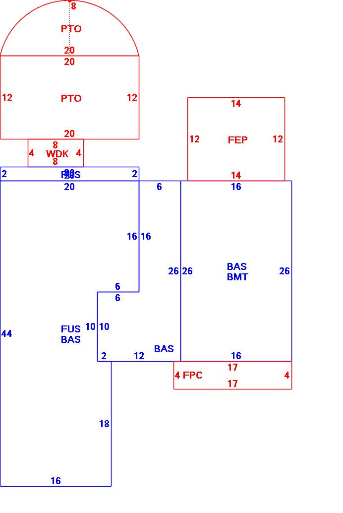
| As Built Cards:Click card # to view: | Card #1 | |

| B2N | Barn-any 2nd story area | FPC | Open Porch Concrete Floor | REF | Reference Only |
| BAS | First Floor, Living Area | FTS | Third Story Living Area (Finished) | SOL | Solarium |
| BMT | Basement Area (Unfinished) | FUS | Second Story Living Area (Finished) | SPE | Pool Enclosure |
| BRN | Barn | GAR | Garage | TQS | Three Quarters Story (Finished) |
| CAN | Canopy | GAZ | Gazebo | UAT | Attic Area (Unfinished) |
| CLP | Loading Platform | GRN | Greenhouse | UHS | Half Story (Unfinished) |
| FAT | Attic Area (Finished) | GXT | Garage Extension Front | UST | Utility Area (Unfinished) |
| FCP | Carport | KEN | Kennel | UTQ | Three Quarters Story (Unfinished) |
| FEP | Enclosed Porch | MZ1 | Mezzanine, Unfinished | UUA | Unfinished Utility Attic |
| FHS | Half Story (Finished) | PRG | Pergola | UUS | Full Upper 2nd Story (Unfinished) |
| FOP | Open or Screened in Porch | PRT | Portico | WDK | Wood Deck |
| PTO | Patio | ||||
Building |
Details |
Land |
|||
| Building value | $ 447,600 | Bedrooms | 5 Bedrooms | USE CODE | 1010 |
| Replacement Cost | $604,809 | Bathrooms | 3 Full-0 Half | Lot Size (Acres) | 0.35 |
| Model | Residential | Total Rooms | 10 Rooms | Appraised Value | $ 773,800 |
| Style | Colonial | Heat Fuel | Gas | Assessed Value | $ 773,800 |
| Grade | Average Plus | Heat Type | Hot Water | ||
| Year Built | 1951 | AC Type | Central | ||
| Effective depreciation | 26 | Interior Floors | CarpetHardwood | ||
| Stories | 2 Stories | Interior Walls | Plastered | ||
| Living Area sq/ft | 2,168 | Exterior Walls | Wood Shingle | ||
| Gross Area sq/ft | 3,211 | Roof Structure | Gable/Hip | ||
| Roof Cover | Asph/F Gls/Cmp | ||||
| Code | Description | Units/SQ ft | Appraised Value | Assessed Value |
| FPL1 | Fireplace 1 story | 1 | $ 3,700 | $ 3,700 |
| WDCK | Wood Decking w/railings | 32 | $ 1,000 | $ 1,000 |
| PAT2 | Patio-Good | 359 | $ 2,500 | $ 2,500 |
| FOPC | Open Prch-roof, ceiling | 68 | $ 2,600 | $ 2,600 |
| FEP | Enclosed porch-roof,ceiling | 168 | $ 8,400 | $ 8,400 |
| BMT | Basement-Unfinished | 416 | $ 10,800 | $ 10,800 |
| DKPL | Pond Dock-Light | 1 | $ 4,200 | $ 4,200 |
| SHED | Shed | 96 | $ 700 | $ 700 |
| GEN | Emergency Generator | 1 | $ 5,600 | $ 5,600 |