
| Appraised Value | Assessed Value | |
| Building Value | $ 621,300 | $ 621,300 |
| Extra Features | $ 29,700 | $ 29,700 |
| Outbuildings | $ 46,400 | $ 46,400 |
| Land Value | $ 1,033,100 | $ 1,033,100 |
| Totals | $ 1,730,500 | $ 1,730,500 |
| 2026
C.O.M.M. FD Tax (Commercial) $ 0 C.O.M.M. FD Tax (Residential) $ 1,990.08 Community Preservation Act Tax $ 353.02 Town Tax (Commercial) $ 0 Town Tax (Residential) $ 11,767.40 Total: $ 14,110.50 |
2025
C.O.M.M. FD Tax (Commercial) $ 0 C.O.M.M. FD Tax (Residential) $ 1,917.86 Community Preservation Act Tax $ 347.22 Town Tax (Commercial) $ 0 Town Tax (Residential) $ 11,573.84 Total: $ 13,838.92 |
| Owner: | Sale Date | Book/Page: | Sale Price: |
| WILLIAMS, JENNIFER MORGAN | 2025-03-11 | 36865/321 | $1337500 |
| WILLIAMS, JENNIFER MORGAN | 2012-11-01 | 26816/298 | $675000 |
| COOK, JEFFREY & IRENE | 2004-10-05 | 19103/0219 | $746000 |
| WILLIAMS, JOHN B & JENNIFER M | 2000-06-29 | 13102/0149 | $350000 |
| BAGLEY, THOMAS S | 1997-07-02 | 10834/0066 | $340000 |
| NAGLE, PATRICIA, ALAN & JOAN | 1994-10-15 | 9392/0249 | $115000 |
| GLYNN, ALICE G | 1959-06-16 | 1043/0503 | $0 |
| As Built Cards:Click card # to view: | Card #1 | |

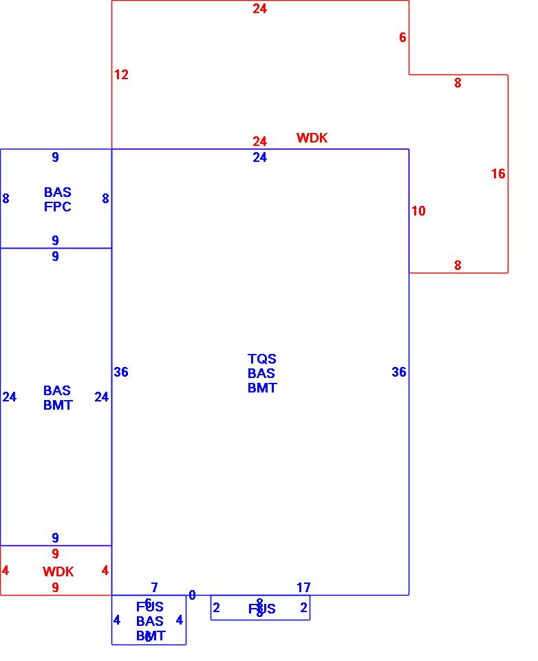
| B2N | Barn-any 2nd story area | FPC | Open Porch Concrete Floor | REF | Reference Only |
| BAS | First Floor, Living Area | FTS | Third Story Living Area (Finished) | SOL | Solarium |
| BMT | Basement Area (Unfinished) | FUS | Second Story Living Area (Finished) | SPE | Pool Enclosure |
| BRN | Barn | GAR | Garage | TQS | Three Quarters Story (Finished) |
| CAN | Canopy | GAZ | Gazebo | UAT | Attic Area (Unfinished) |
| CLP | Loading Platform | GRN | Greenhouse | UHS | Half Story (Unfinished) |
| FAT | Attic Area (Finished) | GXT | Garage Extension Front | UST | Utility Area (Unfinished) |
| FCP | Carport | KEN | Kennel | UTQ | Three Quarters Story (Unfinished) |
| FEP | Enclosed Porch | MZ1 | Mezzanine, Unfinished | UUA | Unfinished Utility Attic |
| FHS | Half Story (Finished) | PRG | Pergola | UUS | Full Upper 2nd Story (Unfinished) |
| FOP | Open or Screened in Porch | PRT | Portico | WDK | Wood Deck |
| PTO | Patio | ||||
Building |
Details |
Land |
|||
| Building value | $ 621,300 | Bedrooms | 3 Bedrooms | USE CODE | 1010 |
| Replacement Cost | $806,871 | Bathrooms | 1 Full-1 Half | Lot Size (Acres) | 1.37 |
| Model | Residential | Total Rooms | 6 Rooms | Appraised Value | $ 1,033,100 |
| Style | Conventional | Heat Fuel | Gas | Assessed Value | $ 1,033,100 |
| Grade | Luxury Minus | Heat Type | Hot Water | ||
| Year Built | 1890 | AC Type | Central | ||
| Effective depreciation | 23 | Interior Floors | HardwoodPine/Soft Wood | ||
| Stories | 1 3/4 Stories | Interior Walls | Plastered | ||
| Living Area sq/ft | 1,778 | Exterior Walls | Wood Shingle | ||
| Gross Area sq/ft | 3,708 | Roof Structure | Gambrel | ||
| Roof Cover | Asph/F Gls/Cmp | ||||
| Code | Description | Units/SQ ft | Appraised Value | Assessed Value |
| BFA1 | Bsmt Fin-Good-Partitioned | 200 | $ 5,000 | $ 5,000 |
| WDCK | Wood Decking w/railings | 452 | $ 2,900 | $ 2,900 |
| FOPC | Open Prch-roof, ceiling | 72 | $ 2,900 | $ 2,900 |
| BMT | Basement-Unfinished | 1104 | $ 21,800 | $ 21,800 |
| GAR2 | Det Gar-w/FHS | 384 | $ 43,500 | $ 43,500 |