
| Appraised Value | Assessed Value | |
| Building Value | $ 556,200 | $ 556,200 |
| Extra Features | $ 56,400 | $ 56,400 |
| Outbuildings | $ 7,900 | $ 7,900 |
| Land Value | $ 276,700 | $ 276,700 |
| Totals | $ 897,200 | $ 897,200 |
| 2026
C.O.M.M. FD Tax (Commercial) $ 0 C.O.M.M. FD Tax (Residential) $ 1,031.78 Community Preservation Act Tax $ 126.97 Town Tax (Commercial) $ 0 Town Tax (Residential) $ 4,232.41 Total: $ 5,391.16 |
2025
C.O.M.M. FD Tax (Commercial) $ 0 C.O.M.M. FD Tax (Residential) $ 937.94 Community Preservation Act Tax $ 121.13 Town Tax (Commercial) $ 0 Town Tax (Residential) $ 4,037.75 Total: $ 5,096.82 |
| Residential Exemption Received= $274,787 |
Residential Exemption Received= $233,792 |
| Owner: | Sale Date | Book/Page: | Sale Price: |
| GOSTAUTAS, MARY A | 2019-08-05 | 32204/0309 | $1 |
| GOSTAUTAS, STASYS & MARY A | 2005-06-03 | 19898/0178 | $500000 |
| CAULO, JAMES E & FRANCES J | 1982-07-15 | 3518/0219 | $125000 |
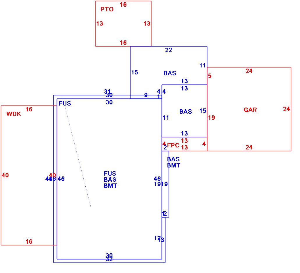
| As Built Cards:Click card # to view: | Card #1 | |

| B2N | Barn-any 2nd story area | FPC | Open Porch Concrete Floor | REF | Reference Only |
| BAS | First Floor, Living Area | FTS | Third Story Living Area (Finished) | SOL | Solarium |
| BMT | Basement Area (Unfinished) | FUS | Second Story Living Area (Finished) | SPE | Pool Enclosure |
| BRN | Barn | GAR | Garage | TQS | Three Quarters Story (Finished) |
| CAN | Canopy | GAZ | Gazebo | UAT | Attic Area (Unfinished) |
| CLP | Loading Platform | GRN | Greenhouse | UHS | Half Story (Unfinished) |
| FAT | Attic Area (Finished) | GXT | Garage Extension Front | UST | Utility Area (Unfinished) |
| FCP | Carport | KEN | Kennel | UTQ | Three Quarters Story (Unfinished) |
| FEP | Enclosed Porch | MZ1 | Mezzanine, Unfinished | UUA | Unfinished Utility Attic |
| FHS | Half Story (Finished) | PRG | Pergola | UUS | Full Upper 2nd Story (Unfinished) |
| FOP | Open or Screened in Porch | PRT | Portico | WDK | Wood Deck |
| PTO | Patio | ||||
Building |
Details |
Land |
|||
| Building value | $ 556,200 | Bedrooms | 5 Bedrooms | USE CODE | 1010 |
| Replacement Cost | $704,062 | Bathrooms | 3 Full-1 Half | Lot Size (Acres) | 0.76 |
| Model | Residential | Total Rooms | 10 Rooms | Appraised Value | $ 276,700 |
| Style | Modern/Contemp | Heat Fuel | Oil | Assessed Value | $ 276,700 |
| Grade | Average Minus | Heat Type | Hot Water | ||
| Year Built | 1975 | AC Type | None | ||
| Effective depreciation | 21 | Interior Floors | Carpet | ||
| Stories | 2 Stories | Interior Walls | Wall Brd/Wood | ||
| Living Area sq/ft | 3,392 | Exterior Walls | Clapboard | ||
| Gross Area sq/ft | 6,286 | Roof Structure | Flat | ||
| Roof Cover | Asph/F Gls/Cmp | ||||
| Code | Description | Units/SQ ft | Appraised Value | Assessed Value |
| FPL3 | Fireplace 2 story | 2 | $ 11,100 | $ 11,100 |
| WDCK | Wood Decking w/railings | 640 | $ 6,600 | $ 6,600 |
| FOPC | Open Prch-roof, ceiling | 52 | $ 2,300 | $ 2,300 |
| GAR | Attached Garage | 576 | $ 16,100 | $ 16,100 |
| BMT | Basement-Unfinished | 1418 | $ 26,900 | $ 26,900 |
| SOL1 | Solar PV Panels 12 - 24 | 22 | $ 0 | $ 0 |
| PAT1 | Patio- Average | 208 | $ 1,300 | $ 1,300 |