
| Appraised Value | Assessed Value | |
| Building Value | $ 381,700 | $ 381,700 |
| Extra Features | $ 54,800 | $ 54,800 |
| Outbuildings | $ 3,400 | $ 3,400 |
| Land Value | $ 186,800 | $ 186,800 |
| Totals | $ 626,700 | $ 626,700 |
| 2026
C.O.M.M. FD Tax (Commercial) $ 0 C.O.M.M. FD Tax (Residential) $ 720.71 Community Preservation Act Tax $ 71.79 Town Tax (Commercial) $ 0 Town Tax (Residential) $ 2,393.01 Total: $ 3,185.51 |
2025
C.O.M.M. FD Tax (Commercial) $ 0 C.O.M.M. FD Tax (Residential) $ 700.93 Community Preservation Act Tax $ 78.22 Town Tax (Commercial) $ 0 Town Tax (Residential) $ 2,607.41 Total: $ 3,386.56 |
| Residential Exemption Received= $274,787 |
Residential Exemption Received= $233,792 |
| Owner: | Sale Date | Book/Page: | Sale Price: |
| KARRAS, JOHN M & CATHLEEN C TRS | 2022-06-06 | 35168/312 | $1 |
| KARRAS, JOHN & CATHLEEN | 2021-08-25 | 34410/157 | $489000 |
| MCDONNELL, BRIDGET | 2010-06-28 | 34410/155 | $0 |
| MCDONNELL, PATRICK J & BRIDGET | 2005-07-06 | 20017/0205 | $1 |
| MCDONNELL, PATRICK J & BRIDGET | 1999-03-01 | 12091/0093 | $177900 |
| SAYLOR, ANN J | 1998-09-30 | 11731/0310 | $1 |
| SAYLOR, ANN J & LANDRY, THOMAS J & ERN | 1994-07-15 | 9277/0186 | $1 |
| SAYLOR, ANN J & LANDRY, THOMAS J & ERN | 1994-07-15 | 9277/0185 | $1 |
| SAYLOR, RICHARD F & ANN J & LANDRY, THOM | 1992-10-15 | 8241/0303 | $1 |
| SAYLOR, RICHARD F | 1978-10-05 | 2797/0068 | $0 |
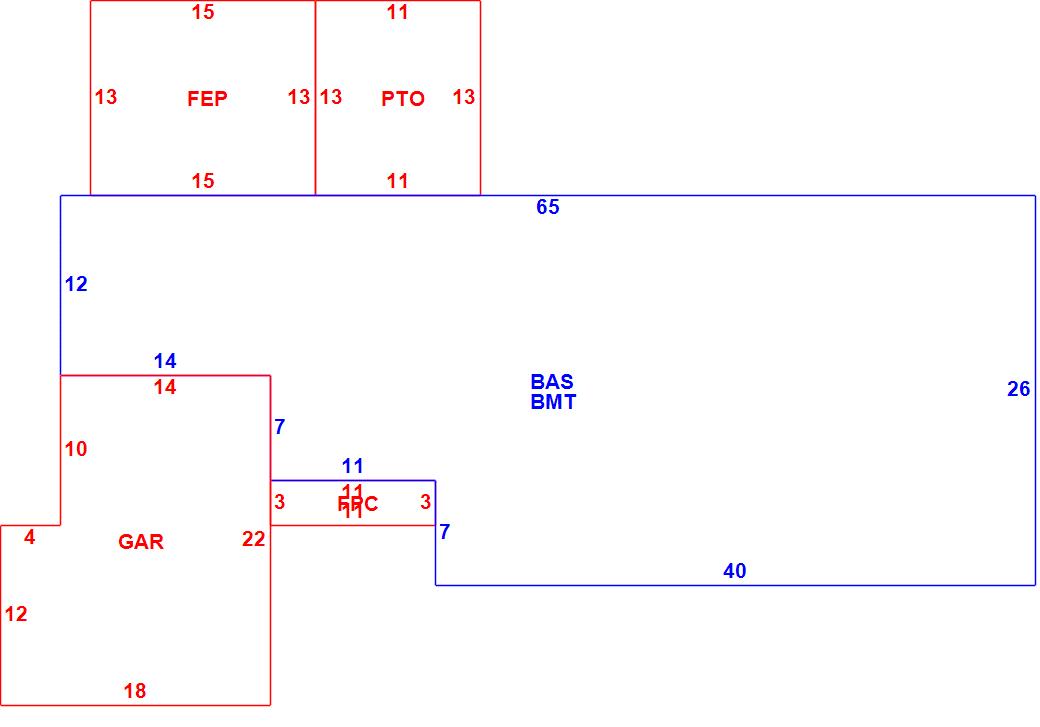
| As Built Cards:Click card # to view: | Card #1 | |

| B2N | Barn-any 2nd story area | FPC | Open Porch Concrete Floor | REF | Reference Only |
| BAS | First Floor, Living Area | FTS | Third Story Living Area (Finished) | SOL | Solarium |
| BMT | Basement Area (Unfinished) | FUS | Second Story Living Area (Finished) | SPE | Pool Enclosure |
| BRN | Barn | GAR | Garage | TQS | Three Quarters Story (Finished) |
| CAN | Canopy | GAZ | Gazebo | UAT | Attic Area (Unfinished) |
| CLP | Loading Platform | GRN | Greenhouse | UHS | Half Story (Unfinished) |
| FAT | Attic Area (Finished) | GXT | Garage Extension Front | UST | Utility Area (Unfinished) |
| FCP | Carport | KEN | Kennel | UTQ | Three Quarters Story (Unfinished) |
| FEP | Enclosed Porch | MZ1 | Mezzanine, Unfinished | UUA | Unfinished Utility Attic |
| FHS | Half Story (Finished) | PRG | Pergola | UUS | Full Upper 2nd Story (Unfinished) |
| FOP | Open or Screened in Porch | PRT | Portico | WDK | Wood Deck |
| PTO | Patio | ||||
Building |
Details |
Land |
|||
| Building value | $ 381,700 | Bedrooms | 2 Bedrooms | USE CODE | 1010 |
| Replacement Cost | $477,134 | Bathrooms | 2 Full-0 Half | Lot Size (Acres) | 0.89 |
| Model | Residential | Total Rooms | 6 Rooms | Appraised Value | $ 186,800 |
| Style | Ranch | Heat Fuel | Gas | Assessed Value | $ 186,800 |
| Grade | Average Plus | Heat Type | Hot Water | ||
| Year Built | 1978 | AC Type | Central | ||
| Effective depreciation | 20 | Interior Floors | Hardwood | ||
| Stories | 1 Story | Interior Walls | Drywall | ||
| Living Area sq/ft | 1,417 | Exterior Walls | Wood Shingle | ||
| Gross Area sq/ft | 3,561 | Roof Structure | Gable/Hip | ||
| Roof Cover | Asph/F Gls/Cmp | ||||
| Code | Description | Units/SQ ft | Appraised Value | Assessed Value |
| FPL1 | Fireplace 1 story | 1 | $ 4,000 | $ 4,000 |
| SHD2 | Shed w/Elec | 240 | $ 2,600 | $ 2,600 |
| PAT1 | Patio- Average | 143 | $ 800 | $ 800 |
| FOPC | Open Prch-roof, ceiling | 33 | $ 1,700 | $ 1,700 |
| FEP | Enclosed porch-roof,ceiling | 195 | $ 9,900 | $ 9,900 |
| GAR | Attached Garage | 356 | $ 12,000 | $ 12,000 |
| BMT | Basement-Unfinished | 1417 | $ 27,200 | $ 27,200 |