
| Appraised Value | Assessed Value | |
| Building Value | $ 406,500 | $ 406,500 |
| Extra Features | $ 50,500 | $ 50,500 |
| Outbuildings | $ 11,300 | $ 11,300 |
| Land Value | $ 170,800 | $ 170,800 |
| Totals | $ 639,100 | $ 639,100 |
| 2026
C.O.M.M. FD Tax (Commercial) $ 0 C.O.M.M. FD Tax (Residential) $ 734.97 Community Preservation Act Tax $ 130.38 Town Tax (Commercial) $ 0 Town Tax (Residential) $ 4,345.88 Total: $ 5,211.23 |
2025
C.O.M.M. FD Tax (Commercial) $ 0 C.O.M.M. FD Tax (Residential) $ 717.72 Community Preservation Act Tax $ 129.94 Town Tax (Commercial) $ 0 Town Tax (Residential) $ 4,331.25 Total: $ 5,178.91 |
| Owner: | Sale Date | Book/Page: | Sale Price: |
| CONDON, KERRY A | 2022-05-31 | 35157/222 | $675000 |
| SCANLON, JAMES R & CYNTHIA D | 2010-11-19 | 25017/0019 | $280000 |
| KESSLER, S M & J H & E W TRS | 2010-11-19 | 25017/0017 | $0 |
| KESSLER, SIDNEY & SUCC TRS | 2005-05-04 | 19792/0177 | $10 |
| KESSLER, SIDNEY | 1995-10-15 | 9885/0138 | $0 |
| KESSLER, SIDNEY & CHARLOTTE M | 1987-10-15 | 5998/0297 | $188500 |
| LOTHROP, PAUL B & MARY JEAN | 1976-12-03 | 2436/0023 | $0 |
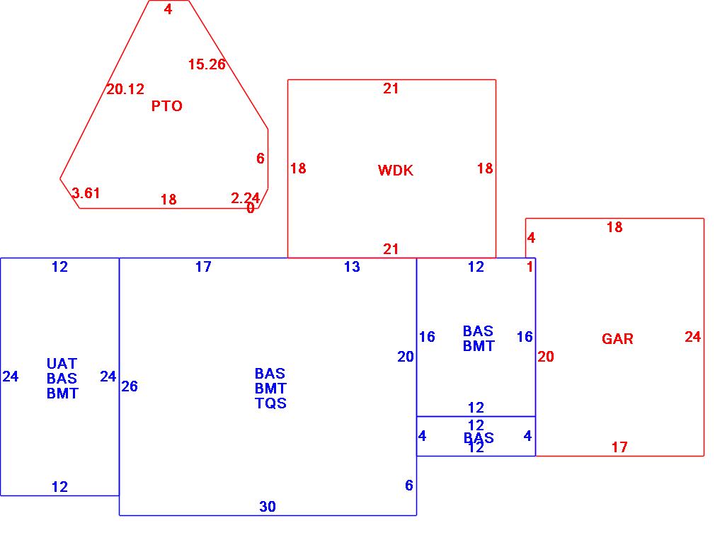
| As Built Cards:Click card # to view: | Card #1 | | Card #2 | |

| B2N | Barn-any 2nd story area | FPC | Open Porch Concrete Floor | REF | Reference Only |
| BAS | First Floor, Living Area | FTS | Third Story Living Area (Finished) | SOL | Solarium |
| BMT | Basement Area (Unfinished) | FUS | Second Story Living Area (Finished) | SPE | Pool Enclosure |
| BRN | Barn | GAR | Garage | TQS | Three Quarters Story (Finished) |
| CAN | Canopy | GAZ | Gazebo | UAT | Attic Area (Unfinished) |
| CLP | Loading Platform | GRN | Greenhouse | UHS | Half Story (Unfinished) |
| FAT | Attic Area (Finished) | GXT | Garage Extension Front | UST | Utility Area (Unfinished) |
| FCP | Carport | KEN | Kennel | UTQ | Three Quarters Story (Unfinished) |
| FEP | Enclosed Porch | MZ1 | Mezzanine, Unfinished | UUA | Unfinished Utility Attic |
| FHS | Half Story (Finished) | PRG | Pergola | UUS | Full Upper 2nd Story (Unfinished) |
| FOP | Open or Screened in Porch | PRT | Portico | WDK | Wood Deck |
| PTO | Patio | ||||
Building |
Details |
Land |
|||
| Building value | $ 406,500 | Bedrooms | 3 Bedrooms | USE CODE | 1010 |
| Replacement Cost | $489,785 | Bathrooms | 2 Full-1 Half | Lot Size (Acres) | 0.53 |
| Model | Residential | Total Rooms | 7 Rooms | Appraised Value | $ 170,800 |
| Style | Cape Cod | Heat Fuel | Gas | Assessed Value | $ 170,800 |
| Grade | Average | Heat Type | Hot Water | ||
| Year Built | 1976 | AC Type | None | ||
| Effective depreciation | 17 | Interior Floors | CarpetHardwood | ||
| Stories | 1 3/4 Stories | Interior Walls | Drywall | ||
| Living Area sq/ft | 1,815 | Exterior Walls | Wood Shingle | ||
| Gross Area sq/ft | 4,730 | Roof Structure | Gable/Hip | ||
| Roof Cover | Asph/F Gls/Cmp | ||||
| Code | Description | Units/SQ ft | Appraised Value | Assessed Value |
| FPL2 | Fireplace 1.5 stories | 1 | $ 5,000 | $ 5,000 |
| WDCK | Wood Decking w/railings | 378 | $ 4,100 | $ 4,100 |
| GAR | Attached Garage | 412 | $ 13,600 | $ 13,600 |
| BMT | Basement-Unfinished | 1260 | $ 25,800 | $ 25,800 |
| SHED | Shed | 160 | $ 2,600 | $ 2,600 |
| PATC | Conc Pavers W/Conc | 304 | $ 4,600 | $ 4,600 |
| BFA | Bsmt Fin-Avg | 420 | $ 6,100 | $ 6,100 |