
| Appraised Value | Assessed Value | |
| Building Value | $ 311,300 | $ 311,300 |
| Extra Features | $ 41,300 | $ 41,300 |
| Outbuildings | $ 4,800 | $ 4,800 |
| Land Value | $ 189,400 | $ 189,400 |
| Totals | $ 546,800 | $ 546,800 |
| 2026
C.O.M.M. FD Tax (Commercial) $ 0 C.O.M.M. FD Tax (Residential) $ 628.82 Community Preservation Act Tax $ 55.49 Town Tax (Commercial) $ 0 Town Tax (Residential) $ 1,849.69 Total: $ 2,534 |
2025
C.O.M.M. FD Tax (Commercial) $ 0 C.O.M.M. FD Tax (Residential) $ 604.90 Community Preservation Act Tax $ 60.84 Town Tax (Commercial) $ 0 Town Tax (Residential) $ 2,027.92 Total: $ 2,693.66 |
| Residential Exemption Received= $274,787 |
Residential Exemption Received= $233,792 |
| Owner: | Sale Date | Book/Page: | Sale Price: |
| REISMANN, ROBERT W & MARJA ELINA | 2020-12-08 | C224668/0 | $433000 |
| GREGORY, SUSAN G & GAETANO | 2018-07-18 | C216788/0 | $355000 |
| DUBOIS, GREGORY F & SUSAN G | 2012-06-29 | C197537/0 | $227500 |
| MORAN, MARGUERITE A | 2002-06-25 | C165715/0 | $237000 |
| GOODE, PETER A & MCCARTHYE, M E | 1986-06-15 | C107284/0 | $1 |
| GOODE, JEFFREY P & GOODE P | 1984-05-15 | C96431/0 | $0 |
| GOODE, JEFFREY P | 1981-04-15 | C85233/0 | $57000 |
| As Built Cards:Click card # to view: | Card #1 | | Card #2 | |

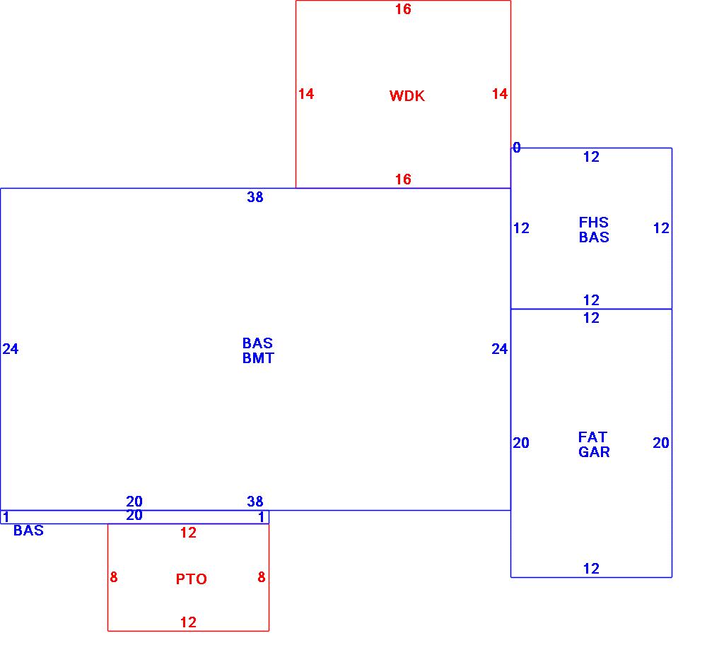
| B2N | Barn-any 2nd story area | FPC | Open Porch Concrete Floor | REF | Reference Only |
| BAS | First Floor, Living Area | FTS | Third Story Living Area (Finished) | SOL | Solarium |
| BMT | Basement Area (Unfinished) | FUS | Second Story Living Area (Finished) | SPE | Pool Enclosure |
| BRN | Barn | GAR | Garage | TQS | Three Quarters Story (Finished) |
| CAN | Canopy | GAZ | Gazebo | UAT | Attic Area (Unfinished) |
| CLP | Loading Platform | GRN | Greenhouse | UHS | Half Story (Unfinished) |
| FAT | Attic Area (Finished) | GXT | Garage Extension Front | UST | Utility Area (Unfinished) |
| FCP | Carport | KEN | Kennel | UTQ | Three Quarters Story (Unfinished) |
| FEP | Enclosed Porch | MZ1 | Mezzanine, Unfinished | UUA | Unfinished Utility Attic |
| FHS | Half Story (Finished) | PRG | Pergola | UUS | Full Upper 2nd Story (Unfinished) |
| FOP | Open or Screened in Porch | PRT | Portico | WDK | Wood Deck |
| PTO | Patio | ||||
Building |
Details |
Land |
|||
| Building value | $ 311,300 | Bedrooms | 4 Bedrooms | USE CODE | 1010 |
| Replacement Cost | $375,056 | Bathrooms | 1 Full-1 Half | Lot Size (Acres) | 0.4 |
| Model | Residential | Total Rooms | 6 Rooms | Appraised Value | $ 189,400 |
| Style | Ranch | Heat Fuel | Gas | Assessed Value | $ 189,400 |
| Grade | Average | Heat Type | Hot Air | ||
| Year Built | 1965 | AC Type | Central | ||
| Effective depreciation | 17 | Interior Floors | Carpet | ||
| Stories | 1 Story | Interior Walls | Drywall | ||
| Living Area sq/ft | 1,184 | Exterior Walls | Wood Shingle | ||
| Gross Area sq/ft | 2,932 | Roof Structure | Gable/Hip | ||
| Roof Cover | Asph/F Gls/Cmp | ||||
| Code | Description | Units/SQ ft | Appraised Value | Assessed Value |
| FPL1 | Fireplace 1 story | 2 | $ 8,300 | $ 8,300 |
| WDC | Wood Deck w/o railings | 224 | $ 2,300 | $ 2,300 |
| GAR | Attached Garage | 240 | $ 9,400 | $ 9,400 |
| BMT | Basement-Unfinished | 912 | $ 20,700 | $ 20,700 |
| BFA | Bsmt Fin-Avg | 200 | $ 2,900 | $ 2,900 |
| PAT2 | Patio-Good | 96 | $ 1,100 | $ 1,100 |
| SHED | Shed | 80 | $ 1,400 | $ 1,400 |