
| Appraised Value | Assessed Value | |
| Building Value | $ 427,300 | $ 427,300 |
| Extra Features | $ 40,100 | $ 40,100 |
| Outbuildings | $ 3,400 | $ 3,400 |
| Land Value | $ 350,700 | $ 350,700 |
| Totals | $ 821,500 | $ 821,500 |
| 2026
C.O.M.M. FD Tax (Commercial) $ 0 C.O.M.M. FD Tax (Residential) $ 944.73 Community Preservation Act Tax $ 111.53 Town Tax (Commercial) $ 0 Town Tax (Residential) $ 3,717.65 Total: $ 4,773.91 |
2025
C.O.M.M. FD Tax (Commercial) $ 0 C.O.M.M. FD Tax (Residential) $ 908.50 Community Preservation Act Tax $ 115.80 Town Tax (Commercial) $ 0 Town Tax (Residential) $ 3,860.08 Total: $ 4,884.38 |
| Residential Exemption Received= $274,787 |
Residential Exemption Received= $233,792 |
| Owner: | Sale Date | Book/Page: | Sale Price: |
| MASTRANGELO, NANCY TR | 2024-06-21 | C236273/0 | $1 |
| MASTRANGELO, NANCY | 2023-03-15 | 1482181/0 | $0 |
| MASTRANGELO, EDWARD & NANCY | 1977-07-12 | C71149/0 | $0 |
AsBuilt Card N/A

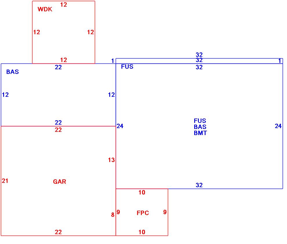
| B2N | Barn-any 2nd story area | FPC | Open Porch Concrete Floor | REF | Reference Only |
| BAS | First Floor, Living Area | FTS | Third Story Living Area (Finished) | SOL | Solarium |
| BMT | Basement Area (Unfinished) | FUS | Second Story Living Area (Finished) | SPE | Pool Enclosure |
| BRN | Barn | GAR | Garage | TQS | Three Quarters Story (Finished) |
| CAN | Canopy | GAZ | Gazebo | UAT | Attic Area (Unfinished) |
| CLP | Loading Platform | GRN | Greenhouse | UHS | Half Story (Unfinished) |
| FAT | Attic Area (Finished) | GXT | Garage Extension Front | UST | Utility Area (Unfinished) |
| FCP | Carport | KEN | Kennel | UTQ | Three Quarters Story (Unfinished) |
| FEP | Enclosed Porch | MZ1 | Mezzanine, Unfinished | UUA | Unfinished Utility Attic |
| FHS | Half Story (Finished) | PRG | Pergola | UUS | Full Upper 2nd Story (Unfinished) |
| FOP | Open or Screened in Porch | PRT | Portico | WDK | Wood Deck |
| PTO | Patio | ||||
Building |
Details |
Land |
|||
| Building value | $ 427,300 | Bedrooms | 3 Bedrooms | USE CODE | 1010 |
| Replacement Cost | $534,149 | Bathrooms | 2 Full-1 Half | Lot Size (Acres) | 0.25 |
| Model | Residential | Total Rooms | 7 Rooms | Appraised Value | $ 350,700 |
| Style | Gambrel | Heat Fuel | Gas | Assessed Value | $ 350,700 |
| Grade | Average Plus | Heat Type | Hot Water | ||
| Year Built | 1977 | AC Type | None | ||
| Effective depreciation | 20 | Interior Floors | Carpet | ||
| Stories | 2 Stories | Interior Walls | Drywall | ||
| Living Area sq/ft | 1,832 | Exterior Walls | Wood Shingle | ||
| Gross Area sq/ft | 3,296 | Roof Structure | Gable/Hip | ||
| Roof Cover | Asph/F Gls/Cmp | ||||
| Code | Description | Units/SQ ft | Appraised Value | Assessed Value |
| FPL2 | Fireplace 1.5 stories | 1 | $ 4,800 | $ 4,800 |
| WDCK | Wood Decking w/railings | 144 | $ 2,300 | $ 2,300 |
| FOPC | Open Prch-roof, ceiling | 90 | $ 3,500 | $ 3,500 |
| GAR | Attached Garage | 462 | $ 14,100 | $ 14,100 |
| BMT | Basement-Unfinished | 768 | $ 17,700 | $ 17,700 |
| SHED | Shed | 64 | $ 1,100 | $ 1,100 |