
| Appraised Value | Assessed Value | |
| Building Value | $ 260,500 | $ 260,500 |
| Extra Features | $ 38,100 | $ 38,100 |
| Outbuildings | $ 22,800 | $ 22,800 |
| Land Value | $ 888,800 | $ 888,800 |
| Totals | $ 1,210,200 | $ 1,210,200 |
| 2026
C.O.M.M. FD Tax (Commercial) $ 0 C.O.M.M. FD Tax (Residential) $ 1,391.73 Community Preservation Act Tax $ 246.88 Town Tax (Commercial) $ 0 Town Tax (Residential) $ 8,229.36 Total: $ 9,867.97 |
2025
C.O.M.M. FD Tax (Commercial) $ 0 C.O.M.M. FD Tax (Residential) $ 1,467.63 Community Preservation Act Tax $ 265.70 Town Tax (Commercial) $ 0 Town Tax (Residential) $ 8,856.83 Total: $ 10,590.16 |
| Owner: | Sale Date | Book/Page: | Sale Price: |
| CHILDS, KIRSTIN E TR | 2024-07-23 | 36481/118 | $10 |
| GRAY, ROLAND III & HARRINGTON, SUSAN MONIZ & CHILDS, KIRSTIN E TRS | 2023-09-12 | 36481/105 | $0 |
| HORNER, CATHERINE C TR | 2009-07-30 | 23930/304 | $1 |
| HORNER, CATHERINE C | 2009-07-30 | 23930/301 | $1 |
| CHILDS, CATHERINE M TR | 2009-07-30 | 23930/297 | $0 |
| CHILDS, CATHERINE M TR | 1995-03-15 | 9595/0308 | $1 |
| CHILDS, JOHN A & CATHERINE | 1988-05-19 | 6266/0231 | $185000 |
| DOWNEY, RICHARD J & MARY ANN | 1964-01-28 | 1236/0101 | $0 |
| As Built Cards:Click card # to view: | Card #1 | |

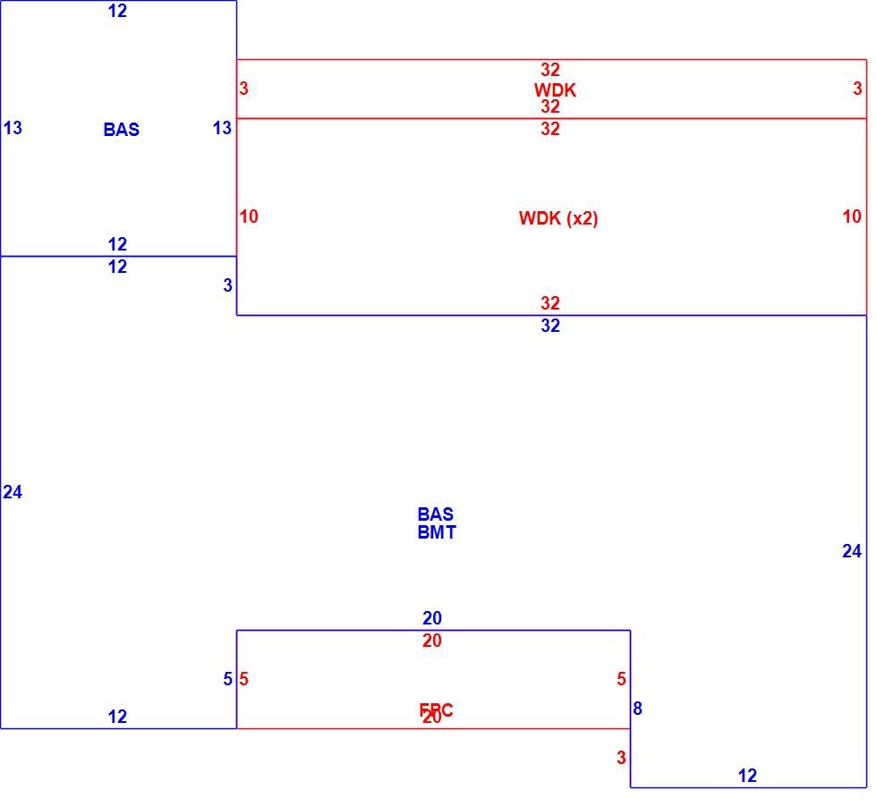
| B2N | Barn-any 2nd story area | FPC | Open Porch Concrete Floor | REF | Reference Only |
| BAS | First Floor, Living Area | FTS | Third Story Living Area (Finished) | SOL | Solarium |
| BMT | Basement Area (Unfinished) | FUS | Second Story Living Area (Finished) | SPE | Pool Enclosure |
| BRN | Barn | GAR | Garage | TQS | Three Quarters Story (Finished) |
| CAN | Canopy | GAZ | Gazebo | UAT | Attic Area (Unfinished) |
| CLP | Loading Platform | GRN | Greenhouse | UHS | Half Story (Unfinished) |
| FAT | Attic Area (Finished) | GXT | Garage Extension Front | UST | Utility Area (Unfinished) |
| FCP | Carport | KEN | Kennel | UTQ | Three Quarters Story (Unfinished) |
| FEP | Enclosed Porch | MZ1 | Mezzanine, Unfinished | UUA | Unfinished Utility Attic |
| FHS | Half Story (Finished) | PRG | Pergola | UUS | Full Upper 2nd Story (Unfinished) |
| FOP | Open or Screened in Porch | PRT | Portico | WDK | Wood Deck |
| PTO | Patio | ||||
Building |
Details |
Land |
|||
| Building value | $ 260,500 | Bedrooms | 2 Bedrooms | USE CODE | 1010 |
| Replacement Cost | $321,638 | Bathrooms | 2 Full-0 Half | Lot Size (Acres) | 0.91 |
| Model | Residential | Total Rooms | 4 Rooms | Appraised Value | $ 888,800 |
| Style | Ranch | Heat Fuel | Gas | Assessed Value | $ 888,800 |
| Grade | Average | Heat Type | Hot Water | ||
| Year Built | 1971 | AC Type | None | ||
| Effective depreciation | 19 | Interior Floors | CarpetVinyl/Asphalt | ||
| Stories | 1 Story | Interior Walls | Drywall | ||
| Living Area sq/ft | 1,052 | Exterior Walls | Wood Shingle | ||
| Gross Area sq/ft | 2,784 | Roof Structure | Gable/Hip | ||
| Roof Cover | Asph/F Gls/Cmp | ||||
| Code | Description | Units/SQ ft | Appraised Value | Assessed Value |
| FPL1 | Fireplace 1 story | 1 | $ 4,100 | $ 4,100 |
| FGR2 | Garage- Avg-Wd Shingle | 440 | $ 11,200 | $ 11,200 |
| BFA | Bsmt Fin-Avg | 730 | $ 10,300 | $ 10,300 |
| GEN | Emergency Generator | 1 | $ 4,200 | $ 4,200 |
| WDCK | Wood Decking w/railings | 416 | $ 4,300 | $ 4,300 |
| FOPC | Open Prch-roof, ceiling | 100 | $ 3,800 | $ 3,800 |
| BMT | Basement-Unfinished | 896 | $ 19,900 | $ 19,900 |
| WDC | Wood Deck w/o railings | 320 | $ 3,100 | $ 3,100 |