
| Appraised Value | Assessed Value | |
| Building Value | $ 1,281,300 | $ 1,281,300 |
| Extra Features | $ 84,200 | $ 84,200 |
| Outbuildings | $ 85,800 | $ 85,800 |
| Land Value | $ 836,200 | $ 836,200 |
| Totals | $ 2,287,500 | $ 2,287,500 |
| 2026
C.O.M.M. FD Tax (Commercial) $ 0 C.O.M.M. FD Tax (Residential) $ 2,630.63 Community Preservation Act Tax $ 466.65 Town Tax (Commercial) $ 0 Town Tax (Residential) $ 15,555 Total: $ 18,652.28 |
2025
C.O.M.M. FD Tax (Commercial) $ 0 C.O.M.M. FD Tax (Residential) $ 2,602.57 Community Preservation Act Tax $ 471.18 Town Tax (Commercial) $ 0 Town Tax (Residential) $ 15,705.91 Total: $ 18,779.66 |
| Owner: | Sale Date | Book/Page: | Sale Price: |
| MAY, WALTER R III TR | 2019-09-03 | C220431/0 | $1 |
| MAY, WALTER RICHARD III | 2019-06-21 | C219752/0 | $1560000 |
| MORIN, JOHN M & ANDREA G | 2012-07-12 | C197632/0 | $430000 |
| LOONEY, PAUL A & CAROL | 1998-04-08 | C148045/0 | $145000 |
| FLYNN, DANIEL A JR & TOWNS, MARY N TRS | 1989-06-07 | C117697/0 | $1 |
| FLYNN, DANIEL A & BERNICE M | 1963-03-29 | C30052/0 | $0 |
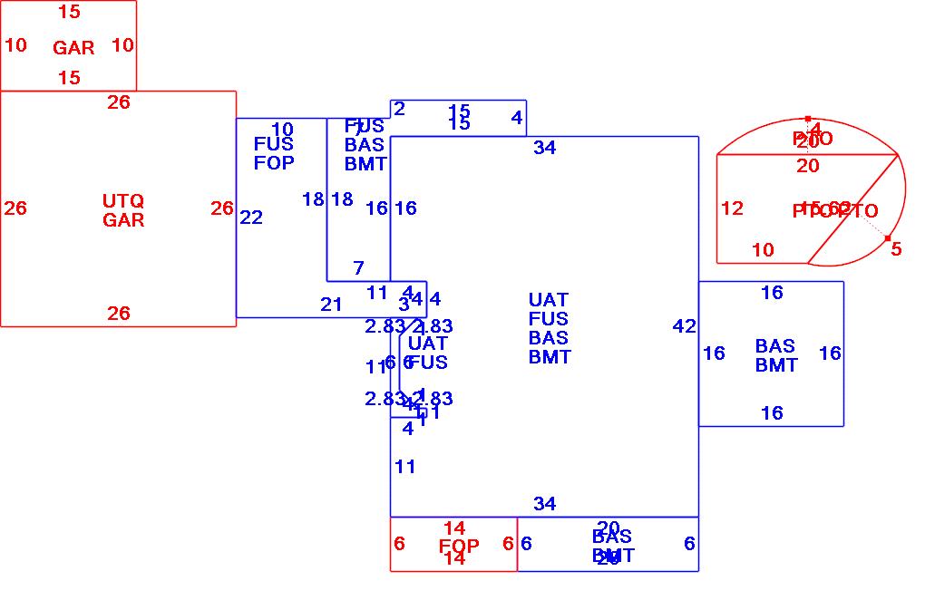
| As Built Cards:Click card # to view: | Card #1 | | Card #2 | |

| B2N | Barn-any 2nd story area | FPC | Open Porch Concrete Floor | REF | Reference Only |
| BAS | First Floor, Living Area | FTS | Third Story Living Area (Finished) | SOL | Solarium |
| BMT | Basement Area (Unfinished) | FUS | Second Story Living Area (Finished) | SPE | Pool Enclosure |
| BRN | Barn | GAR | Garage | TQS | Three Quarters Story (Finished) |
| CAN | Canopy | GAZ | Gazebo | UAT | Attic Area (Unfinished) |
| CLP | Loading Platform | GRN | Greenhouse | UHS | Half Story (Unfinished) |
| FAT | Attic Area (Finished) | GXT | Garage Extension Front | UST | Utility Area (Unfinished) |
| FCP | Carport | KEN | Kennel | UTQ | Three Quarters Story (Unfinished) |
| FEP | Enclosed Porch | MZ1 | Mezzanine, Unfinished | UUA | Unfinished Utility Attic |
| FHS | Half Story (Finished) | PRG | Pergola | UUS | Full Upper 2nd Story (Unfinished) |
| FOP | Open or Screened in Porch | PRT | Portico | WDK | Wood Deck |
| PTO | Patio | ||||
Building |
Details |
Land |
|||
| Building value | $ 1,281,300 | Bedrooms | 4 Bedrooms | USE CODE | 1010 |
| Replacement Cost | $1,377,750 | Bathrooms | 3 Full-2 Half | Lot Size (Acres) | 0.59 |
| Model | Residential | Total Rooms | 9 | Appraised Value | $ 836,200 |
| Style | Modern/Contemp | Heat Fuel | Gas | Assessed Value | $ 836,200 |
| Grade | Custom | Heat Type | Hot Air | ||
| Year Built | 2012 | AC Type | Central | ||
| Effective depreciation | 7 | Interior Floors | HardwoodCeram Clay Til | ||
| Stories | 2 Stories | Interior Walls | Drywall | ||
| Living Area sq/ft | 3,818 | Exterior Walls | Wood Shingle | ||
| Gross Area sq/ft | 9,327 | Roof Structure | Gable/Hip | ||
| Roof Cover | Asph/F Gls/Cmp | ||||
| Code | Description | Units/SQ ft | Appraised Value | Assessed Value |
| PATF | Flagstone Pavers on conc | 291 | $ 8,200 | $ 8,200 |
| SPL3 | Pool Gunite | 684 | $ 40,400 | $ 40,400 |
| SPH2 | Pool Heater 500-799sf pool | 1 | $ 2,600 | $ 2,600 |
| PATC | Conc Pavers W/Conc | 660 | $ 9,000 | $ 9,000 |
| FPLG | Gas Fireplace-Direct Vent | 1 | $ 2,300 | $ 2,300 |
| BMT | Basement-Unfinished | 1956 | $ 40,900 | $ 40,900 |
| BFA | Bsmt Fin-Avg | 214 | $ 3,500 | $ 3,500 |
| FOP | Open Porch-roof-ceiling | 348 | $ 12,700 | $ 12,700 |
| GAR | Attached Garage | 826 | $ 24,800 | $ 24,800 |
| GEN | Emergency Generator | 1 | $ 4,900 | $ 4,900 |
| PHS1 | Pool Hs/Elect,No Plumb | 192 | $ 15,700 | $ 15,700 |
| WDC | Wood Deck w/o railings | 96 | $ 2,800 | $ 2,800 |
| PAV1 | PAVING-ASPHALT | 800 | $ 2,200 | $ 2,200 |