
| Appraised Value | Assessed Value | |
| Building Value | $ 374,600 | $ 374,600 |
| Extra Features | $ 27,600 | $ 27,600 |
| Outbuildings | $ 0 | $ 0 |
| Land Value | $ 166,800 | $ 166,800 |
| Totals | $ 569,000 | $ 569,000 |
| 2026
C.O.M.M. FD Tax (Commercial) $ 0 C.O.M.M. FD Tax (Residential) $ 654.35 Community Preservation Act Tax $ 116.08 Town Tax (Commercial) $ 0 Town Tax (Residential) $ 3,869.20 Total: $ 4,639.63 |
2025
C.O.M.M. FD Tax (Commercial) $ 0 C.O.M.M. FD Tax (Residential) $ 630.20 Community Preservation Act Tax $ 114.09 Town Tax (Commercial) $ 0 Town Tax (Residential) $ 3,803.12 Total: $ 4,547.41 |
| Owner: | Sale Date | Book/Page: | Sale Price: |
| MAHER, WILLIAM B & HELEN M | 1982-11-15 | 3600/0062 | $78300 |
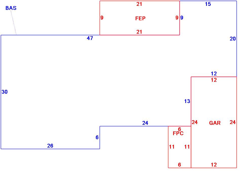
| As Built Cards:Click card # to view: | Card #1 | |

| B2N | Barn-any 2nd story area | FPC | Open Porch Concrete Floor | REF | Reference Only |
| BAS | First Floor, Living Area | FTS | Third Story Living Area (Finished) | SOL | Solarium |
| BMT | Basement Area (Unfinished) | FUS | Second Story Living Area (Finished) | SPE | Pool Enclosure |
| BRN | Barn | GAR | Garage | TQS | Three Quarters Story (Finished) |
| CAN | Canopy | GAZ | Gazebo | UAT | Attic Area (Unfinished) |
| CLP | Loading Platform | GRN | Greenhouse | UHS | Half Story (Unfinished) |
| FAT | Attic Area (Finished) | GXT | Garage Extension Front | UST | Utility Area (Unfinished) |
| FCP | Carport | KEN | Kennel | UTQ | Three Quarters Story (Unfinished) |
| FEP | Enclosed Porch | MZ1 | Mezzanine, Unfinished | UUA | Unfinished Utility Attic |
| FHS | Half Story (Finished) | PRG | Pergola | UUS | Full Upper 2nd Story (Unfinished) |
| FOP | Open or Screened in Porch | PRT | Portico | WDK | Wood Deck |
| PTO | Patio | ||||
Building |
Details |
Land |
|||
| Building value | $ 374,600 | Bedrooms | 3 Bedrooms | USE CODE | 1010 |
| Replacement Cost | $456,777 | Bathrooms | 2 Full-0 Half | Lot Size (Acres) | 0.46 |
| Model | Residential | Total Rooms | 7 Rooms | Appraised Value | $ 166,800 |
| Style | Ranch | Heat Fuel | Gas | Assessed Value | $ 166,800 |
| Grade | Average | Heat Type | Hot Water | ||
| Year Built | 1983 | AC Type | None | ||
| Effective depreciation | 18 | Interior Floors | Carpet | ||
| Stories | 1 Story | Interior Walls | Drywall | ||
| Living Area sq/ft | 1,623 | Exterior Walls | Vinyl Siding | ||
| Gross Area sq/ft | 2,166 | Roof Structure | Gable/Hip | ||
| Roof Cover | Asph/F Gls/Cmp | ||||
| Code | Description | Units/SQ ft | Appraised Value | Assessed Value |
| FPL1 | Fireplace 1 story | 1 | $ 4,100 | $ 4,100 |
| FOPC | Open Prch-roof, ceiling | 66 | $ 2,900 | $ 2,900 |
| FEP | Enclosed porch-roof,ceiling | 189 | $ 10,000 | $ 10,000 |
| GAR | Attached Garage | 288 | $ 10,600 | $ 10,600 |