
| Appraised Value | Assessed Value | |
| Building Value | $ 410,200 | $ 410,200 |
| Extra Features | $ 53,500 | $ 53,500 |
| Outbuildings | $ 4,100 | $ 4,100 |
| Land Value | $ 758,800 | $ 758,800 |
| Totals | $ 1,226,600 | $ 1,226,600 |
| 2026
C.O.M.M. FD Tax (Commercial) $ 0 C.O.M.M. FD Tax (Residential) $ 1,410.59 Community Preservation Act Tax $ 250.23 Town Tax (Commercial) $ 0 Town Tax (Residential) $ 8,340.88 Total: $ 10,001.70 |
2025
C.O.M.M. FD Tax (Commercial) $ 0 C.O.M.M. FD Tax (Residential) $ 1,476.49 Community Preservation Act Tax $ 267.31 Town Tax (Commercial) $ 0 Town Tax (Residential) $ 8,910.27 Total: $ 10,654.07 |
| Owner: | Sale Date | Book/Page: | Sale Price: |
| AXFORD, JAMES C & JACQUELINE S | 2014-08-15 | C204189/0 | $505000 |
| WAITES, MEREDITH P & SOARES, CAROLYN P T | 2012-04-19 | C196854/0 | $1 |
| WAITES, MEREDITH P & SOARES, CAROLYN P | 2012-01-12 | C196096/0 | $1 |
| WAITES, MEREDITH P & SOARES, CAROLYN P T | 2010-06-30 | #D1143183/0 | $0 |
| PETERSON, BEVERLY L TR | 2010-06-30 | #D1143181/0 | $0 |
| PETERSON, HERBERT O & BEVERLY L TRS | 2004-10-04 | C174602/0 | $1 |
| PETERSON, HERBERT O | 1973-12-31 | C60829/0 | $0 |
| As Built Cards:Click card # to view: | Card #1 | |

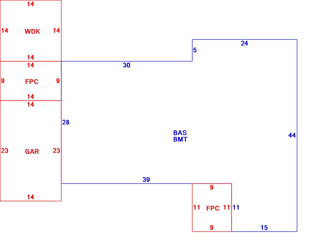
| B2N | Barn-any 2nd story area | FPC | Open Porch Concrete Floor | REF | Reference Only |
| BAS | First Floor, Living Area | FTS | Third Story Living Area (Finished) | SOL | Solarium |
| BMT | Basement Area (Unfinished) | FUS | Second Story Living Area (Finished) | SPE | Pool Enclosure |
| BRN | Barn | GAR | Garage | TQS | Three Quarters Story (Finished) |
| CAN | Canopy | GAZ | Gazebo | UAT | Attic Area (Unfinished) |
| CLP | Loading Platform | GRN | Greenhouse | UHS | Half Story (Unfinished) |
| FAT | Attic Area (Finished) | GXT | Garage Extension Front | UST | Utility Area (Unfinished) |
| FCP | Carport | KEN | Kennel | UTQ | Three Quarters Story (Unfinished) |
| FEP | Enclosed Porch | MZ1 | Mezzanine, Unfinished | UUA | Unfinished Utility Attic |
| FHS | Half Story (Finished) | PRG | Pergola | UUS | Full Upper 2nd Story (Unfinished) |
| FOP | Open or Screened in Porch | PRT | Portico | WDK | Wood Deck |
| PTO | Patio | ||||
Building |
Details |
Land |
|||
| Building value | $ 410,200 | Bedrooms | 3 Bedrooms | USE CODE | 1010 |
| Replacement Cost | $525,856 | Bathrooms | 2 Full-0 Half | Lot Size (Acres) | 0.26 |
| Model | Residential | Total Rooms | 6 Rooms | Appraised Value | $ 758,800 |
| Style | Ranch | Heat Fuel | Oil | Assessed Value | $ 758,800 |
| Grade | Average | Heat Type | Hot Water | ||
| Year Built | 1974 | AC Type | Central | ||
| Effective depreciation | 22 | Interior Floors | Carpet | ||
| Stories | 1 Story | Interior Walls | Drywall | ||
| Living Area sq/ft | 1,797 | Exterior Walls | Wood Shingle | ||
| Gross Area sq/ft | 4,337 | Roof Structure | Gable/Hip | ||
| Roof Cover | Asph/F Gls/Cmp | ||||
| Code | Description | Units/SQ ft | Appraised Value | Assessed Value |
| FPL1 | Fireplace 1 story | 1 | $ 3,900 | $ 3,900 |
| FOPC | Open Prch-roof, ceiling | 224 | $ 6,800 | $ 6,800 |
| GAR | Attached Garage | 322 | $ 10,900 | $ 10,900 |
| BMT | Basement-Unfinished | 1797 | $ 31,900 | $ 31,900 |
| WDCK | Wood Decking w/railings | 196 | $ 4,100 | $ 4,100 |