
| Appraised Value | Assessed Value | |
| Building Value | $ 753,100 | $ 753,100 |
| Extra Features | $ 70,800 | $ 70,800 |
| Outbuildings | $ 9,100 | $ 9,100 |
| Land Value | $ 537,000 | $ 537,000 |
| Totals | $ 1,370,000 | $ 1,370,000 |
| 2026
Community Preservation Act Tax $ 223.42 Town Tax (Commercial) $ 0 Town Tax (Residential) $ 7,447.45 W. Barnstable FD Tax (Commercial) $ 0 W. Barnstable FD Tax (Residential) $ 3,644.20 Total: $ 11,315.07 |
2025
Community Preservation Act Tax $ 235.25 Town Tax (Commercial) $ 0 Town Tax (Residential) $ 7,841.56 W. Barnstable FD Tax (Commercial) $ 0 W. Barnstable FD Tax (Residential) $ 3,272.88 Total: $ 11,349.69 |
| Residential Exemption Received= $274,787 |
Residential Exemption Received= $233,792 |
| Owner: | Sale Date | Book/Page: | Sale Price: |
| BURGOYNE, JOHN TR | 2006-06-26 | 21128/0267 | $1 |
| DOHERTY, JEANNE A | 2003-05-20 | 16949/0331 | $1 |
| DOHERTY, WILLIAM J & JEAN | 2000-12-06 | 13409/0192 | $1 |
| DOHERTY, WILLIAM J TR | 1986-10-15 | 5374/0154 | $1 |
| DOHERTY, WILLIAM J | 1986-04-15 | 5039/0108 | $115000 |
| CAVE, CLINT & ANNE P & HUEBER, JANE CAVE | 1978-07-25 | 2754/0222 | $0 |
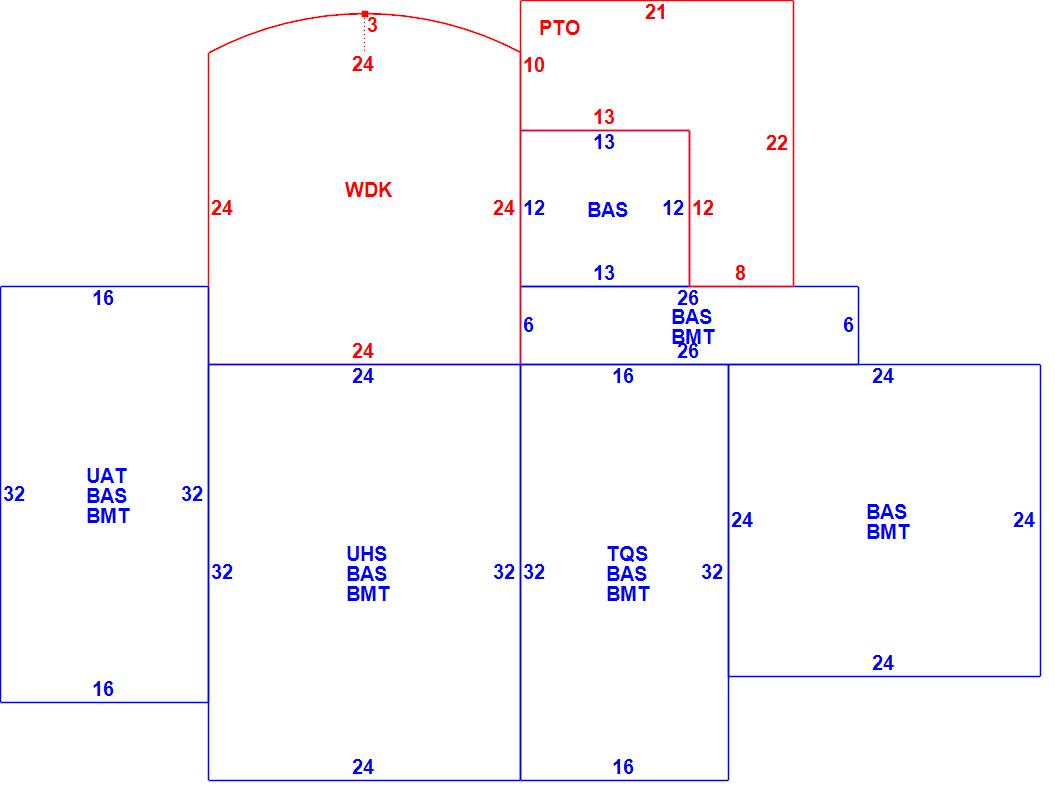
| As Built Cards:Click card # to view: | Card #1 | | Card #2 | |

| B2N | Barn-any 2nd story area | FPC | Open Porch Concrete Floor | REF | Reference Only |
| BAS | First Floor, Living Area | FTS | Third Story Living Area (Finished) | SOL | Solarium |
| BMT | Basement Area (Unfinished) | FUS | Second Story Living Area (Finished) | SPE | Pool Enclosure |
| BRN | Barn | GAR | Garage | TQS | Three Quarters Story (Finished) |
| CAN | Canopy | GAZ | Gazebo | UAT | Attic Area (Unfinished) |
| CLP | Loading Platform | GRN | Greenhouse | UHS | Half Story (Unfinished) |
| FAT | Attic Area (Finished) | GXT | Garage Extension Front | UST | Utility Area (Unfinished) |
| FCP | Carport | KEN | Kennel | UTQ | Three Quarters Story (Unfinished) |
| FEP | Enclosed Porch | MZ1 | Mezzanine, Unfinished | UUA | Unfinished Utility Attic |
| FHS | Half Story (Finished) | PRG | Pergola | UUS | Full Upper 2nd Story (Unfinished) |
| FOP | Open or Screened in Porch | PRT | Portico | WDK | Wood Deck |
| PTO | Patio | ||||
Building |
Details |
Land |
|||
| Building value | $ 753,100 | Bedrooms | 3 Bedrooms | USE CODE | 1010 |
| Replacement Cost | $907,408 | Bathrooms | 3 Full-1 Half | Lot Size (Acres) | 0.8 |
| Model | Residential | Total Rooms | 7 | Appraised Value | $ 537,000 |
| Style | Cape Cod | Heat Fuel | Electric | Assessed Value | $ 537,000 |
| Grade | Average Plus | Heat Type | Elec Baseboard | ||
| Year Built | 1986 | AC Type | Central | ||
| Effective depreciation | 17 | Interior Floors | Ceram Clay TilCarpet | ||
| Stories | 1 1/2 Stories | Interior Walls | Drywall | ||
| Living Area sq/ft | 3,013 | Exterior Walls | Clapboard | ||
| Gross Area sq/ft | 7,927 | Roof Structure | Gable/Hip | ||
| Roof Cover | Asph/F Gls/Cmp | ||||
| Code | Description | Units/SQ ft | Appraised Value | Assessed Value |
| FPL2 | Fireplace 1.5 stories | 1 | $ 5,000 | $ 5,000 |
| BGR2 | 2 Stall Bmt Gar | 1 | $ 2,700 | $ 2,700 |
| PAT2 | Patio-Good | 306 | $ 2,500 | $ 2,500 |
| BMT | Basement-Unfinished | 2524 | $ 44,700 | $ 44,700 |
| WDC | Wood Deck w/o railings | 625 | $ 6,600 | $ 6,600 |
| BFA | Bsmt Fin-Avg | 1280 | $ 18,400 | $ 18,400 |