
| Appraised Value | Assessed Value | |
| Building Value | $ 240,000 | $ 240,000 |
| Extra Features | $ 18,100 | $ 18,100 |
| Outbuildings | $ 5,900 | $ 5,900 |
| Land Value | $ 267,600 | $ 267,600 |
| Totals | $ 531,600 | $ 531,600 |
| 2026
Community Preservation Act Tax $ 108.45 Town Tax (Commercial) $ 0 Town Tax (Residential) $ 3,614.88 W. Barnstable FD Tax (Commercial) $ 0 W. Barnstable FD Tax (Residential) $ 1,414.06 Total: $ 5,137.39 |
2025
Community Preservation Act Tax $ 55.26 Town Tax (Commercial) $ 0 Town Tax (Residential) $ 1,841.93 W. Barnstable FD Tax (Commercial) $ 0 W. Barnstable FD Tax (Residential) $ 1,198.08 Total: $ 3,095.27 |
| Residential Exemption Received= $233,792 |
| Owner: | Sale Date | Book/Page: | Sale Price: |
| DOHERTY, JOHN G JR & DAWN R TRS | 2025-02-21 | 36836/174 | $711000 |
| BUTLER, NORMA | 2002-04-09 | 15029/0158 | $175000 |
| WIINIKAINEN, LEMPI & SYRJALA, SALLY | 1974-02-08 | 2001/0212 | $0 |
| As Built Cards:Click card # to view: | Card #1 | |

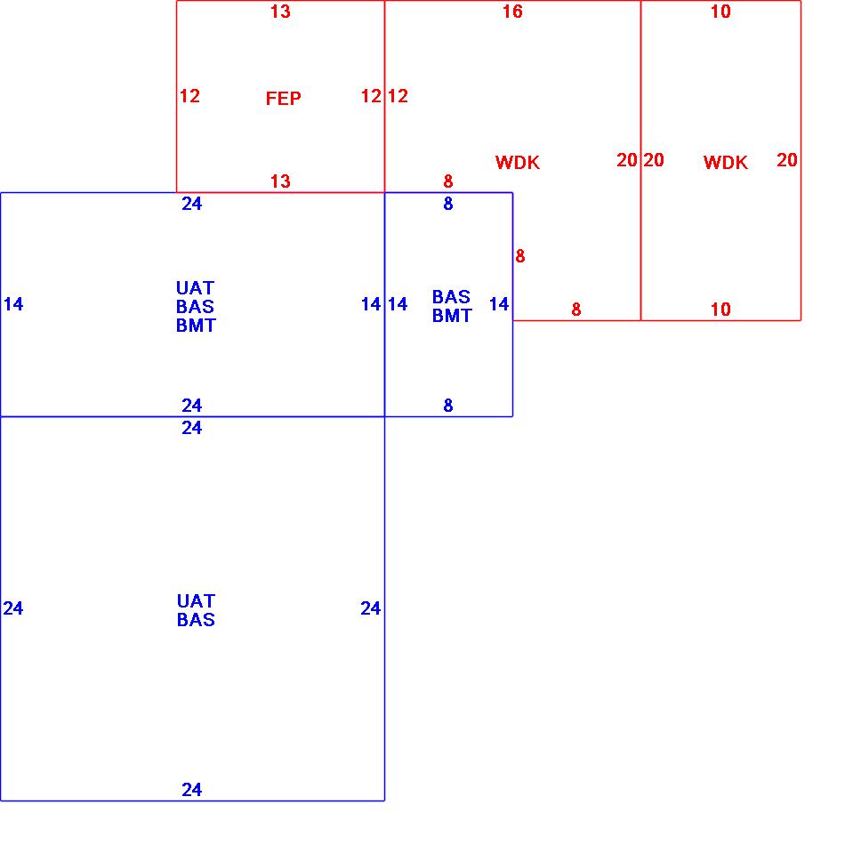
| B2N | Barn-any 2nd story area | FPC | Open Porch Concrete Floor | REF | Reference Only |
| BAS | First Floor, Living Area | FTS | Third Story Living Area (Finished) | SOL | Solarium |
| BMT | Basement Area (Unfinished) | FUS | Second Story Living Area (Finished) | SPE | Pool Enclosure |
| BRN | Barn | GAR | Garage | TQS | Three Quarters Story (Finished) |
| CAN | Canopy | GAZ | Gazebo | UAT | Attic Area (Unfinished) |
| CLP | Loading Platform | GRN | Greenhouse | UHS | Half Story (Unfinished) |
| FAT | Attic Area (Finished) | GXT | Garage Extension Front | UST | Utility Area (Unfinished) |
| FCP | Carport | KEN | Kennel | UTQ | Three Quarters Story (Unfinished) |
| FEP | Enclosed Porch | MZ1 | Mezzanine, Unfinished | UUA | Unfinished Utility Attic |
| FHS | Half Story (Finished) | PRG | Pergola | UUS | Full Upper 2nd Story (Unfinished) |
| FOP | Open or Screened in Porch | PRT | Portico | WDK | Wood Deck |
| PTO | Patio | ||||
Building |
Details |
Land |
|||
| Building value | $ 240,000 | Bedrooms | 2 Bedrooms | USE CODE | 1010 |
| Replacement Cost | $347,824 | Bathrooms | 2 Full-0 Half | Lot Size (Acres) | 0.63 |
| Model | Residential | Total Rooms | 5 Rooms | Appraised Value | $ 267,600 |
| Style | Conventional | Heat Fuel | Gas | Assessed Value | $ 267,600 |
| Grade | Average | Heat Type | Hot Water | ||
| Year Built | 1929 | AC Type | Central | ||
| Effective depreciation | 31 | Interior Floors | Hardwood | ||
| Stories | Interior Walls | Plastered | |||
| Living Area sq/ft | 1,024 | Exterior Walls | Wood Shingle | ||
| Gross Area sq/ft | 2,996 | Roof Structure | Gable/Hip | ||
| Roof Cover | Asph/F Gls/Cmp | ||||
| Code | Description | Units/SQ ft | Appraised Value | Assessed Value |
| SHED | Shed | 140 | $ 1,700 | $ 1,700 |
| WDCK | Wood Decking w/railings | 256 | $ 1,900 | $ 1,900 |
| WDCK | Wood Decking w/railings | 200 | $ 1,600 | $ 1,600 |
| FEP | Enclosed porch-roof,ceiling | 156 | $ 7,400 | $ 7,400 |
| BMT | Basement-Unfinished | 448 | $ 10,700 | $ 10,700 |
| SHED | Shed | 80 | $ 700 | $ 700 |