
| Appraised Value | Assessed Value | |
| Building Value | $ 513,200 | $ 513,200 |
| Extra Features | $ 9,000 | $ 9,000 |
| Outbuildings | $ 98,700 | $ 98,700 |
| Land Value | $ 250,700 | $ 250,700 |
| Totals | $ 871,600 | $ 871,600 |
| 2026
Community Preservation Act Tax $ 121.75 Town Tax (Commercial) $ 0 Town Tax (Residential) $ 4,058.33 W. Barnstable FD Tax (Commercial) $ 0 W. Barnstable FD Tax (Residential) $ 2,318.46 Total: $ 6,498.54 |
2025
Community Preservation Act Tax $ 130.17 Town Tax (Commercial) $ 0 Town Tax (Residential) $ 4,338.94 W. Barnstable FD Tax (Commercial) $ 0 W. Barnstable FD Tax (Residential) $ 2,061.60 Total: $ 6,530.71 |
| Residential Exemption Received= $274,787 |
Residential Exemption Received= $233,792 |
| Owner: | Sale Date | Book/Page: | Sale Price: |
| HARRIS, JOANNE H TR | 2010-07-01 | 24657/0143 | $10 |
| HARRIS, JOANNE H | 1999-02-03 | 12039/0277 | $0 |
| HARRIS, CHARLES R & JOANNE H | 1993-02-24 | 8457/0004 | $212000 |
| BLOOM, CAROLINE C | 1986-03-07 | 4953/0047 | $1 |
| BLOOM, R BARRY & CAROLINE C | 1977-08-19 | 2567/0091 | $0 |
| As Built Cards:Click card # to view: | Card #1 | | Card #2 | | Card #3 | |

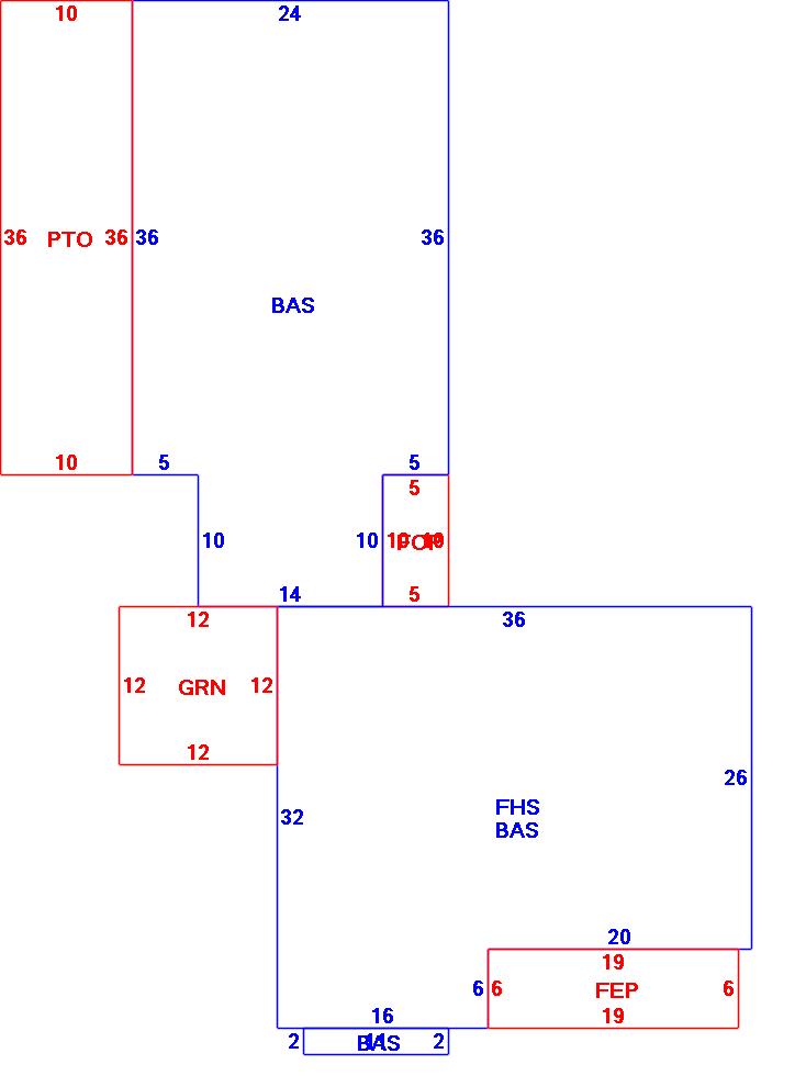
| B2N | Barn-any 2nd story area | FPC | Open Porch Concrete Floor | REF | Reference Only |
| BAS | First Floor, Living Area | FTS | Third Story Living Area (Finished) | SOL | Solarium |
| BMT | Basement Area (Unfinished) | FUS | Second Story Living Area (Finished) | SPE | Pool Enclosure |
| BRN | Barn | GAR | Garage | TQS | Three Quarters Story (Finished) |
| CAN | Canopy | GAZ | Gazebo | UAT | Attic Area (Unfinished) |
| CLP | Loading Platform | GRN | Greenhouse | UHS | Half Story (Unfinished) |
| FAT | Attic Area (Finished) | GXT | Garage Extension Front | UST | Utility Area (Unfinished) |
| FCP | Carport | KEN | Kennel | UTQ | Three Quarters Story (Unfinished) |
| FEP | Enclosed Porch | MZ1 | Mezzanine, Unfinished | UUA | Unfinished Utility Attic |
| FHS | Half Story (Finished) | PRG | Pergola | UUS | Full Upper 2nd Story (Unfinished) |
| FOP | Open or Screened in Porch | PRT | Portico | WDK | Wood Deck |
| PTO | Patio | ||||
Building |
Details |
Land |
|||
| Building value | $ 513,200 | Bedrooms | 4 Bedrooms | USE CODE | 1010 |
| Replacement Cost | $703,065 | Bathrooms | 3 Full-0 Half | Lot Size (Acres) | 2.92 |
| Model | Residential | Total Rooms | 9 Rooms | Appraised Value | $ 250,700 |
| Style | Conventional | Heat Fuel | Oil | Assessed Value | $ 250,700 |
| Grade | Average Plus | Heat Type | Hot Water | ||
| Year Built | 1875 | AC Type | None | ||
| Effective depreciation | 27 | Interior Floors | HardwoodCarpet | ||
| Stories | 1 1/2 Stories | Interior Walls | Plastered | ||
| Living Area sq/ft | 2,574 | Exterior Walls | Wood Shingle | ||
| Gross Area sq/ft | 3,758 | Roof Structure | Gable/Hip | ||
| Roof Cover | Asph/F Gls/Cmp | ||||
| Code | Description | Units/SQ ft | Appraised Value | Assessed Value |
| SPL2 | Pool Vinyl | 578 | $ 11,800 | $ 11,800 |
| FGR6 | Gar w/Lft Avg | 1280 | $ 53,800 | $ 53,800 |
| GRN1 | Greenhouse-Res | 144 | $ 3,300 | $ 3,300 |
| PAT1 | Patio- Average | 360 | $ 1,600 | $ 1,600 |
| FEP | Enclosed porch-roof,ceiling | 114 | $ 6,600 | $ 6,600 |
| SHED | Shed | 224 | $ 2,200 | $ 2,200 |
| WDCK | Wood Decking w/railings | 120 | $ 2,000 | $ 2,000 |
| BRN3 | Barn w loft | 640 | $ 18,300 | $ 18,300 |
| STB1 | Stable/Avg Qty w grade | 144 | $ 3,500 | $ 3,500 |
| FNCC | CORRAL FENCING | 351 | $ 1,800 | $ 1,800 |
| FNC9 | Fence Gate 10' | 1 | $ 400 | $ 400 |
| SOL1 | Solar PV Panels 12 - 24 | 46 | $ 0 | $ 0 |
| FOP | Open Porch-roof-ceiling | 50 | $ 2,400 | $ 2,400 |