
| Appraised Value | Assessed Value | |
| Building Value | $ 506,400 | $ 506,400 |
| Extra Features | $ 49,600 | $ 49,600 |
| Outbuildings | $ 17,100 | $ 17,100 |
| Land Value | $ 187,300 | $ 187,300 |
| Totals | $ 760,400 | $ 760,400 |
| 2026
C.O.M.M. FD Tax (Commercial) $ 0 C.O.M.M. FD Tax (Residential) $ 874.46 Community Preservation Act Tax $ 155.12 Town Tax (Commercial) $ 0 Town Tax (Residential) $ 5,170.72 Total: $ 6,200.30 |
2025
C.O.M.M. FD Tax (Commercial) $ 0 C.O.M.M. FD Tax (Residential) $ 565.11 Community Preservation Act Tax $ 102.31 Town Tax (Commercial) $ 0 Town Tax (Residential) $ 3,410.32 Total: $ 4,077.74 |
| Owner: | Sale Date | Book/Page: | Sale Price: |
| LEONARD, KEVIN B & SARAH C | 2023-08-09 | 35929/285 | $500000 |
| LEONARD, JANET M | 2023-08-09 | 35929/274 | $1 |
| LEONARD, JANET M | 2023-08-09 | 35929/270 | $1 |
| LEONARD, JAMES G & JANET TRS | 2015-12-15 | 29335/0059 | $100 |
| LEONARD, JAMES G & JANET M | 2005-01-04 | 19412/0052 | $340000 |
| HYYTI, DAVID II & ELINORE S | 1970-11-30 | 1492/0141 | $0 |
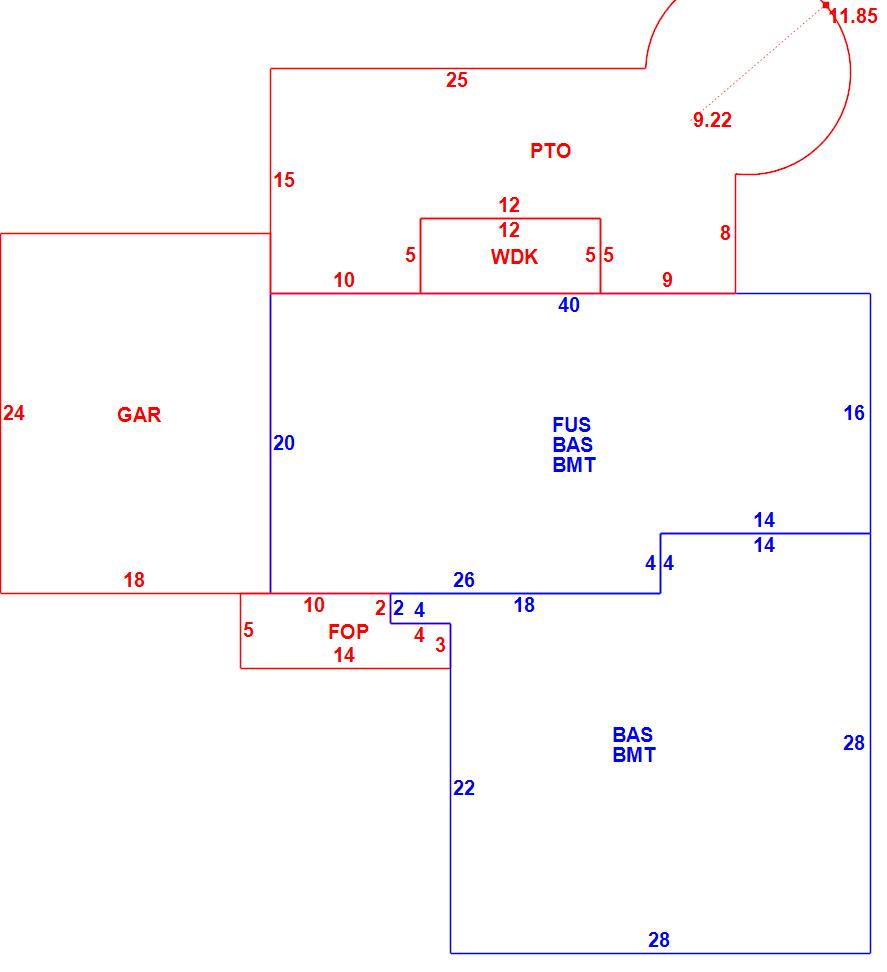
| As Built Cards:Click card # to view: | Card #1 | |

| B2N | Barn-any 2nd story area | FPC | Open Porch Concrete Floor | REF | Reference Only |
| BAS | First Floor, Living Area | FTS | Third Story Living Area (Finished) | SOL | Solarium |
| BMT | Basement Area (Unfinished) | FUS | Second Story Living Area (Finished) | SPE | Pool Enclosure |
| BRN | Barn | GAR | Garage | TQS | Three Quarters Story (Finished) |
| CAN | Canopy | GAZ | Gazebo | UAT | Attic Area (Unfinished) |
| CLP | Loading Platform | GRN | Greenhouse | UHS | Half Story (Unfinished) |
| FAT | Attic Area (Finished) | GXT | Garage Extension Front | UST | Utility Area (Unfinished) |
| FCP | Carport | KEN | Kennel | UTQ | Three Quarters Story (Unfinished) |
| FEP | Enclosed Porch | MZ1 | Mezzanine, Unfinished | UUA | Unfinished Utility Attic |
| FHS | Half Story (Finished) | PRG | Pergola | UUS | Full Upper 2nd Story (Unfinished) |
| FOP | Open or Screened in Porch | PRT | Portico | WDK | Wood Deck |
| PTO | Patio | ||||
Building |
Details |
Land |
|||
| Building value | $ 506,400 | Bedrooms | 3 Bedrooms | USE CODE | 1010 |
| Replacement Cost | $602,904 | Bathrooms | 2 Full-1 Half | Lot Size (Acres) | 0.35 |
| Model | Residential | Total Rooms | 6 Rooms | Appraised Value | $ 187,300 |
| Style | Cape Cod | Heat Fuel | Gas | Assessed Value | $ 187,300 |
| Grade | Average | Heat Type | Hot Air | ||
| Year Built | 1970 | AC Type | Central | ||
| Effective depreciation | 16 | Interior Floors | Hardwood | ||
| Stories | 2 Stories | Interior Walls | Drywall | ||
| Living Area sq/ft | 2,224 | Exterior Walls | Wood Shingle | ||
| Gross Area sq/ft | 4,777 | Roof Structure | Gable/Hip | ||
| Roof Cover | Asph/F Gls/Cmp | ||||
| Code | Description | Units/SQ ft | Appraised Value | Assessed Value |
| WDCC | Deck composite no railings | 60 | $ 3,700 | $ 3,700 |
| GAR | Attached Garage | 432 | $ 14,200 | $ 14,200 |
| BMT | Basement-Unfinished | 1480 | $ 29,500 | $ 29,500 |
| PAT2 | Patio-Good | 519 | $ 5,000 | $ 5,000 |
| GEN | Emergency Generator | 1 | $ 5,400 | $ 5,400 |
| FPIT | Fire Pit | 1 | $ 3,000 | $ 3,000 |
| FPL3 | Fireplace 2 story | 1 | $ 5,900 | $ 5,900 |