
| Appraised Value | Assessed Value | |
| Building Value | $ 1,882,700 | $ 1,882,700 |
| Extra Features | $ 105,700 | $ 105,700 |
| Outbuildings | $ 69,300 | $ 69,300 |
| Land Value | $ 1,942,000 | $ 1,942,000 |
| Totals | $ 3,999,700 | $ 3,999,700 |
| 2026
C.O.M.M. FD Tax (Commercial) $ 0 C.O.M.M. FD Tax (Residential) $ 4,599.66 Community Preservation Act Tax $ 815.94 Town Tax (Commercial) $ 0 Town Tax (Residential) $ 27,197.96 Total: $ 32,613.56 |
2025
C.O.M.M. FD Tax (Commercial) $ 0 C.O.M.M. FD Tax (Residential) $ 4,363.22 Community Preservation Act Tax $ 789.93 Town Tax (Commercial) $ 0 Town Tax (Residential) $ 26,331.05 Total: $ 31,484.20 |
| Owner: | Sale Date | Book/Page: | Sale Price: |
| CARTER, JACK G JR TR | 2021-06-04 | C226519/0 | $100 |
| CARTER, JACK G | 2009-04-09 | C188320/0 | $800000 |
| BOTELLO, PAUL R & BARBARA | 2008-12-30 | C187652/0 | $750000 |
| JEAN, JACQUELINE R TR | 1996-10-23 | C142425/0 | $195000 |
| DAVIS, HOLBROOK P | 1978-08-29 | C75315/0 | $45000 |
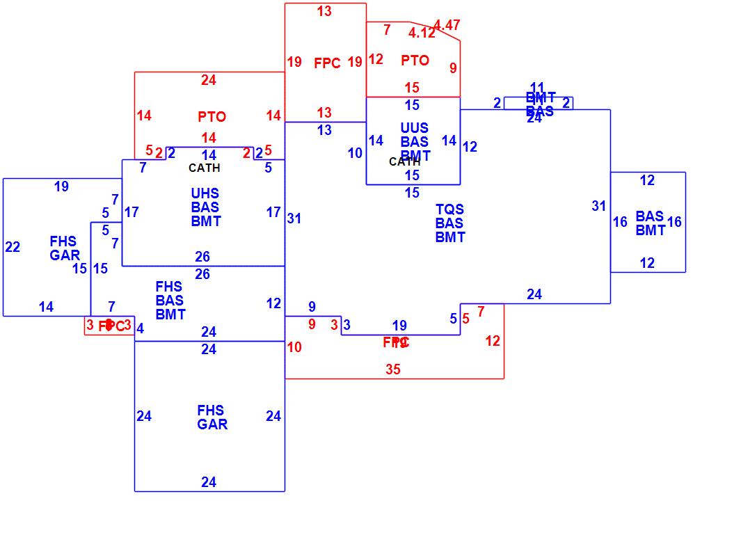
| As Built Cards:Click card # to view: | Card #1 | | Card #2 | |

| B2N | Barn-any 2nd story area | FPC | Open Porch Concrete Floor | REF | Reference Only |
| BAS | First Floor, Living Area | FTS | Third Story Living Area (Finished) | SOL | Solarium |
| BMT | Basement Area (Unfinished) | FUS | Second Story Living Area (Finished) | SPE | Pool Enclosure |
| BRN | Barn | GAR | Garage | TQS | Three Quarters Story (Finished) |
| CAN | Canopy | GAZ | Gazebo | UAT | Attic Area (Unfinished) |
| CLP | Loading Platform | GRN | Greenhouse | UHS | Half Story (Unfinished) |
| FAT | Attic Area (Finished) | GXT | Garage Extension Front | UST | Utility Area (Unfinished) |
| FCP | Carport | KEN | Kennel | UTQ | Three Quarters Story (Unfinished) |
| FEP | Enclosed Porch | MZ1 | Mezzanine, Unfinished | UUA | Unfinished Utility Attic |
| FHS | Half Story (Finished) | PRG | Pergola | UUS | Full Upper 2nd Story (Unfinished) |
| FOP | Open or Screened in Porch | PRT | Portico | WDK | Wood Deck |
| PTO | Patio | ||||
Building |
Details |
Land |
|||
| Building value | $ 1,882,700 | Bedrooms | 4 Bedrooms | USE CODE | 1010 |
| Replacement Cost | $2,046,450 | Bathrooms | 3 Full-1 Half | Lot Size (Acres) | 1.49 |
| Model | Residential | Total Rooms | 9 | Appraised Value | $ 1,942,000 |
| Style | Cape Cod | Heat Fuel | Gas | Assessed Value | $ 1,942,000 |
| Grade | Luxury | Heat Type | Hot Air | ||
| Year Built | 2009 | AC Type | Central | ||
| Effective depreciation | 8 | Interior Floors | Hardwood | ||
| Stories | 1 3/4 Stories | Interior Walls | Drywall | ||
| Living Area sq/ft | 4,428 | Exterior Walls | Wood Shingle | ||
| Gross Area sq/ft | 11,056 | Roof Structure | Gable/Hip | ||
| Roof Cover | Asph/F Gls/Cmp | ||||
| Code | Description | Units/SQ ft | Appraised Value | Assessed Value |
| FPL2 | Fireplace 1.5 stories | 1 | $ 5,500 | $ 5,500 |
| GEN | Emergency Generator | 1 | $ 4,600 | $ 4,600 |
| PAT1 | Patio- Average | 478 | $ 2,500 | $ 2,500 |
| GAR1 | Det Gar-Fin Attic | 960 | $ 57,100 | $ 57,100 |
| SHD2 | Shed w/Elec | 240 | $ 5,100 | $ 5,100 |
| FOPC | Open Prch-roof, ceiling | 578 | $ 19,400 | $ 19,400 |
| GAR | Attached Garage | 919 | $ 26,700 | $ 26,700 |
| BMT | Basement-Unfinished | 2792 | $ 54,100 | $ 54,100 |
| SOL3 | Solar PV Panels 72 - 96 | 72 | $ 0 | $ 0 |