
| Appraised Value | Assessed Value | |
| Building Value | $ 321,500 | $ 321,500 |
| Extra Features | $ 54,700 | $ 54,700 |
| Outbuildings | $ 7,700 | $ 7,700 |
| Land Value | $ 667,000 | $ 667,000 |
| Totals | $ 1,050,900 | $ 1,050,900 |
| 2026
C.O.M.M. FD Tax (Commercial) $ 0 C.O.M.M. FD Tax (Residential) $ 1,208.54 Community Preservation Act Tax $ 158.33 Town Tax (Commercial) $ 0 Town Tax (Residential) $ 5,277.57 Total: $ 6,644.44 |
2025
C.O.M.M. FD Tax (Commercial) $ 0 C.O.M.M. FD Tax (Residential) $ 1,148.51 Community Preservation Act Tax $ 159.25 Town Tax (Commercial) $ 0 Town Tax (Residential) $ 5,308.46 Total: $ 6,616.22 |
| Residential Exemption Received= $274,787 |
Residential Exemption Received= $233,792 |
| Owner: | Sale Date | Book/Page: | Sale Price: |
| LEMME, PAUL A & MYALL JO | 1997-10-10 | 11000/0155 | $225000 |
| PINGREE, BRENDA H & GETMAN, DAMON LL | 1993-10-15 | 8860/0052 | $126000 |
| BARRETT, RICHARD & MARGUERITE C | 1967-07-07 | 1371/0300 | $0 |
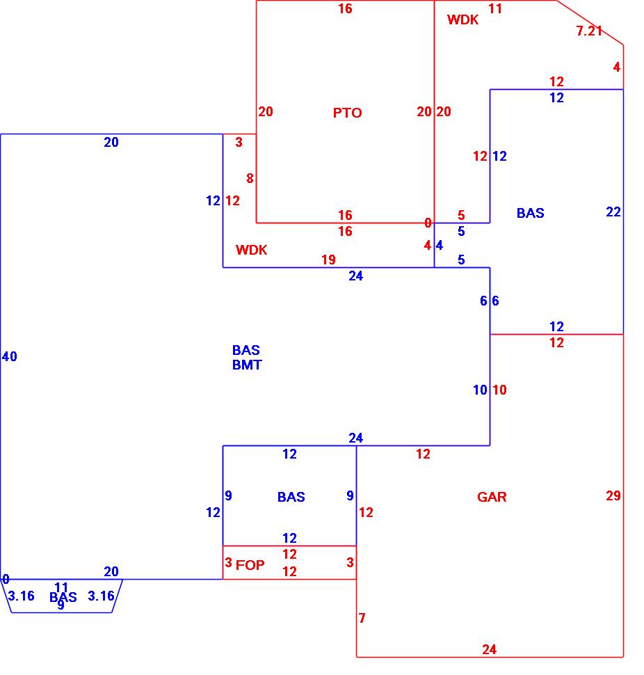
| As Built Cards:Click card # to view: | Card #1 | |

| B2N | Barn-any 2nd story area | FPC | Open Porch Concrete Floor | REF | Reference Only |
| BAS | First Floor, Living Area | FTS | Third Story Living Area (Finished) | SOL | Solarium |
| BMT | Basement Area (Unfinished) | FUS | Second Story Living Area (Finished) | SPE | Pool Enclosure |
| BRN | Barn | GAR | Garage | TQS | Three Quarters Story (Finished) |
| CAN | Canopy | GAZ | Gazebo | UAT | Attic Area (Unfinished) |
| CLP | Loading Platform | GRN | Greenhouse | UHS | Half Story (Unfinished) |
| FAT | Attic Area (Finished) | GXT | Garage Extension Front | UST | Utility Area (Unfinished) |
| FCP | Carport | KEN | Kennel | UTQ | Three Quarters Story (Unfinished) |
| FEP | Enclosed Porch | MZ1 | Mezzanine, Unfinished | UUA | Unfinished Utility Attic |
| FHS | Half Story (Finished) | PRG | Pergola | UUS | Full Upper 2nd Story (Unfinished) |
| FOP | Open or Screened in Porch | PRT | Portico | WDK | Wood Deck |
| PTO | Patio | ||||
Building |
Details |
Land |
|||
| Building value | $ 321,500 | Bedrooms | 3 Bedrooms | USE CODE | 1010 |
| Replacement Cost | $452,860 | Bathrooms | 3 Full-0 Half | Lot Size (Acres) | 0.46 |
| Model | Residential | Total Rooms | 8 Rooms | Appraised Value | $ 667,000 |
| Style | Ranch | Heat Fuel | Gas | Assessed Value | $ 667,000 |
| Grade | Average | Heat Type | Hot Water | ||
| Year Built | 1955 | AC Type | None | ||
| Effective depreciation | 29 | Interior Floors | Hardwood | ||
| Stories | 1 Story | Interior Walls | Drywall | ||
| Living Area sq/ft | 1,606 | Exterior Walls | Wood Shingle | ||
| Gross Area sq/ft | 4,006 | Roof Structure | Gable/Hip | ||
| Roof Cover | Asph/F Gls/Cmp | ||||
| Code | Description | Units/SQ ft | Appraised Value | Assessed Value |
| BFA | Bsmt Fin-Avg | 1100 | $ 13,600 | $ 13,600 |
| FPL1 | Fireplace 1 story | 1 | $ 3,600 | $ 3,600 |
| WDC | Wood Deck w/o railings | 280 | $ 700 | $ 700 |
| PAT2 | Patio-Good | 320 | $ 1,800 | $ 1,800 |
| FOP | Open Porch-roof-ceiling | 36 | $ 1,900 | $ 1,900 |
| GAR | Attached Garage | 576 | $ 14,500 | $ 14,500 |
| BMT | Basement-Unfinished | 1184 | $ 21,100 | $ 21,100 |
| GEN | Emergency Generator | 1 | $ 5,200 | $ 5,200 |