
| Appraised Value | Assessed Value | |
| Building Value | $ 635,000 | $ 635,000 |
| Extra Features | $ 28,500 | $ 28,500 |
| Outbuildings | $ 8,200 | $ 8,200 |
| Land Value | $ 2,070,400 | $ 2,070,400 |
| Totals | $ 2,742,100 | $ 2,742,100 |
| 2026
C.O.M.M. FD Tax (Commercial) $ 0 C.O.M.M. FD Tax (Residential) $ 3,153.42 Community Preservation Act Tax $ 559.39 Town Tax (Commercial) $ 0 Town Tax (Residential) $ 18,646.28 Total: $ 22,359.09 |
2025
C.O.M.M. FD Tax (Commercial) $ 0 C.O.M.M. FD Tax (Residential) $ 3,095.80 Community Preservation Act Tax $ 560.47 Town Tax (Commercial) $ 0 Town Tax (Residential) $ 18,682.48 Total: $ 22,338.75 |
| Owner: | Sale Date | Book/Page: | Sale Price: |
| DEL COL, ROBERT E & JUDITH ANN TRS | 2024-11-01 | 36651/114 | $10 |
| DEL COL, ROBERT & JUDITH A | 1988-08-15 | 6377/0042 | $420000 |
| SWAN, JOSEPH E & DENISE G | 1986-06-15 | 5108/0268 | $425000 |
| MACMILLAN, FRANCES J | 1985-02-19 | 4421/0312 | $0 |
| MACMILLAN, FRANCES J | 1983-08-15 | 3819/0344 | $0 |
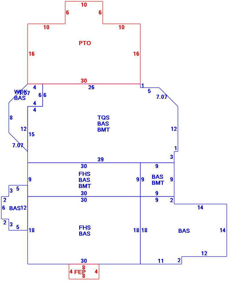
| As Built Cards:Click card # to view: | Card #1 | |

| B2N | Barn-any 2nd story area | FPC | Open Porch Concrete Floor | REF | Reference Only |
| BAS | First Floor, Living Area | FTS | Third Story Living Area (Finished) | SOL | Solarium |
| BMT | Basement Area (Unfinished) | FUS | Second Story Living Area (Finished) | SPE | Pool Enclosure |
| BRN | Barn | GAR | Garage | TQS | Three Quarters Story (Finished) |
| CAN | Canopy | GAZ | Gazebo | UAT | Attic Area (Unfinished) |
| CLP | Loading Platform | GRN | Greenhouse | UHS | Half Story (Unfinished) |
| FAT | Attic Area (Finished) | GXT | Garage Extension Front | UST | Utility Area (Unfinished) |
| FCP | Carport | KEN | Kennel | UTQ | Three Quarters Story (Unfinished) |
| FEP | Enclosed Porch | MZ1 | Mezzanine, Unfinished | UUA | Unfinished Utility Attic |
| FHS | Half Story (Finished) | PRG | Pergola | UUS | Full Upper 2nd Story (Unfinished) |
| FOP | Open or Screened in Porch | PRT | Portico | WDK | Wood Deck |
| PTO | Patio | ||||
Building |
Details |
Land |
|||
| Building value | $ 635,000 | Bedrooms | 5 Bedrooms | USE CODE | 1010 |
| Replacement Cost | $869,822 | Bathrooms | 4 Full-1 Half | Lot Size (Acres) | 0.55 |
| Model | Residential | Total Rooms | 9 Rooms | Appraised Value | $ 2,070,400 |
| Style | Conventional | Heat Fuel | Gas | Assessed Value | $ 2,070,400 |
| Grade | Average Plus | Heat Type | Hot Air | ||
| Year Built | 1925 | AC Type | Central | ||
| Effective depreciation | 27 | Interior Floors | CarpetHardwood | ||
| Stories | 1 3/4 Stories | Interior Walls | Plastered | ||
| Living Area sq/ft | 3,124 | Exterior Walls | Wood Shingle | ||
| Gross Area sq/ft | 5,609 | Roof Structure | Gable/Hip | ||
| Roof Cover | Wood Shingle | ||||
| Code | Description | Units/SQ ft | Appraised Value | Assessed Value |
| FPL2 | Fireplace 1.5 stories | 1 | $ 4,400 | $ 4,400 |
| WDCK | Wood Decking w/railings | 89 | $ 2,300 | $ 2,300 |
| PAT2 | Patio-Good | 540 | $ 4,300 | $ 4,300 |
| FEP | Enclosed porch-roof,ceiling | 32 | $ 3,000 | $ 3,000 |
| BMT | Basement-Unfinished | 1141 | $ 21,100 | $ 21,100 |
| SHED | Shed | 96 | $ 1,600 | $ 1,600 |