
| Appraised Value | Assessed Value | |
| Building Value | $ 1,253,900 | $ 1,253,900 |
| Extra Features | $ 71,100 | $ 71,100 |
| Outbuildings | $ 138,600 | $ 138,600 |
| Land Value | $ 4,532,100 | $ 4,532,100 |
| Totals | $ 5,995,700 | $ 5,995,700 |
| 2026
C.O.M.M. FD Tax (Commercial) $ 0 C.O.M.M. FD Tax (Residential) $ 6,895.06 Community Preservation Act Tax $ 1,223.12 Town Tax (Commercial) $ 0 Town Tax (Residential) $ 40,770.76 Total: $ 48,888.94 |
2025
C.O.M.M. FD Tax (Commercial) $ 0 C.O.M.M. FD Tax (Residential) $ 7,160.94 Community Preservation Act Tax $ 1,296.44 Town Tax (Commercial) $ 0 Town Tax (Residential) $ 43,214.69 Total: $ 51,672.07 |
| Owner: | Sale Date | Book/Page: | Sale Price: |
| MANATEE REALTY ASSOCIATES LLC | 2021-06-08 | C226546/0 | $1 |
| MCCOY, JANET H & CLEARY TRACY M TRS | 2008-01-31 | C185137/0 | $1 |
| MCCOY, JANET H | 1982-01-15 | C87887/0 | $0 |
| As Built Cards:Click card # to view: | Card #1 | | Card #2 | | Card #3 | |
This property contains multiple sketches.

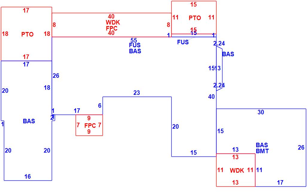
| B2N | Barn-any 2nd story area | FPC | Open Porch Concrete Floor | REF | Reference Only |
| BAS | First Floor, Living Area | FTS | Third Story Living Area (Finished) | SOL | Solarium |
| BMT | Basement Area (Unfinished) | FUS | Second Story Living Area (Finished) | SPE | Pool Enclosure |
| BRN | Barn | GAR | Garage | TQS | Three Quarters Story (Finished) |
| CAN | Canopy | GAZ | Gazebo | UAT | Attic Area (Unfinished) |
| CLP | Loading Platform | GRN | Greenhouse | UHS | Half Story (Unfinished) |
| FAT | Attic Area (Finished) | GXT | Garage Extension Front | UST | Utility Area (Unfinished) |
| FCP | Carport | KEN | Kennel | UTQ | Three Quarters Story (Unfinished) |
| FEP | Enclosed Porch | MZ1 | Mezzanine, Unfinished | UUA | Unfinished Utility Attic |
| FHS | Half Story (Finished) | PRG | Pergola | UUS | Full Upper 2nd Story (Unfinished) |
| FOP | Open or Screened in Porch | PRT | Portico | WDK | Wood Deck |
| PTO | Patio | ||||
Building |
Details |
Land |
|||
| Building value | $ 1,253,900 | Bedrooms | 6 Bedrooms | USE CODE | 1090 |
| Replacement Cost | $1,133,480 | Bathrooms | 5 Full-1 Half | Lot Size (Acres) | 1.01 |
| Model | Residential | Total Rooms | 10 Rooms | Appraised Value | $ 4,532,100 |
| Style | Conventional | Heat Fuel | Gas | Assessed Value | $ 4,532,100 |
| Grade | Average Plus | Heat Type | Hot Water | ||
| Year Built | 1920 | AC Type | Central | ||
| Effective depreciation | 23 | Interior Floors | HardwoodPine/Soft Wood | ||
| Stories | 2 Stories | Interior Walls | Plastered | ||
| Living Area sq/ft | 4,346 | Exterior Walls | Wood Shingle | ||
| Gross Area sq/ft | 6,300 | Roof Structure | Gable/Hip | ||
| Roof Cover | Wood Shingle | ||||
| Code | Description | Units/SQ ft | Appraised Value | Assessed Value |
| FPL3 | Fireplace 2 story | 2 | $ 10,800 | $ 10,800 |
| DKAV | Dock-Ave | 1 | $ 42,000 | $ 42,000 |
| FPO | Ext FP Opening | 1 | $ 1,500 | $ 1,500 |
| GAR4 | Det Gar-w/FUS | 782 | $ 84,200 | $ 84,200 |
| WDCK | Wood Decking w/railings | 463 | $ 3,000 | $ 3,000 |
| PAT2 | Patio-Good | 471 | $ 3,100 | $ 3,100 |
| FOPC | Open Prch-roof, ceiling | 383 | $ 11,100 | $ 11,100 |
| BMT | Basement-Unfinished | 637 | $ 15,300 | $ 15,300 |
| PRG1 | Pergola-Avg | 68 | $ 500 | $ 500 |
| STRS | Stairs to Water | 13 | $ 500 | $ 500 |
| GEN | Emergency Generator | 1 | $ 5,300 | $ 5,300 |
| FPL2 | Fireplace 1.5 stories | 1 | $ 4,600 | $ 4,600 |
| FOPC | Open Prch-roof, ceiling | 48 | $ 2,200 | $ 2,200 |
| BMT | Basement-Unfinished | 816 | $ 17,700 | $ 17,700 |
| FEP | Enclosed porch-roof,ceiling | 144 | $ 7,900 | $ 7,900 |