
| Appraised Value | Assessed Value | |
| Building Value | $ 399,600 | $ 399,600 |
| Extra Features | $ 32,400 | $ 32,400 |
| Outbuildings | $ 17,900 | $ 17,900 |
| Land Value | $ 191,800 | $ 191,800 |
| Totals | $ 641,700 | $ 641,700 |
| 2026
C.O.M.M. FD Tax (Commercial) $ 0 C.O.M.M. FD Tax (Residential) $ 737.96 Community Preservation Act Tax $ 74.85 Town Tax (Commercial) $ 0 Town Tax (Residential) $ 2,495.01 Total: $ 3,307.82 |
2025
C.O.M.M. FD Tax (Commercial) $ 0 C.O.M.M. FD Tax (Residential) $ 717.49 Community Preservation Act Tax $ 81.22 Town Tax (Commercial) $ 0 Town Tax (Residential) $ 2,707.35 Total: $ 3,506.06 |
| Residential Exemption Received= $274,787 |
Residential Exemption Received= $233,792 |
| Owner: | Sale Date | Book/Page: | Sale Price: |
| CHALLIES, PAMELA J | 2009-02-06 | 23426/0084 | $332500 |
| MANLEY, SCOTT W | 1998-03-02 | 11253/0198 | $1 |
| MANLEY, SCOTT W & SARAH B | 1992-03-15 | 7916/0048 | $95000 |
| LAGADINOS, NICHOLAS A & P P | 1986-09-15 | 5295/0308 | $107900 |
| ROGERS, RICHARD | 1979-04-14 | 2903/0048 | $31000 |
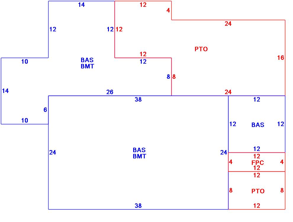
| As Built Cards:Click card # to view: | Card #1 | |

| B2N | Barn-any 2nd story area | FPC | Open Porch Concrete Floor | REF | Reference Only |
| BAS | First Floor, Living Area | FTS | Third Story Living Area (Finished) | SOL | Solarium |
| BMT | Basement Area (Unfinished) | FUS | Second Story Living Area (Finished) | SPE | Pool Enclosure |
| BRN | Barn | GAR | Garage | TQS | Three Quarters Story (Finished) |
| CAN | Canopy | GAZ | Gazebo | UAT | Attic Area (Unfinished) |
| CLP | Loading Platform | GRN | Greenhouse | UHS | Half Story (Unfinished) |
| FAT | Attic Area (Finished) | GXT | Garage Extension Front | UST | Utility Area (Unfinished) |
| FCP | Carport | KEN | Kennel | UTQ | Three Quarters Story (Unfinished) |
| FEP | Enclosed Porch | MZ1 | Mezzanine, Unfinished | UUA | Unfinished Utility Attic |
| FHS | Half Story (Finished) | PRG | Pergola | UUS | Full Upper 2nd Story (Unfinished) |
| FOP | Open or Screened in Porch | PRT | Portico | WDK | Wood Deck |
| PTO | Patio | ||||
Building |
Details |
Land |
|||
| Building value | $ 399,600 | Bedrooms | 2 Bedrooms | USE CODE | 1010 |
| Replacement Cost | $519,002 | Bathrooms | 2 Full-0 Half | Lot Size (Acres) | 0.46 |
| Model | Residential | Total Rooms | 7 | Appraised Value | $ 191,800 |
| Style | Ranch | Heat Fuel | Gas | Assessed Value | $ 191,800 |
| Grade | Average Plus | Heat Type | Hot Air | ||
| Year Built | 1972 | AC Type | Central | ||
| Effective depreciation | 23 | Interior Floors | HardwoodCarpet | ||
| Stories | 1 Story | Interior Walls | Drywall | ||
| Living Area sq/ft | 1,572 | Exterior Walls | Wood Shingle | ||
| Gross Area sq/ft | 3,672 | Roof Structure | Gable/Hip | ||
| Roof Cover | Asph/F Gls/Cmp | ||||
| Code | Description | Units/SQ ft | Appraised Value | Assessed Value |
| FPL1 | Fireplace 1 story | 1 | $ 3,900 | $ 3,900 |
| FGR2 | Garage- Avg-Wd Shingle | 364 | $ 11,100 | $ 11,100 |
| SHED | Shed | 196 | $ 2,500 | $ 2,500 |
| PAT2 | Patio-Good | 560 | $ 4,300 | $ 4,300 |
| FOPC | Open Prch-roof, ceiling | 48 | $ 2,200 | $ 2,200 |
| BMT | Basement-Unfinished | 1428 | $ 26,300 | $ 26,300 |