
| Appraised Value | Assessed Value | |
| Building Value | $ 5,953,500 | $ 5,953,500 |
| Extra Features | $ 174,300 | $ 174,300 |
| Outbuildings | $ 213,200 | $ 213,200 |
| Land Value | $ 7,882,900 | $ 7,882,900 |
| Totals | $ 14,223,900 | $ 14,223,900 |
| 2026
C.O.M.M. FD Tax (Commercial) $ 0 C.O.M.M. FD Tax (Residential) $ 16,357.49 Community Preservation Act Tax $ 2,901.68 Town Tax (Commercial) $ 0 Town Tax (Residential) $ 96,722.52 Total: $ 115,981.69 |
2025
C.O.M.M. FD Tax (Commercial) $ 0 C.O.M.M. FD Tax (Residential) $ 17,449.41 Community Preservation Act Tax $ 3,159.10 Town Tax (Commercial) $ 0 Town Tax (Residential) $ 105,303.40 Total: $ 125,911.91 |
| Owner: | Sale Date | Book/Page: | Sale Price: |
| 923 CAPE VIEW LLC | 2017-02-28 | C212176/0 | $7200000 |
| FOY, GEORGE TR | 2013-05-23 | BA13P0529EA/0 | $0 |
| FOY, GEORGE & LOUIS TRS | 2005-05-24 | #D1002460/0 | $0 |
| FOY, KATHARINE S TR | 1990-05-15 | C120402/0 | $1 |
| FOY, KATHARINE S | 1965-10-07 | C36106/0 | $0 |
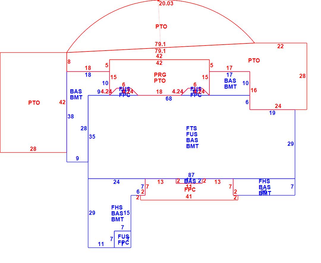
| As Built Cards:Click card # to view: | Card #1 | | Card #2 | |

| B2N | Barn-any 2nd story area | FPC | Open Porch Concrete Floor | REF | Reference Only |
| BAS | First Floor, Living Area | FTS | Third Story Living Area (Finished) | SOL | Solarium |
| BMT | Basement Area (Unfinished) | FUS | Second Story Living Area (Finished) | SPE | Pool Enclosure |
| BRN | Barn | GAR | Garage | TQS | Three Quarters Story (Finished) |
| CAN | Canopy | GAZ | Gazebo | UAT | Attic Area (Unfinished) |
| CLP | Loading Platform | GRN | Greenhouse | UHS | Half Story (Unfinished) |
| FAT | Attic Area (Finished) | GXT | Garage Extension Front | UST | Utility Area (Unfinished) |
| FCP | Carport | KEN | Kennel | UTQ | Three Quarters Story (Unfinished) |
| FEP | Enclosed Porch | MZ1 | Mezzanine, Unfinished | UUA | Unfinished Utility Attic |
| FHS | Half Story (Finished) | PRG | Pergola | UUS | Full Upper 2nd Story (Unfinished) |
| FOP | Open or Screened in Porch | PRT | Portico | WDK | Wood Deck |
| PTO | Patio | ||||
Building |
Details |
Land |
|||
| Building value | $ 5,953,500 | Bedrooms | 8 Bedrooms | USE CODE | 1010 |
| Replacement Cost | $6,201,596 | Bathrooms | 9 Full-2 Half | Lot Size (Acres) | 2.23 |
| Model | Residential | Total Rooms | 14 Rooms | Appraised Value | $ 7,882,900 |
| Style | Conventional | Heat Fuel | None | Assessed Value | $ 7,882,900 |
| Grade | Exceptional Pl | Heat Type | Hot Water | ||
| Year Built | 2019 | AC Type | Central | ||
| Effective depreciation | 4 | Interior Floors | HardwoodCarpet | ||
| Stories | 2 Stories w/FA | Interior Walls | Plastered | ||
| Living Area sq/ft | 10,566 | Exterior Walls | Wood Shingle | ||
| Gross Area sq/ft | 20,230 | Roof Structure | Gable/Hip | ||
| Roof Cover | Wood Shingle | ||||
| Code | Description | Units/SQ ft | Appraised Value | Assessed Value |
| DKAV | Dock-Ave | 1 | $ 42,000 | $ 42,000 |
| STRS | Stairs to Water | 13 | $ 500 | $ 500 |
| BMT | Basement-Unfinished | 4230 | $ 82,900 | $ 82,900 |
| FPLG | Gas Fireplace-Direct Vent | 1 | $ 2,400 | $ 2,400 |
| FPL2 | Fireplace 1.5 stories | 1 | $ 5,800 | $ 5,800 |
| FPO | Ext FP Opening | 1 | $ 1,900 | $ 1,900 |
| FOPC | Open Prch-roof, ceiling | 422 | $ 15,200 | $ 15,200 |
| BFA1 | Bsmt Fin-Good-Partitioned | 2115 | $ 66,100 | $ 66,100 |
| PATF | Flagstone Pavers on conc | 4088 | $ 89,800 | $ 89,800 |
| GEN1 | Large Generator | 1 | $ 27,000 | $ 27,000 |
| BTH3 | Bath House-Fin-Plumb-Avg | 216 | $ 32,100 | $ 32,100 |
| PATF | Flagstone Pavers on conc | 280 | $ 8,200 | $ 8,200 |
| WDC | Wood Deck w/o railings | 216 | $ 4,100 | $ 4,100 |
| PRG1 | Pergola-Avg | 576 | $ 9,500 | $ 9,500 |