
| Appraised Value | Assessed Value | |
| Building Value | $ 970,500 | $ 970,500 |
| Extra Features | $ 89,200 | $ 89,200 |
| Outbuildings | $ 38,800 | $ 38,800 |
| Land Value | $ 773,700 | $ 773,700 |
| Totals | $ 1,872,200 | $ 1,872,200 |
| 2026
C.O.M.M. FD Tax (Commercial) $ 0 C.O.M.M. FD Tax (Residential) $ 2,153.03 Community Preservation Act Tax $ 381.93 Town Tax (Commercial) $ 0 Town Tax (Residential) $ 12,730.96 Total: $ 15,265.92 |
2025
C.O.M.M. FD Tax (Commercial) $ 0 C.O.M.M. FD Tax (Residential) $ 2,001.81 Community Preservation Act Tax $ 362.41 Town Tax (Commercial) $ 0 Town Tax (Residential) $ 12,080.46 Total: $ 14,444.68 |
| Owner: | Sale Date | Book/Page: | Sale Price: |
| SIDMAN, MARJORIE R TR | 2009-03-10 | 23514/0159 | $1 |
| SIDMAN, MARJORIE | 2006-12-08 | 21593/0247 | $800000 |
| MULLEN, ALICE E TR | 1994-12-15 | 9479/0314 | $1 |
| SIDMAN TO MULLEN | 1993-06-16 | 8629/0257 | $1 |
| MULLEN, ALICE E | 1966-11-17 | 1351/1108 | $0 |
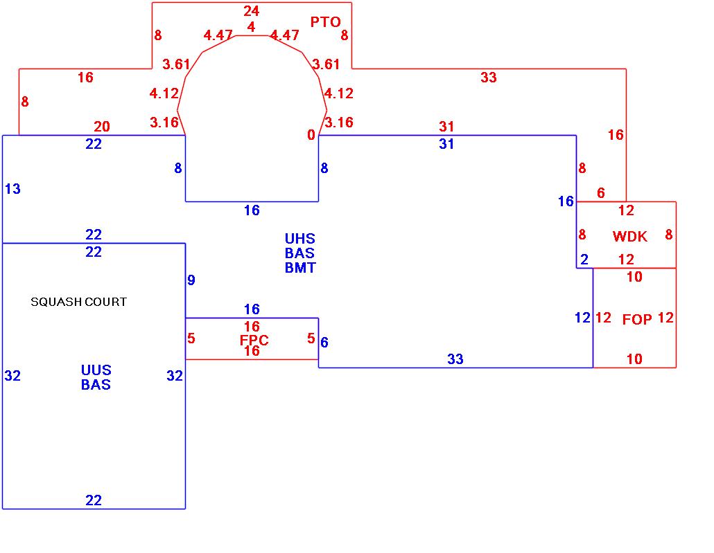
| As Built Cards:Click card # to view: | Card #1 | | Card #2 | |

| B2N | Barn-any 2nd story area | FPC | Open Porch Concrete Floor | REF | Reference Only |
| BAS | First Floor, Living Area | FTS | Third Story Living Area (Finished) | SOL | Solarium |
| BMT | Basement Area (Unfinished) | FUS | Second Story Living Area (Finished) | SPE | Pool Enclosure |
| BRN | Barn | GAR | Garage | TQS | Three Quarters Story (Finished) |
| CAN | Canopy | GAZ | Gazebo | UAT | Attic Area (Unfinished) |
| CLP | Loading Platform | GRN | Greenhouse | UHS | Half Story (Unfinished) |
| FAT | Attic Area (Finished) | GXT | Garage Extension Front | UST | Utility Area (Unfinished) |
| FCP | Carport | KEN | Kennel | UTQ | Three Quarters Story (Unfinished) |
| FEP | Enclosed Porch | MZ1 | Mezzanine, Unfinished | UUA | Unfinished Utility Attic |
| FHS | Half Story (Finished) | PRG | Pergola | UUS | Full Upper 2nd Story (Unfinished) |
| FOP | Open or Screened in Porch | PRT | Portico | WDK | Wood Deck |
| PTO | Patio | ||||
Building |
Details |
Land |
|||
| Building value | $ 970,500 | Bedrooms | 2 Bedrooms | USE CODE | 1010 |
| Replacement Cost | $1,066,464 | Bathrooms | 3 Full-0 Half | Lot Size (Acres) | 1.31 |
| Model | Residential | Total Rooms | 8 | Appraised Value | $ 773,700 |
| Style | Modern/Contemp | Heat Fuel | Gas | Assessed Value | $ 773,700 |
| Grade | Custom | Heat Type | Hot Air | ||
| Year Built | 2007 | AC Type | Central | ||
| Effective depreciation | 9 | Interior Floors | CarpetCeram Clay Til | ||
| Stories | 2 Stories | Interior Walls | Drywall | ||
| Living Area sq/ft | 2,106 | Exterior Walls | Wood on Sheath | ||
| Gross Area sq/ft | 6,557 | Roof Structure | Gable/Hip | ||
| Roof Cover | Asph/F Gls/Cmp | ||||
| Code | Description | Units/SQ ft | Appraised Value | Assessed Value |
| BFA2 | Bsmt Fin-VG-Partitioned | 900 | $ 44,600 | $ 44,600 |
| FPLG | Gas Fireplace-Direct Vent | 2 | $ 4,600 | $ 4,600 |
| PAT2 | Patio-Good | 647 | $ 5,500 | $ 5,500 |
| WDCK | Wood Decking w/railings | 96 | $ 2,800 | $ 2,800 |
| FOP | Open Porch-roof-ceiling | 120 | $ 5,700 | $ 5,700 |
| BMT | Basement-Unfinished | 1402 | $ 30,700 | $ 30,700 |
| GEN1 | Large Generator | 1 | $ 23,400 | $ 23,400 |
| FOPC | Open Prch-roof, ceiling | 80 | $ 3,600 | $ 3,600 |
| STRS | Stairs to Water | 30 | $ 3,200 | $ 3,200 |
| WDC | Wood Deck w/o railings | 184 | $ 3,900 | $ 3,900 |