
| Appraised Value | Assessed Value | |
| Building Value | $ 655,000 | $ 655,000 |
| Extra Features | $ 116,400 | $ 116,400 |
| Outbuildings | $ 15,200 | $ 15,200 |
| Land Value | $ 756,600 | $ 756,600 |
| Totals | $ 1,543,200 | $ 1,543,200 |
| 2026
C.O.M.M. FD Tax (Commercial) $ 0 C.O.M.M. FD Tax (Residential) $ 1,774.68 Community Preservation Act Tax $ 258.76 Town Tax (Commercial) $ 0 Town Tax (Residential) $ 8,625.21 Total: $ 10,658.65 |
2025
C.O.M.M. FD Tax (Commercial) $ 0 C.O.M.M. FD Tax (Residential) $ 1,711.66 Community Preservation Act Tax $ 261.21 Town Tax (Commercial) $ 0 Town Tax (Residential) $ 8,706.98 Total: $ 10,679.85 |
| Residential Exemption Received= $274,787 |
Residential Exemption Received= $233,792 |
| Owner: | Sale Date | Book/Page: | Sale Price: |
| REID, RICHARD J & JEANNE I | 2003-10-24 | 17842/0297 | $695000 |
| VALENTI, ANTHONY & ROSE | 1983-06-15 | 3769/0270 | $48000 |
| SANDY SIDE CORP | 1981-07-10 | 3321/0246 | $42000 |
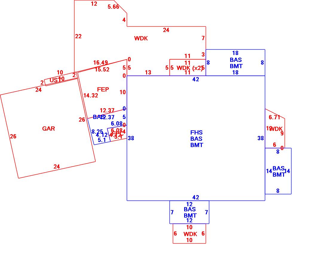
| As Built Cards:Click card # to view: | Card #1 | |

| B2N | Barn-any 2nd story area | FPC | Open Porch Concrete Floor | REF | Reference Only |
| BAS | First Floor, Living Area | FTS | Third Story Living Area (Finished) | SOL | Solarium |
| BMT | Basement Area (Unfinished) | FUS | Second Story Living Area (Finished) | SPE | Pool Enclosure |
| BRN | Barn | GAR | Garage | TQS | Three Quarters Story (Finished) |
| CAN | Canopy | GAZ | Gazebo | UAT | Attic Area (Unfinished) |
| CLP | Loading Platform | GRN | Greenhouse | UHS | Half Story (Unfinished) |
| FAT | Attic Area (Finished) | GXT | Garage Extension Front | UST | Utility Area (Unfinished) |
| FCP | Carport | KEN | Kennel | UTQ | Three Quarters Story (Unfinished) |
| FEP | Enclosed Porch | MZ1 | Mezzanine, Unfinished | UUA | Unfinished Utility Attic |
| FHS | Half Story (Finished) | PRG | Pergola | UUS | Full Upper 2nd Story (Unfinished) |
| FOP | Open or Screened in Porch | PRT | Portico | WDK | Wood Deck |
| PTO | Patio | ||||
Building |
Details |
Land |
|||
| Building value | $ 655,000 | Bedrooms | 4 Bedrooms | USE CODE | 1010 |
| Replacement Cost | $798,795 | Bathrooms | 3 Full-0 Half | Lot Size (Acres) | 1.03 |
| Model | Residential | Total Rooms | 8 Rooms | Appraised Value | $ 756,600 |
| Style | Cape Cod | Heat Fuel | Gas | Assessed Value | $ 756,600 |
| Grade | Average Plus | Heat Type | Hot Air | ||
| Year Built | 1984 | AC Type | Central | ||
| Effective depreciation | 18 | Interior Floors | CarpetHardwood | ||
| Stories | 1 1/2 Stories | Interior Walls | Drywall | ||
| Living Area sq/ft | 2,808 | Exterior Walls | Wood Shingle | ||
| Gross Area sq/ft | 7,260 | Roof Structure | Gable/Hip | ||
| Roof Cover | Asph/F Gls/Cmp | ||||
| Code | Description | Units/SQ ft | Appraised Value | Assessed Value |
| BFA1 | Bsmt Fin-Good-Partitioned | 1600 | $ 42,700 | $ 42,700 |
| FPL1 | Fireplace 1 story | 1 | $ 4,100 | $ 4,100 |
| WDCK | Wood Decking w/railings | 787 | $ 8,600 | $ 8,600 |
| FOPC | Open Prch-roof, ceiling | 22 | $ 1,300 | $ 1,300 |
| FEP | Enclosed porch-roof,ceiling | 201 | $ 10,300 | $ 10,300 |
| GAR | Attached Garage | 624 | $ 17,700 | $ 17,700 |
| BMT | Basement-Unfinished | 1936 | $ 35,700 | $ 35,700 |
| FPLG | Gas Fireplace-Direct Vent | 1 | $ 2,100 | $ 2,100 |
| FPLG | Gas Fireplace-Direct Vent | 1 | $ 2,100 | $ 2,100 |
| UST | Utility Storage-attached | 20 | $ 400 | $ 400 |
| STRS | Stairs to Water | 12 | $ 1,300 | $ 1,300 |
| SHED | Shed | 112 | $ 1,900 | $ 1,900 |
| SHED | Shed | 96 | $ 1,700 | $ 1,700 |
| WDC | Wood Deck w/o railings | 63 | $ 1,700 | $ 1,700 |