
| Appraised Value | Assessed Value | |
| Building Value | $ 653,300 | $ 653,300 |
| Extra Features | $ 42,700 | $ 42,700 |
| Outbuildings | $ 115,800 | $ 115,800 |
| Land Value | $ 2,344,900 | $ 2,344,900 |
| Totals | $ 3,156,700 | $ 3,156,700 |
| 2026
Community Preservation Act Tax $ 643.97 Cotuit FD Tax (Commercial) $ 0 Cotuit FD Tax (Residential) $ 6,534.37 Town Tax (Commercial) $ 0 Town Tax (Residential) $ 21,465.56 Total: $ 28,643.90 |
2025
Community Preservation Act Tax $ 613.94 Cotuit FD Tax (Commercial) $ 0 Cotuit FD Tax (Residential) $ 4,157.81 Town Tax (Commercial) $ 0 Town Tax (Residential) $ 20,464.67 Total: $ 25,236.42 |
| Owner: | Sale Date | Book/Page: | Sale Price: |
| NARROWS LIMITED | 1989-10-25 | 6931/0175 | $1000000 |
| BIDWELL, JOHN & ANNE | 1973-03-08 | 1817/0258 | $0 |
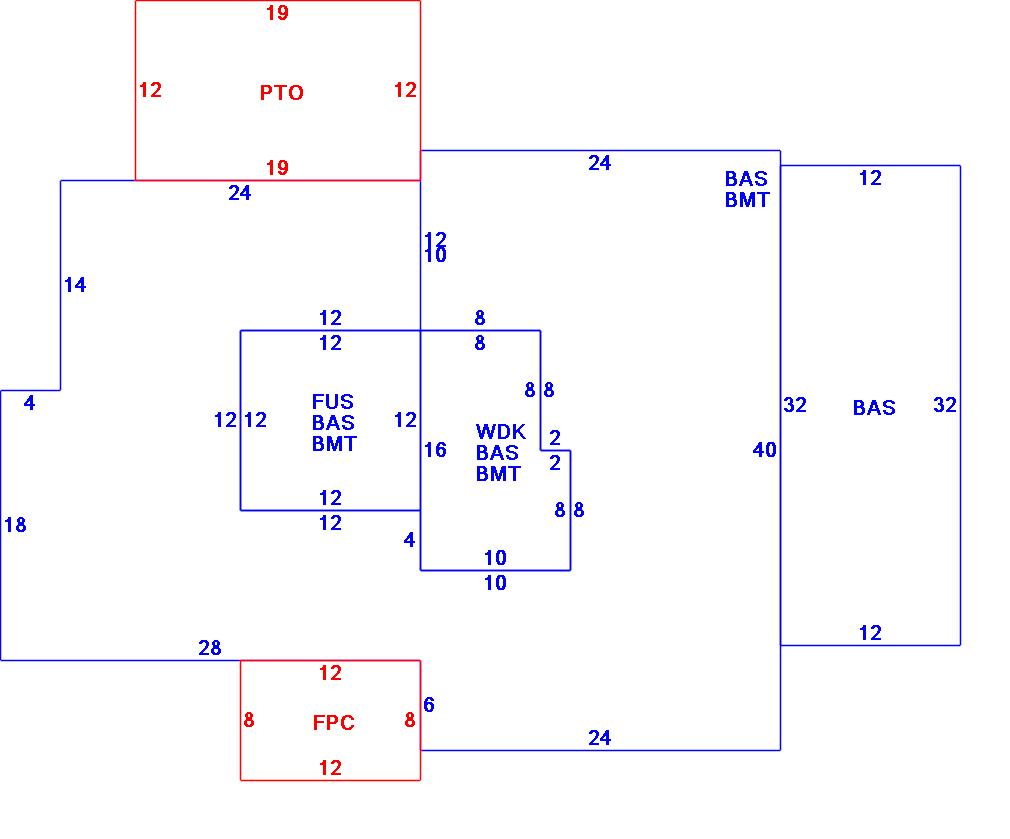
| As Built Cards:Click card # to view: | Card #1 | | Card #2 | |

| B2N | Barn-any 2nd story area | FPC | Open Porch Concrete Floor | REF | Reference Only |
| BAS | First Floor, Living Area | FTS | Third Story Living Area (Finished) | SOL | Solarium |
| BMT | Basement Area (Unfinished) | FUS | Second Story Living Area (Finished) | SPE | Pool Enclosure |
| BRN | Barn | GAR | Garage | TQS | Three Quarters Story (Finished) |
| CAN | Canopy | GAZ | Gazebo | UAT | Attic Area (Unfinished) |
| CLP | Loading Platform | GRN | Greenhouse | UHS | Half Story (Unfinished) |
| FAT | Attic Area (Finished) | GXT | Garage Extension Front | UST | Utility Area (Unfinished) |
| FCP | Carport | KEN | Kennel | UTQ | Three Quarters Story (Unfinished) |
| FEP | Enclosed Porch | MZ1 | Mezzanine, Unfinished | UUA | Unfinished Utility Attic |
| FHS | Half Story (Finished) | PRG | Pergola | UUS | Full Upper 2nd Story (Unfinished) |
| FOP | Open or Screened in Porch | PRT | Portico | WDK | Wood Deck |
| PTO | Patio | ||||
Building |
Details |
Land |
|||
| Building value | $ 653,300 | Bedrooms | 2 Bedrooms | USE CODE | 1010 |
| Replacement Cost | $787,108 | Bathrooms | 3 Full-0 Half | Lot Size (Acres) | 1.5 |
| Model | Residential | Total Rooms | 6 | Appraised Value | $ 2,344,900 |
| Style | Modern/Contemp | Heat Fuel | Propane | Assessed Value | $ 2,344,900 |
| Grade | Custom Minus | Heat Type | Hot Air | ||
| Year Built | 1985 | AC Type | Central | ||
| Effective depreciation | 17 | Interior Floors | Hardwood | ||
| Stories | 1 1/2 Stories | Interior Walls | Drywall | ||
| Living Area sq/ft | 2,328 | Exterior Walls | Wood Shingle | ||
| Gross Area sq/ft | 4,596 | Roof Structure | Gable/Hip | ||
| Roof Cover | Asph/F Gls/Cmp | ||||
| Code | Description | Units/SQ ft | Appraised Value | Assessed Value |
| SHED | Shed | 160 | $ 900 | $ 900 |
| BFA | Bsmt Fin-Avg | 288 | $ 5,000 | $ 5,000 |
| GAR4 | Det Gar-w/FUS | 506 | $ 3,600 | $ 3,600 |
| GSQT | Guest Quarters-Wd Fm | 736 | $ 90,400 | $ 90,400 |
| PATC | Conc Pavers W/Conc | 228 | $ 3,000 | $ 3,000 |
| FOPC | Open Prch-roof, ceiling | 96 | $ 3,700 | $ 3,700 |
| BMT | Basement-Unfinished | 1800 | $ 34,000 | $ 34,000 |
| WDCK | Wood Decking w/railings | 144 | $ 2,400 | $ 2,400 |
| STRS | Stairs to Water | 36 | $ 2,200 | $ 2,200 |
| WDCC | Deck composite no railings | 168 | $ 3,100 | $ 3,100 |
| BTH1 | Bath Hse - No Plumbing | 40 | $ 1,300 | $ 1,300 |
| FOPD | FOP-CONCRETE-DET | 32 | $ 1,100 | $ 1,100 |
| WDC | Wood Deck w/o railings | 36 | $ 1,300 | $ 1,300 |
| SHED | Shed | 80 | $ 900 | $ 900 |
| GEN | Emergency Generator | 1 | $ 5,600 | $ 5,600 |