
| Appraised Value | Assessed Value | |
| Building Value | $ 723,200 | $ 723,200 |
| Extra Features | $ 54,700 | $ 54,700 |
| Outbuildings | $ 6,300 | $ 6,300 |
| Land Value | $ 218,600 | $ 218,600 |
| Totals | $ 1,002,800 | $ 1,002,800 |
| 2026
C.O.M.M. FD Tax (Residential) $ 1,153.22 Community Preservation Act Tax $ 148.51 Town Tax (Residential) $ 4,950.49 Total: $ 6,252.22 |
2025
C.O.M.M. FD Tax (Commercial) $ 0 C.O.M.M. FD Tax (Residential) $ 1,128.84 Community Preservation Act Tax $ 155.69 Town Tax (Commercial) $ 0 Town Tax (Residential) $ 5,189.79 Total: $ 6,474.32 |
| Residential Exemption Received= $274,787 |
Residential Exemption Received= $233,792 |
| Owner: | Sale Date | Book/Page: | Sale Price: |
| AVERY, JOHN T & TERESA M | 2018-05-14 | 31262/0159 | $575000 |
| MCKEOWN, THOMAS J & LINDA J | 1986-05-15 | 5057/0080 | $80000 |
| WHISTLEBERRY PROPERTIES | 1980-10-31 | 3184/0109 | $0 |
| As Built Cards:Click card # to view: | Card #1 | | Card #2 | |

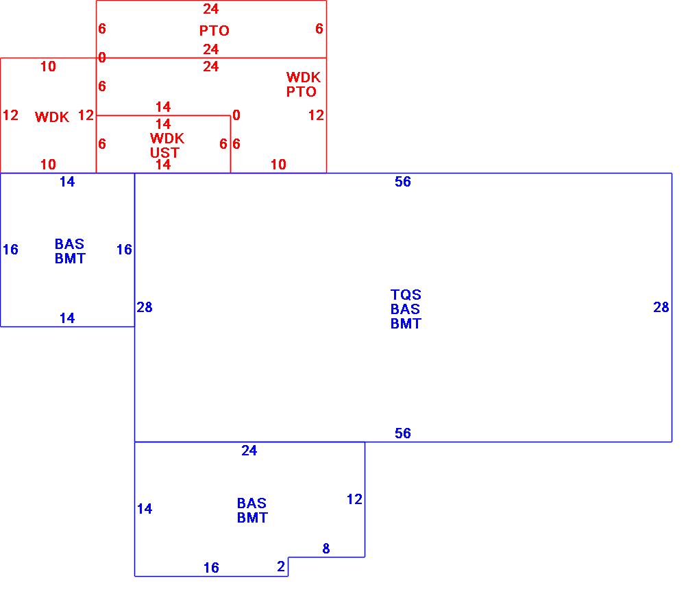
| B2N | Barn-any 2nd story area | FPC | Open Porch Concrete Floor | REF | Reference Only |
| BAS | First Floor, Living Area | FTS | Third Story Living Area (Finished) | SOL | Solarium |
| BMT | Basement Area (Unfinished) | FUS | Second Story Living Area (Finished) | SPE | Pool Enclosure |
| BRN | Barn | GAR | Garage | TQS | Three Quarters Story (Finished) |
| CAN | Canopy | GAZ | Gazebo | UAT | Attic Area (Unfinished) |
| CLP | Loading Platform | GRN | Greenhouse | UHS | Half Story (Unfinished) |
| FAT | Attic Area (Finished) | GXT | Garage Extension Front | UST | Utility Area (Unfinished) |
| FCP | Carport | KEN | Kennel | UTQ | Three Quarters Story (Unfinished) |
| FEP | Enclosed Porch | MZ1 | Mezzanine, Unfinished | UUA | Unfinished Utility Attic |
| FHS | Half Story (Finished) | PRG | Pergola | UUS | Full Upper 2nd Story (Unfinished) |
| FOP | Open or Screened in Porch | PRT | Portico | WDK | Wood Deck |
| PTO | Patio | ||||
Building |
Details |
Land |
|||
| Building value | $ 723,200 | Bedrooms | 3 Bedrooms | USE CODE | 1010 |
| Replacement Cost | $871,357 | Bathrooms | 2 Full-1 Half | Lot Size (Acres) | 1.09 |
| Model | Residential | Total Rooms | 8 Rooms | Appraised Value | $ 218,600 |
| Style | Cape Cod | Heat Fuel | Gas | Assessed Value | $ 218,600 |
| Grade | Average Plus | Heat Type | Hot Water | ||
| Year Built | 1986 | AC Type | Central | ||
| Effective depreciation | 17 | Interior Floors | HardwoodCarpet | ||
| Stories | 1 1/2 Stories | Interior Walls | Drywall | ||
| Living Area sq/ft | 3,131 | Exterior Walls | Vinyl Siding | ||
| Gross Area sq/ft | 6,632 | Roof Structure | Gable/Hip | ||
| Roof Cover | Asph/F Gls/Cmp | ||||
| Code | Description | Units/SQ ft | Appraised Value | Assessed Value |
| BGR2 | 2 Stall Bmt Gar | 1 | $ 2,700 | $ 2,700 |
| FPL2 | Fireplace 1.5 stories | 1 | $ 5,000 | $ 5,000 |
| BFA | Bsmt Fin-Avg | 500 | $ 7,200 | $ 7,200 |
| WDCK | Wood Decking w/railings | 408 | $ 4,700 | $ 4,700 |
| UST | Utility Storage-attached | 84 | $ 1,000 | $ 1,000 |
| BMT | Basement-Unfinished | 2112 | $ 38,800 | $ 38,800 |
| PAT1 | Patio- Average | 348 | $ 1,600 | $ 1,600 |